1/19
Circuit Theory 1
Name | Mastery | Learn | Test | Matching | Spaced | Call with Kai |
|---|
No analytics yet
Send a link to your students to track their progress

Inverting Amplifier

(-Rf/R1)(Vin)

Noninverting Amplifier

(1+Rf/R1)(Vin)

Voltage Follower (Buffer Amplifier)

Vin

Summing Amplifier

-(Rf/R1(V1)+Rf/R2(V2)+…Rf/Rn(Vn))

Noninverting Summing Amplifier

K4(K1V1+K2V2+K3V3)

Difference Amplifier

(R2/R1)(V2-V1)

Current-to-voltage Converter

-Rf(iin)

Negative Resistance Convertor

(-R1R3/R2)(iin)

Voltage-controlled Current Source (VCCS)

Vin/R1

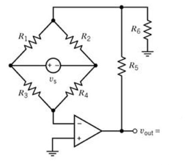
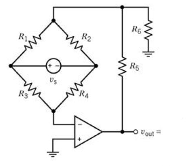
Bridge Amplifier

(1+R5/R6)(R2/(R1+R2)-(R4/(R3+R4)))(Vs)