Physics- Topic 21 (Alternating Currents)

0.0(0)
studied byStudied by 1 person
full-widthCall with Kai
GameKnowt Play
learnLearn
examPractice Test
spaced repetitionSpaced Repetition
heart puzzleMatch
flashcardsFlashcards
Card Sorting

1/12

encourage image

There's no tags or description

Looks like no tags are added yet.

Study Analytics
Name
Mastery
Learn
Test
Matching
Spaced

No study sessions yet.

13 Terms

1
New cards

Period of a current time graph

Is the time taken for one complete oscillation in the graph

T = 1/f

2
New cards

Peak Value

Is the maximum value in a graph

It can be determined from the amplitude of the graph

3
New cards

Sinusoidal Alternating Current or Voltage

General form= X=X0sin(ωt )

where X0 is the peak value and ω is the angular frequency.

4
New cards

Root mean square values

Xrms = X0/ √2, representing the effective value of an alternating current or voltage.

5
New cards

Mean Power in a Resistive Load

P=IV = I2R = V2R

I0=√2 Irms

Ppeak=I02R = (√2 Irms)2R = 2Pmean

Pmean = Ppeak / 2

6
New cards

Rectification

Is the process of converting alternating current and the voltage into direct current and voltage

7
New cards

Full- wave Rectification Graph

The graph of the voltage Vout against time is a sine curve where the positive cycle and the negative cycle are both curved bumps

knowt flashcard image

<p>The graph of the voltage V<sub>out</sub> against time is a sine curve where the positive cycle and the negative cycle are both curved bumps </p><img src="https://knowt-user-attachments.s3.amazonaws.com/61f37553-c0c5-4abf-bf8a-fbc80fa3026b.png" data-width="50%" data-align="center" alt="knowt flashcard image"><p></p>
8
New cards

Half- wave Rectification graph

The graph of output voltage Vout against time is a sine curve where the positive cycles are curved bumps and the negative cycles are straight lines

knowt flashcard image

<p>The graph of output voltage V<sub>out </sub>against time is a sine curve where the positive cycles are curved bumps and the negative cycles are straight lines </p><img src="https://knowt-user-attachments.s3.amazonaws.com/a69af347-7344-4383-8715-b4f54540875c.png" data-width="75%" data-align="center" alt="knowt flashcard image"><p></p>
9
New cards
<p>Half wave rectification </p><img src="https://knowt-user-attachments.s3.amazonaws.com/ce794bf5-21e6-421c-a837-9ad6facfd835.png" data-width="50%" data-align="center" alt="knowt flashcard image"><p></p>

Half wave rectification

knowt flashcard image

  • Consists of a single diode

    • AC supply is in series with diode and a resistor

  • The diode will only conduct during the positive cycles of the ac supply

    • Current is only present when there is a positive cycle

  • No negative cycles

  • Half of the time, the voltage is Zero

    • Power available from a half-wave rectified circuit is reduced

10
New cards
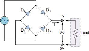
<p>Full- Wave Rectification</p><img src="https://knowt-user-attachments.s3.amazonaws.com/d84d09b4-463b-4dc3-987f-0c4be1406b93.png" data-width="50%" data-align="center" alt="knowt flashcard image"><p></p>

Full- Wave Rectification

knowt flashcard image

  • Requires a bridge rectifier circuit

  • During Positive cycles:

    • If one terminal is positive and the other supplies negative

    • Two diodes opposite each other will conduct

    • The other two diodes do not conduct

    • This causes the current to flow through the positive direction of the resistor

  • Vice versa for the negative cycle

  • Current is constant, and more power is supplied compared to half wave rectified circuit

11
New cards

Smoothing

The reduction in variation of the output in voltage or current

This is done using a smoothing capacitor

The single capacitor is connected in parallel with a load resistor

The capacitor charges up from the input voltage and maintains the voltage at a high level

As it discharges gradually through the resistor when rectified voltage drops but the voltage then rises again and the capacitor charges up again

12
New cards

Graphs before and after smoothing

knowt flashcard image

Gives a ripple shape

<img src="https://knowt-user-attachments.s3.amazonaws.com/f3d685f5-e635-44f3-8717-de0776b5fd64.png" data-width="50%" data-align="center" alt="knowt flashcard image"><p>Gives a ripple shape </p>
13
New cards

Effects of single capacitor in smoothing

  • The slower the capacitor discharges, the more the smoothing

  • This can be using:

    • A capacitor with greater capacitance

    • A resistor with a high resistance

Recall t = RC

hence the time constant of the capacitor must be greater than the time interval between adjacent peaks of the output voltage