1/21
Looks like no tags are added yet.
Name | Mastery | Learn | Test | Matching | Spaced | Call with Kai |
|---|
No analytics yet
Send a link to your students to track their progress
Zeichnungstechnik: Grundlagen
Was bedeutet die Abkürzung ISO?
-Organisation Schweizerischer Industrien
-Europäische Normenvereinigung
-Internationale Organisation für Normung
-Internationale System Organisation
Internationale Organisation für Normung

Zeichnungstechnik: Grundlagen
Was bedeutet die Zahl 0,25 in dieser Angabe?
-Rauhtiefe Rt
-Mittenrauhwert Ra
-Schleifzugabe 0,25mm
-Bezugslänge für die Rauheitsmessung
Bezugslänge für die Rauheitsmessung

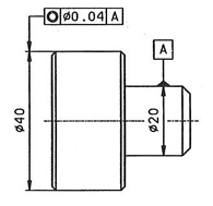
Zeichnungstechnik: Grundlagen
Was besagen die Angaben in dieser Abbildung?
-Die Toleranz der Zylinderform der beiden Durchmesser beträgt 0,04 mm.
-Die tolerierte Zylinderachse muss in einer zylindrischen Toleranzzone von 0,04 mm Durchmesser zur Achse des kleinen Durchmessers sein.
-Die Achse des grossen Durchmessers darf gegenüber dem Zylindermantel des kleinen Durchmessers um 0,04 mm abweichen.
-Die Achse des kleinen Durchmessers darf zum Zylindermantel des grossen Durchmessers um 0,04 mm abweichen.
Die tolerierte Zylinderachse muss in einer zylindrischen Toleranzzone von 0,04 mm Durchmesser zur Achse des kleinen Durchmessers sein.

Zeichnungstechnik: CAD-Systemtechnik
Durch welche Befehlsfolge von Manipulationsfunktionen kann das Bild vollständig erzeugt werden?
-Drehen mit Kopieren
-Kopieren, Verschieben, Spiegeln
-Kopieren, Spiegeln
-Spiegeln, Spiegeln
Kopieren, Spiegeln

Zeichnungstechnik: CAD-Systemtechnik
Um welches Flächenmodell handelt es sich bei der im Bild erzeugten Fläche?
-Rotationsfläche
-Translationsfläche
-Regelfläche
-Freiformfläche
Rotationsfläche
Zeichnungstechnik: CAD-Systemtechnik
Welche Aussage über das Volumenmodell ist richtig?
-Es kann auch als Flächenmodell bezeichnet werden.
-Legt man eine Schnittebene durch das Volumenmodell, so sind die Schnittkanten auf der Ebene sichtbar.
-Es liegen keine Informationen über Flächen und Volumen vor.
-Legt man eine Schnittebene durch das Volumenmodell, entsteht ein Flächenmodell.
Legt man eine Schnittebene durch das Volumenmodell, so sind die Schnittkanten auf der Ebene sichtbar.
Maschinentechnik: Nichtlösbare Verbindungen
Bei welcher Anwendung werden diese Maschinenelemente verwendet?
-Für Gewinde mit grossen Steigungswinkeln
-Bei Bewegungsgewinden
-Zur Sicherung gegen axiales Verschieben auf Wellen
-In Fällen, in denen die Mutter von Hand angezogen werden soll.
Zur Sicherung gegen axiales Verschieben auf Wellen
Maschinentechnik: Nichtlösbare Verbindungen
Welche Angabe enthält gleichzeitig zwei Vorteile der Dehnverbindung?
-Kein Verzundern der Werkstücke/ keine nachteiligen Gefügeänderungen.
-Geringe Kosten der Kühlmittel/grösserer Temperaturbereich beim Abkühlen als beim Erwärmen.
-Kein Verziehen der Werkstücke/kleinere Unfallgefahr als beim Erwärmen.
Kein Verzundern der Werkstücke/ keine nachteiligen Gefügeänderungen.

Maschinentechnik: Nichtlösbare Verbindungen
Welchen Vorteil bietet die dargestellte Niettechnik?
Die Verbindung ist gasdicht.
Die Korrosionsgefahr ist bei dieser Verbindung geringer als bei anderen Nietverfahren.
Die Verbindung lässt sich auch fertigen, wenn die Nietstelle nur von einer Seite zugänglich ist.
Die Verbindung hat eine höhere Festigkeit als andere Nietverbindungen.
Die Verbindung lässt sich auch fertigen, wenn die Nietstelle nur von einer Seite zugänglich ist.

22. Maschinentechnik: Nichtlösbare Verbindungen
Welche der gezeichneten Verbindungen ist bezüglich der Beanspruchung der
Klebeschicht am besten geeignet?
-1
-2
-3
-4
3
Maschinentechnik: Nichtlösbare Verbindungen
Warum werden beim Lichtbogenschweissen ummantelte Elektroden verwendet?
Um die Erwärmung der Elektrode zu verhindern.
Um durch Schmelzgasbildung den Sauerstoff und Stickstoff von der Schweissstelle abzuhalten.
Um das ultraviolette Licht nach aussen abzuschirmen.
Um durch Schmelzgasbildung den Sauerstoff und Stickstoff von der Schweissstelle abzuhalten.

Maschinentechnik: Übertragungselemente
Welches Zahnradgetriebe ist dargestellt?
-Schneckengetriebe
-Kegelradgetriebe
-Schraubenradgetriebe
-Stirnradgetriebe
Schraubenradgetriebe
Maschinentechnik: Übertragungselemente
Warum werden Übergänge bei Zapfen, auch bei einer Hinterstechung, abgerundet?
Elegante, schöne Form
Schonung des Drehmeissels
Weniger Schmiermittelrückstände
Verminderung der Kerbwirkung
Verminderung der Kerbwirkung
Maschinentechnik: Übertragungselemente
Welche Aussage trifft für Loslager zu?
Lager, bei welchen das axiale Spiel eingestellt wird.
Lager, welches die Welle in radialer Richtung führt.
Lager, welches axiale Dehnungen ausgleichen kann.
Lager, welches die Welle in axialer Richtung fixiert.
Lager, welches axiale Dehnungen ausgleichen kann.
Maschinentechnik: Kraft- und Arbeitsmaschinen
Wie bezeichnet man diesen Verdichter?
-Drehkolbenverdichter
-Axialverdichter
-Kolbenkompressor
-Turboverdichter
Turboverdichter

Maschinentechnik: Kraft- und Arbeitsmaschinen
Welche Zahl bezeichnet die Nockenwelle?
-1
-2
-3
-4
4
Maschinentechnik: Kraft- und Arbeitsmaschinen
Welche der folgenden Angaben trifft auf den Dieselmotor im Vergleich mit dem Ottomotor zu?
-Kleineres Masse-Leistungsverhältnis
-Höherer Wirkungsgrad
-Feuergefährlicher Brennstoff
-Höherer Drehzahlbereich
Höherer Wirkungsgrad

Maschinentechnik: Kraft- und Arbeitsmaschinen
Die vier Figuren zeigen die vier Takte des Viertaktmotors wahllos nebeneinander.
Bei welcher Antwort sind die vier Takte in der richtigen Reihenfolge?
3-1-2-4
4-3-2-1
2-1-3-4
4-1-2-3
3-1-2-4