1/26
Looks like no tags are added yet.
Name | Mastery | Learn | Test | Matching | Spaced | Call with Kai |
|---|
No analytics yet
Send a link to your students to track their progress
Rocket propulsion
Newton's Third Law:
~11.2 km/s
Delta V Budget:
better fuel efficiency.
Propellant choice
Rocket Propulsion Fundamentals
- ___________ is essential for launch, orbital
maneuvers, and deep-space travel.
- _____________ "For every action, there is an
equal and opposite reaction."
Why propulsion is critical in spacecraft mission design:
- Escape velocity (________): Required to leave Earth's gravity.
- ____________ Determines fuel requirements for a mission.
- Thrust-to-weight ratio (T/W): Affects payload capacity and efficiency.
- Specific impulse (Isp): Higher Isp = ___________
- ____________: Impacts storage, combustion efficiency, and engine design.
Thrust
Pa=0
Ambient pressure
Thrust Equation
__________ is the force that propels a rocket forward
where:
m = mass flow rate (kg/s)
Ve= Exhaust velocity (m/s)
Pe = Pressure at nozzle exit (Pa)
Pa = Ambient Pressure (Pa)
Ae = Nozzle Exit Area (m²)
Seal Level vs. Thrust Vacuum Thrust
In Vacuum _______, so thrust is maximized
At sea level, ____________ reduces thrust efficiency

Thrust to Weight Ratio (T/W)
Faster acceleration → Higher Payload Capacity
2.76
Merlin 1D, 7600 kN, 13.8
SLS Block 1
RS-25
________________
It detemine acceleration capability
Higher T/W → ___________ → ____________
Comparison of Launch Vehicles:
Saturn V
Engine: F-1
Thrust (kN): 7,740
Mass (kg): 2,800,000
T/W Ratio: _______
Falcon 9
Engine: ______
Thrust (kN): _______
Mass (kg): 549.000
T/W Ratio: ______
__________
Engine: _______
Thrust (kN): 8, 160
Mass (kg): 2,600,000
T/W Ratio: 3.1

Specific Impulse (Isp)
Less fuel needed for a given
Delta V
Composite
Liquid (RP-1/LOX)
Liquid (LH2/LOX)
Hydrogen
Xenon, 1500+
____________ and Mission Efficiency
It Measures fuel effciency
Higher Isp → ____________
________ → More Payload
Comparison of Propulsion Types
Solid Rockets
Fuel: ________
Isp: 250-300
__________
Fuel: Kerosene
Isp: 350
__________
Fuel: ___________
Isp: 450
Electric/Ion
Fuel: ___________
Isp: ______

Exhaust Velocity
Chamber Temperature (Tc)
Molecular Weight (M) of exhaust gases
Higher Tc → More energy to exhaust
Lower Molecular Weight (M)
Calculation of Specific Impulse
Specific Impulse is:
Derived from _________
Directly dependent on
____________
____________
To Increase Isp:
________ → _________ → Higher Ve
Lower ________ (e.g hydrogen over kerosene) → Higher Ve

High-pressure combustion
Sea level engines
Vacuum Engines
Underexpanded
Overexpanded
Flow Separation
Optimally Expanded
Maximum Thrust Efficiency
Nozzle Expansion and Performance
Nozzle converts ____________ gases into high speed exhaust
Optimized Nozzle Design
___________; Shorter nozzles to match ambient pressure
____________: Large bell nozzles for efficient expansion
Key Considerations in Nozzle Expansion:
__________; Pe > Pa (Exit Pressure is Higher than the Ambient Pressure) → Wasted Efficiency
___________: Pe < Pa (Ambient Pressure is higher than the exit pressure) → __________, Potential Instability
_____________: Pe = Pa → _________
Conical Nozzle
Bell Nozzle
Aerospike Nozzle
Nozzle Contour and Design
___________: Simple, but slightly inefficient (~98% efficiency)
____________: More Efficient, commonly used in modern rockets
____________: Self adjusting expansion for different altitudes
3000K
Regenerative Cooling
Ablative Cooling
Film Cooling
Engine Cooling
Extreme Temperatures (~_______) required advanced cooling methods:
_____________: Fuel circulates around the chamber walls
______________: Heat-resistant materials vaporize to protect the engine
_____________: Injecting unburned propellant along the walls
1. Gas Generator Cycle (Open Cycle) - with Flight Start Tanks
Combustion Cycles
______________________
Advantages: Simple design, reliable, well-tested.
Disadvantages: Waste of some propellant, lower efficiency compared to staged combustion.
Examples: The F-1 engine (Saturn V first stage) and Merlin engines (Falcon 9 first stage).

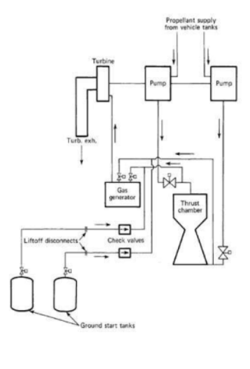
2. Gas Generator Cycle - with Ground Start Tanks
Combustion Cycles
____________________
Advantages: Reduces on-board weight, improves first-stage efficiency Disadvantages: Requires ground- based pressurization systems, limiting launch flexibility
Examples: RD-107/108 engines (Soyuz first stage), older Soviet-era launch vehicles

3. Gas Generator Cycle - with Tank Head Start
Combustion Cycles
____________________
Advantages: Eliminates the need for additional starter systems.
Disadvantages: Requires precise fuel pressure regulation to avoid combustion instability.
Examples: Vulcain engine (Ariane 5 first stage).

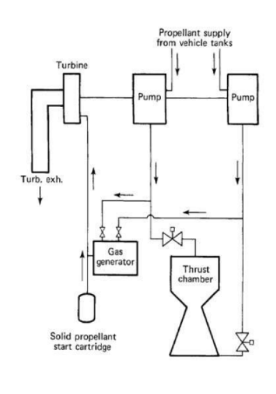
4. Gas Generator Cycle - with Solid Propellant Start Cartridge
Combustion Cycles
______________________
Advantages: Requires no external ignition system, highly reliable.
Disadvantages: Non-reusable, limited throttle control.
Examples: RD-107/108 engines (Soyuz rocket first stage).

5. Preburner Cycle (Staged Combustion Cycle)
Combustion Cycles
_________________
Advantages: Higher efficiency, allows for higher chamber pressures, leading to higher specific impulse (Isp).
Disadvantages: More complex, requires high-temperature-resistant materials.
Examples: RS-25 (Space Shuttle Main Engine, SLS core stage), RD-180 (Atlas V first stage), Raptor (SpaceX Starship).

6. Expander Cycle( Cryogenic Engine Operation)
Combustion Cycles
______________________
Advantages: Extremely high efficiency, multiple restarts
Disadvantages: Limited to cryogenic fuels, lower thrust capability Examples: RL-10 (Centaur upper stage), Vinci (Ariane 6 upper stage), BE-3U (Blue Origin New Glenn upper stage)


Higher thrust
Higher specific impulse (Isp)
Compact engine design
More mechanical stress
complex turbopump systems
cooling demands
Combustion Chamber Pressure
Higher chamber pressures generally result in:
✓ __________ - More forceful ejection of exhaust gases.
✓ Greater efficiency -_______________.
✓ ______________ - Smaller chamber size for the same power.
* Higher pressures come with challenges:
X ___________ on engine components.
X More ____________required.
X Greater _________ due to higher temperatures.
Ascent Flight Mechanics
launch to orbit
gravity
drag and heating.
High dynamic pressure (qmax)
Trajectory optimization
LEO, steep climbs
GTO and interplanetary
fuel efficiency.
Nuclear thermal propulsion
Hypersonic air-breathing boosters
_________________
The goal of this is to efficiently transition from _____ to _______ while minimizing fuel consumption, aerodynamic stress, and structural loads. It is also crucial for mission success.
Challenges of the ascent phase:
Overcoming ______ - Most fuel is spent in this phase.
Aerodynamic forces - Rockets must avoid excessive ____ and ___
Structural loads - _____________ occurs early in flight.
__________ - Ensures efficient orbital insertion.
Ascent trajectory is mission-dependent:
_____ launches prioritize _______ to reduce drag losses.
______ and _________ launches need precision staging and burns.
Key advancements in launch vehicle design: *
Reusable rockets (Falcon 9, Starship) reduce launch costs.
Computational optimization of trajectories improves _________
New materials (carbon composites, stainless steel) improve weight-to-strength
Next-gen technologies:
___________ for Mars missions.
________________ for lower- cost access to space

single-stage rocket (SSTO)
Staging
Serial Staging:
Parallel Staging
Rocket Performance and Staging
A___________ is inefficient due to excessive fuel weight.
______ improves efficiency by discarding empty tanks and engines.
Staging Strategies:
___________ Each stage ignites after the previous one is discarded. (e.g., Saturn V)
__________: Boosters ignite with the main stage, then detach. (e.g., Space Shuttle SRBs, Falcon Heavy side boosters)
Example: Saturn V Rocket
Provide maximum thrust
Lighter, more efficient engines
High- efficiency orbital insertion
payload fraction.
structural weight.
AV efficiency.
Staging Mass Optimization
Optimal staging ratios for mass efficiency:
First stage (~60% of total mass): _________
Second stage (~25% of total mass): __________.
Third stage (~15% of total mass): __________
Key.benefits of staging:
Improves ___________
Reduces __________
Maximizes __________
Launch Trajectory Phases
Vertical Climb
Gravity Turn
Max-Q (Maximum Dynamic Pressure)
Staging Events
Orbit Injection
Gravity Turn Maneuver
Falcon 9
2.5, seperation
6-8, orbit
Ascent Trajectories (__________)
A rocket's ascent is divided into key phases:
_________: Clears the dense atmosphere.
__________: Gradual tilt to gain horizontal velocity.
____________: Peak aerodynamic stress.
___________: Boosters/jettisoned tanks improve efficiency.
___________: Final velocity achieved.
________________:
Reduces gravity losses.
Saves fuel for later orbital maneuvers.
-
Example: ______ Launch Profile
First stage burn: ~__ minutes, then ____.
Second stage burn:____ minutes, achieves ____

Strength
Weight:
Thermal resistance
Rocket Vehicle Structures (Materials & Design)
Structural design must balance:
________: Withstand thrust and aerodynamic forces.
_____ Minimize unnecessary mass.
_________ Protect against re-entry and atmospheric friction.
Axial Loads
Lateral Loads
Thermal Loads
Monocoque design
Stringers and frames
Thick aluminum walls
pressurization
Load Considerations in Rocket Structures
Some Structural Loads During Ascent:
______: Compression from thrust.
_______: Bending due to aerodynamic forces.
_________ Heat from friction and rocket exhaust.
Structural Optimization Techniques:
___________: Load-bearing shell.
____________: Internal support structures.
Example: Saturn V vs. Falcon 9
Saturn V: _______ for extreme loads.
Falcon 9: Relies on_________ for structural rigidity.
Launch Vehicle Selection
Payload capacity
Target orbit or trajectory
Propellant type
Expendable vs. Reusable
Upper stage capability
_______________
is critical for mission success.
Key considerations:
________ - Can the rocket carry the spacecraft?
____ or _____ - LEO, GTO, interplanetary, etc.
_______ - Solid, liquid, or hybrid.
____ vs. _____- Cost and availability.
___________ - Critical for reaching final orbit.
Determines launch windows and trajectory options.
Affects payload integration and structural requirements.
Influences mission cost and feasibility.
high thrust- to-weight ratio
Not throttleable,
250 - 300
good for liftoff
Higher efficiency,
Complex plumbing
350-450 s
good for precise maneuvers
boosters
main stages
SRBs
SSMEs
Solid vs. Liquid Propellant - Fundamentals
Launch vehicles use different propellant types, each with advantages and disadvantages.
Solid Propellant
Advantages: Simple, reliable, _________
Disadvantages: ___________ once ignited it cannot be shut down
Isp =_______ s
Thrust Profile: provide high thrust instantly ( good for ______).
Liquid Propellant
Advantages: ________ can be throttled and restarted
Disadvantages: __________, requires cryogenic storage
Isp = _______
Thrust Profile: allow throttling (good for _______).
Common Use Cases:
Solid rockets: Used in ____ (e.g., Space Shuttle SRBs, Vega).
Liquid rockets: Used in ______ (e.g., Falcon 9, Saturn V).
Example: Space Shuttle Launch System
_____ (solid): Provided 71% of liftoff thrust.
* _________ (liquid): Provided sustained thrust with high efficiency.
Small launchers
Medium-class rockets
Heavy launchers
Super-heavy launchers
Upper stages
Launch Vehicles and Upper Stages
Launch vehicles are categorized by mission class:
_________ (e.g., Rocket Lab Electron, Pegasus XL).
__________ (e.g., Falcon 9, Soyuz).
__________e.g., Delta IV Heavy, Falcon Heavy).
__________ (e.g., Saturn V, SLS, Starship).
__________ play a critical role in final orbit insertion.
Space Shuttle
18.3 m by 4.6 m
(Canadarm)
Reusable Orbiter
Crew compartment
Hubble Space Telescope Deployment (1990).
Space Shuttle Payload Accommodations
The ________ had a unique cargo bay instead of a traditional payload fairing.
Payload bay dimensions:
_____long x _____ wide
Allowed for modular payload racks.
Key design features:
Robotic arm (_________): Enabled in-orbit payload deployment.
___________: Allowed multiple flights per vehicle.
___________: Allowed astronauts to manually operate payloads.
Example Missions:
____________________ ISS module deliveries (1998-2011)
Expendable rockets
Atlas V
Delta IV Heavy
Ariane 5
Soyuz
Expendable Launch Vehicles (ELVs)
___________ are used for one mission only.
Key ELVs and their capabilities:
___________
Payload to LEO: ~18,850 kg
Notable Uses: Military & NASA payloads
____________
Payload to LEO:~28,790 kg
Notable Uses: National security payloads
_____________
Payload to LEO: ~21,000 kg
Notable Uses: ESA, Galileo, Webb Telescope
______________
Payload to LEO: ~8,000 kg
Notable Uses: ISS cargo, crew transport
Advantages of ELVs:
✓ Simpler than reusable vehicles.
✓ Can be optimized for specific payloads.
Disadvantages of ELVs:
X High cost per launch.
X No hardware recovery→ More expensive than reusables.
Payload size & mass.
Target orbit or trajectory.
Cost constraints
Starship (SpaceX)
New Glenn (Blue Origin)
SLS (NASA):
Key Considerations for Launch Vehicle Selection:
✓_____________ and _______
✓ __________ or _______
✓ ____________ (expendable vs. reusable).
✓ Mission timeline & launch availability.
✓ Availability of upper stage configurations.
The Future of Launch Vehicles:
__________: Fully reusable super-heavy launcher.
____________________: Reusable heavy launcher for commercial payloads.
_______ Super-heavy expendable for deep- space missions.