1/46
Looks like no tags are added yet.
Name | Mastery | Learn | Test | Matching | Spaced | Call with Kai |
|---|
No analytics yet
Send a link to your students to track their progress
One’s complement
Flip each bit into a binary number, results in redundant numbers for zero
Two’s complement
Flip the sign of each bit
Add +1
Ignore overflow
Range of numbers for unsigned
0 to 2N-1
Range of numbers for signed
-2N-1 to 2N-1-1
Overflow
A number can’t be represented by the available number of bits, or for signed, there is a mismatch in the arithmetic between signs
Combinational logic
Outputs are determined by the input combination
Half adder
S = A XOR B
C = AB

Full adder
S = Cin XOR A XOR B
Cout = AB + Cin(A XOR B)

Ripple adder
Multiple full adders in series, carry-out of each full adder is connected to the carry-in of the next
Cascading carry lookahead adder
Faster than ripple adder
Decoder
n to m line, where m = 2n, all outputs are low except one corresponding to the binary value of the inputs
Enable
Turn on outputs or leaves them off
Any boolean functions can be implemented using a
Decoder and OR gates by ORing together the function’s minterms
Encoder
m to n line encoder, m = 2n
Priority encoder
Takes the input of 1 with the highest index and translates directly to the output
Multiplexer
Selects betwen one of N inputs to connect to output with selector bits
Transmission gates
Allows signals to pass in both directions or blocks them when inactive

How can you implement a mux?
WIth pass gates
Demultiplexer
Takes one input and selects one of many outputs to direct the input
Comparator
Indicates whether A is equal, greater, or less than B
Zero extend
Adds m-n additional zero bits, does not change value of unsigned integers
Sign extend
Adds m-n additional bits equal to the most significant bit of hte input, does not change value of 2’s complement integers
Shifting left is equivalent to…
Multiplying by 2
Shifting right is equivalent to….
Dividing by 2
A transmission gate can be used to…
Set the state
SR latch
Utilize NORs, R on top.

S’R’ latch
Utilize NANDs, S’ on top

How to add an enable line to SR latch?
With NOR gates: use two AND gates prior
With NAND gates: use two NAND gates prior
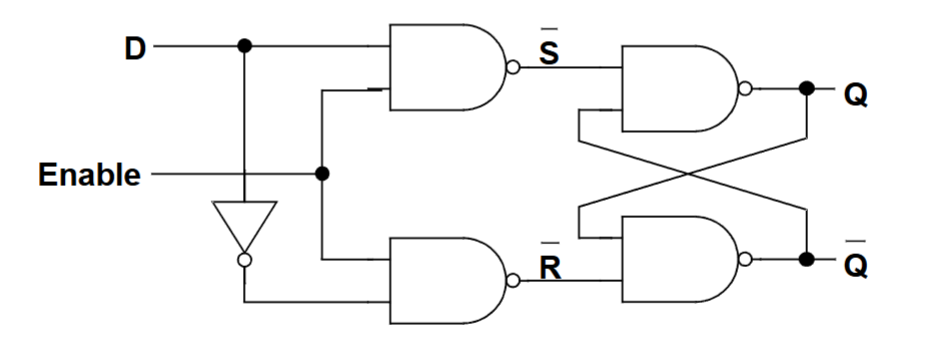
D latch
Same as S’R’ latch essentially, but only driven by D (needs additional inverter) and two additional NAND gates

Transparent/level-sensitive
Output follows the input
Leader and follower
Separates input from the output, leader accepts input while follower gives output
Flip-flop
Edge triggered, single bit storage
Register
A device that stores a value, updated on each clock cycle
A flip-flop is a 1 bit register, can form multiple bit register by grouping flip flops together
Mealy machine
FSM where output depends on current input AND state
Moore machine
Output depends only on current state
How to create an FSM with hardware?
State transition table with present state, input, next state, and output
Turn into a K-map
Express a boolean function
Make gates
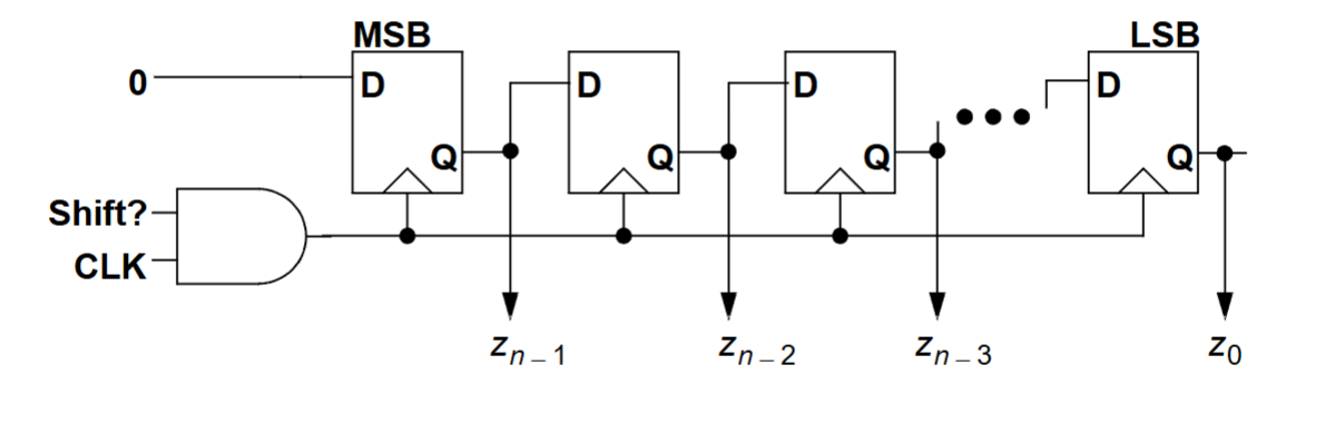
Shift register
Takes stored bits and moves them up a significnt bit or down a significant bit
What does a logical shift register look like?

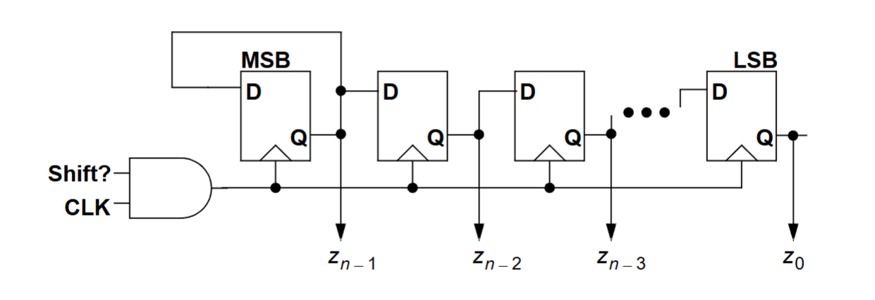
What does arithmetic shift look like?
(the most significant bit is fed into the next flip flop (what the state currently is), in comparison to the logical shift where the MSB is automatically assigned 0

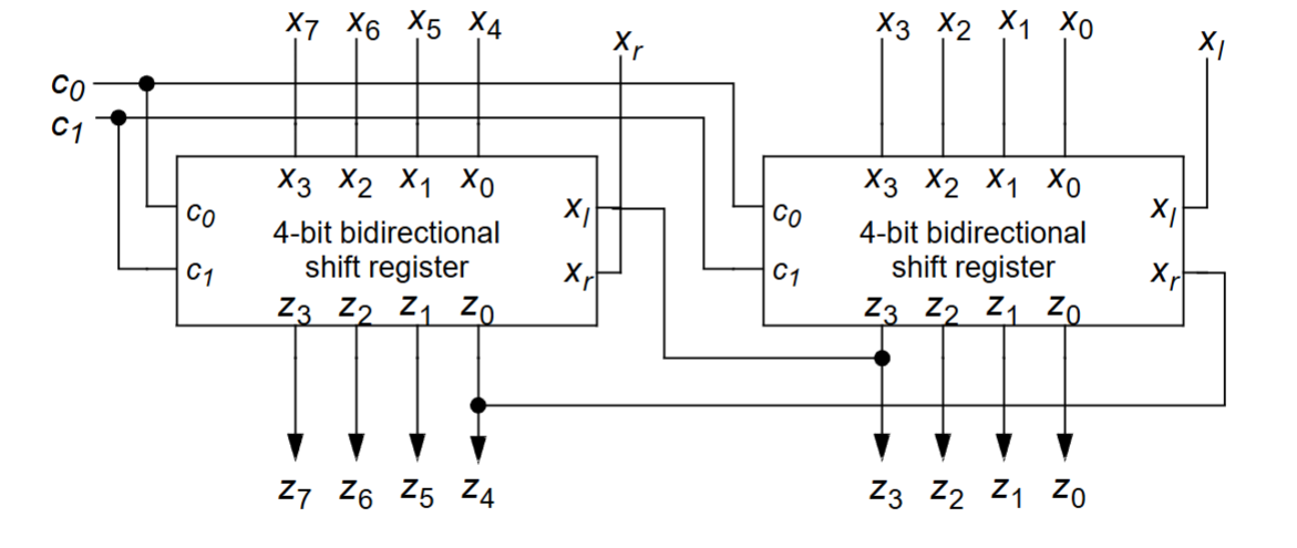
How to chain together shift registers together?
Each shift register handles half of the inputs and outputs
Control inputs —> select the operating mode (hold, shift left, shift right, or parallel load)
X_l = shift left serial input, connects to Z0
X_r = shift right serial input, connects to Z4

What does a rotate register look like?
X_l = shift left, connects to Z3
X_r = shift right, connects to Z0
(OPPOSITE OF TYPICAL SHIFT REGISTER)

Counter
Incrememts an n-length binary number each clock cycle
Ripple counter
Connects the output to the clock.
Modulo-p counter
S(t+1) = (S(t) + x) % p

How many states can a counter represent
2N states
When a counter reaches its last state, what does it do?
Wraps back to 0 and repeats
What does a terminal count output do?
Enables resetting at a specific time, enables chaining of counters together. TC of the first counter will connect to enable of the subsequent one
