1/86
Looks like no tags are added yet.
Name | Mastery | Learn | Test | Matching | Spaced | Call with Kai |
|---|
No study sessions yet.
This type of control loop has a feedback?
a. Open Loop
b. Closed Loop
c. Cascade Loop
d. Feedforward Loop
b. Closed Loop
This type of signal is represented by 0 or 1.
a. Binary Signals
b. Analog Signals
c. Digital Signals
d. Boolean Signals
a. Binary Signals
If the signal voltage has a value of 19 Vdc, what is the status of this binary signal?
a. High
b. Low
c. Medium
d. Very low
a. High
What is the binary equivalent of decimal 178?
a. 10101010
b. 10110010
c. 10111100
d. 10110110
b. 10110010
How many wires are there in a Cat6 ethernet cable?
a. 4
b. 6
c. 8
d. 10
c. 8
This unit directs traffic in the local network?
a. Modem
b. Router
c. Switch
d. Servers
c. Switch
Most likely, what is the reason of having NETWORKING on board a ship?
a. more cable requirements in automation
b. Access to social media by the crew is now possible
c. Simple and easy means of communication between devices
d. Large data access, but slow because of possible data collision.
c. Simple and easy means of communication between devices
PLC and Computer is to be connected using Networking via Ethernet topology. Select which configuration will be able to communicate properly having a subnet mask of 255.255.255.0
a. IP address PLC: 192.168.0.33 / PC 192.168.0.33
b. IP address PLC: 192.168.0.33 / PC 192.168.1.33
c. IP address PLC: 192.168.0.33 / PC 192.168.0.30
d. IP address PLC: 192.168.0.33 / PC 192.168.33.0
c. IP address PLC: 192.168.0.33 / PC 192.168.0.30
Which standard is used as a guide in the use of PLCs?
a. IEC 61113
b. IEC 61131
c. IEC 61311
d. IEC 63111
b. IEC 61131
What part of the PLC do we store the program?
a. Central Control Unit
b. Arithmetic Logic Unit
c. Input Module
d. Output module
a. Central Control Unit
All of these programming languages are defined for PLC except
a. Ladder Diagram
b. Instruction List
c. Assembly Language
d. Sequential Function Chart
a. Ladder Diagram
This part of the PLC is in charge of converting logic voltage to control voltage.
a. Input Module
b. Output Module
c. Central Control Unit
d. Signal Converter
b. Output Module
The PLC on board a ship is mainly used to
a. process data from sensors regarding parameters of certain machineries
b. update the monitors/HMI used by operators regarding current status of
machines
c. control output devices such as Motors and control valves to correct process
d. gather data through input module, process data, and then update output
modules and HMI for correct display of current status
d. gather data through input module, process data, and then update output modules
and HMI for correct display of current status

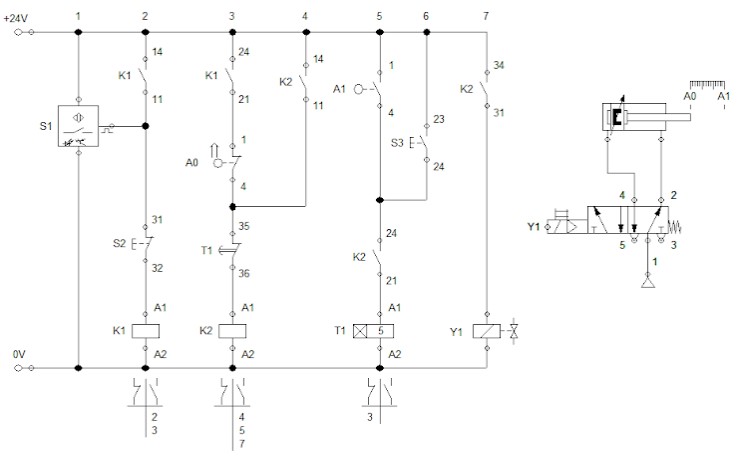
Upon pressing PB, what will be the sequence?
a. A+ A- B+ B- C+ C-
b. A+ B+ B- C+ C- A-
c. A+ B+ C+ C- B- A-
d. A+ C+ B+ B- C- A-
b. A+ B+ B- C+ C- A-

What input addresses are HIGH during initial position?
a. I1, I2 and I3
b. I1, I3 and I5
c. I2, I4 and I6
d. I2, I3 and I4
c. I2, I4 and I6

On the 2nd step of the sequence, what input addresses are HIGH? Do
not include PB.
a. I3, I4, and I7
b. I3, I5, and I6
c. I2, I5, and I6
d. I2, I4, and I6
b. I3, I5, and I6

On what step will the sequence stop if output address Q3 has a broken cable going to the solenoid?
a. A+
b. B-
c. B+
d. C+
b. B-

On what step will the sequence stop if output address Q4 has a broken cable going to the solenoid?
a. A+
b. B-
c. B+
d. C+
d. C+
Typically, programmable controller systems installed inside an enclosure can withstand a maximum temperature of
a. 60oC outside the enclosure
b. 50oC outside the enclosure
c. 60oC inside the enclosure
d. 50oC inside the enclosure
c. 60oC inside the enclosure
What is NOT an advantage of having an online connection with the PLC using the programming device (computer) on board a ship?
a. Ease of troubleshooting by looking at the sequence of operation
b. Can diagnose problems with the modules connected to the CPU
c. Ease of checking I/Os that are not working properly
d. Can easily change program to rectify fault
d. Can easily change program to rectify fault
The frequency of periodic maintenance must depend on the
a. Availability of maintenance personnel, less personnel less frequent
b. the environment, the harsher the more frequent the periodic maintenance
c. Availability of spare parts; no spare parts means frequent periodic maintenance
d. Idle time of the machineries; when not in use, it’s the only time to do
maintenance
b. the environment, the harsher the more frequent the periodic maintenance
Why is it a good practice to clean dust build-up off of heat sinks and electric circuitry?
a. To make it look neat and tidy
b. To avoid obstruction on heat dissipation
c. To avoid short circuit cause by dust particles
d. Availability of spare parts; no spare parts means frequent periodic maintenance
b. To avoid obstruction on heat dissipation
The key in diagnosing I/O malfunctions is to:
a. Observe the LEDs
b. Check the I/O wiring
c. Measure the input or output voltage of the field devices
d. Isolate the problem to the module, the field device, or the field wiring
d. Isolate the problem to the module, the field device, or the field wiring
When is the used of an isolation transformer required?
a. In cases where the PLC loads are TRIACs
b. In cases where the PLC loads are large inductive coils
c. In cases where heavy equipment is likely to introduce noise onto the AC line
d. In cases where the inputs of PLC are all proximity sensors / outputs are transistor
c. In cases where heavy equipment is likely to introduce noise onto the AC line
If fuses are not incorporated in an output module, they should
a. be installed externally at the terminal block
b. be totally excluded from the output module circuit
c. be included depending on the budget
d. be excluded because it will entail additional cost
a. be installed externally at the terminal block
Compressed air has an absolute pressure of 7 Bar, if the temperature increase from 40oC to 50oC what will be the new absolute pressure? Volume is held constant.
A. 8.75 Bar
B. 7.5 Bar
C. 7.22 Bar
D. 6.19 Bar
C. 7.22 Bar
Volume of air was compressed to 1/8 of the volume. Absolute pressure of air increases from 1 Bar to 8.5 bar. If the air intake temperature is 20oC, what will be the new temperature of air after compression?
A. 21.25 degrees
B. 38.32 degrees
C. 160 degrees
D. 170 degrees
B. 38.32 degrees
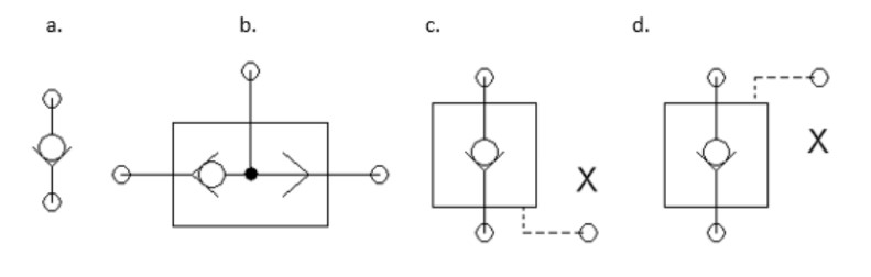
Select the symbol of a pneumatic motor

B.
Select the symbol for the OR logic valve.

B.
Select the symbol for the AND logic valve.

D.

Select the symbol for the pneumatic time delay valve
A.

Select the symbol for the 3/2 way valve, normally close
B.

Select the symbol for the 5/2 way valve.
D.
Why do we normally use piston type compressors for the Starting –Air System?
a. Piston type compressors have high pressure output, low flow delivery
b. Piston type compressors have low pressure output, low flow delivery
c. Piston type compressors have high pressure output, high flow delivery
d. Piston type compressors have low pressure output, high flow delivery
a. Piston type compressors have high pressure output, low flow delivery
Why do we normally use screw type compressors for the control air system?
A. For very low pressure output, low flow delivery
B. For very low pressure output, high flow delivery
C. For medium pressure output, low flow delivery
D. For medium pressure output, high flow delivery
D. For medium pressure output, high flow delivery
Explain how refrigeration method can be used to eliminate water from *0/1 the air system?
A. As temperature of air cools down, all water inside the system freezes and only air will pass through
B. As temperature of air cools down, all water inside the system condenses and only air will pass through
C. As temperature of air cools down, some water inside the system freezes and air will pass through
D. As temperature of air cools down, some water inside the system condenses and air will pass through
D. As temperature of air cools down, some water inside the system condenses and air will pass through
Why do we need to regulate pressure in the pneumatic system? * 0/1
A. Pressure regulation helps in making sure there is sufficient volume of air to move actuators
B. Pressure regulation helps in making sure there is high pressure of air to move actuators
C. Pressure regulation helps in making sure there is efficient amount of pressure to move valves or actuators
D. Pressure regulation helps in making sure there is correct volume of air to move valves or actuators
C. Pressure regulation helps in making sure there is efficient amount of pressure to move valves or actuators
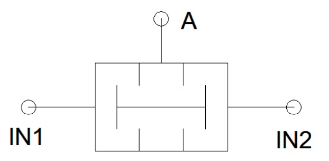
Based on the component, which statement is FALSE?

a. A = 1, IN1 = 1, IN2 =0
b. A = 1, IN1 = 0, IN2 =1
c. A = 1, IN1 = 1, IN2 =1
d. A = 1, IN1 = 0, IN2 =0
d. A = 1, IN1 = 0, IN2 =0
Based on the component, which statement is TRUE?

a. A = 1, IN1 = 1, IN2 =0
b. A = 1, IN1 = 0, IN2 =1
c. A = 1, IN1 = 1, IN2 =1
d. A = 1, IN1 = 0, IN2 =0
c. A = 1, IN1 = 1, IN2 =1
If roller is actuated the flow will be

a. 1 to 2
b. 2 to 3
c. 1 to 3
d. 1, 2 and 3 connected
a. 1 to 2
If button is actuated the flow will be

a. 1 to 2
b. 2 to 3
c. 1 to 3
d. 1, 2 and 3 connected
b. 2 to 3
If SOL1 is energized for 1 min and then de-energized, the flow will now be

a. 1 to 2
b. 2 to 3
c. 1 to 3
d. 1, 2 and 3 connected
b. 2 to 3
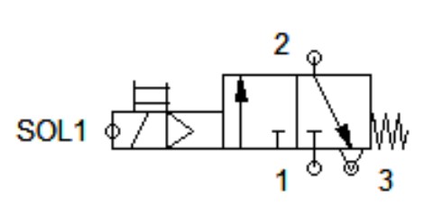
If SOL1 is energized the flow will be

a. 1 to 2, 4 to 5
b. 1 to 2, 4 to 3
c. 1 to 4, 2 to 3
d. 1 to 4, 2 to 5
c. 1 to 4, 2 to 3
If SOL2 is energized for 1 min and then de-energized, the flow will be

a. 1 to 2, 4 to 5
b. 1 to 2, 4 to 3
c. 1 to 4, 2 to 3
d. 1 to 4, 2 to 5
a. 1 to 2, 4 to 5
If SOL1 is energized for 1 min and then de-energized, the flow will be

a. 1 to 2, 4 to 5
b. 1 to 2, 4 to 3
c. 1 to 4, 2 to 3
d. 1 to 4, 2 to 5
c. 1 to 4, 2 to 3
Based on the circuit, what will be the movement of the pneumatic cylinder? (Ratio of Piston area with rod area is 2:1.)

a. Cylinder will not move, remain retracted.
b. Cylinder will move forward, 33% of the stroke length.
c. Cylinder will move forward, 50% of the stroke length.
d. Cylinder will move forward, 100% of the stroke length.
d. Cylinder will move forward, 100% of the stroke length.
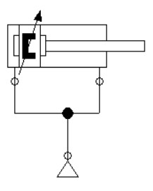
Without energizing the solenoid, how can you test the valve shown?

a. air supply at port 1, initial output at “2” , actuate manual override output at “4”, release manual override, output remains at “4”
b. air supply at port 1, initial output at “2” , actuate manual override output at “4”, release manual override, output at “2”
c. air supply at port 1, initial output at “4” , actuate manual override output at “2”, release manual override, output remains at “2”
d. air supply at port 1, initial output at “4” , actuate manual override output at “2”, release manual override, output at “4”
b. air supply at port 1, initial output at “2” , actuate manual override output at “4”, release manual override, output at “2”
Based on the circuit of the motor, what will be the movement of the pneumatic motor when supply air is available?

a. Motor will not move
b. Motor will rotate clockwise.
c. Motor will rotate counterclockwise
d. Impossible to determine
a. Motor will not move
Based on the circuit, is it normal to hear a hissing sound on port 3 when the cylinder is fully extended? Explain

a. YES. Because air from the rod side of the chamber will go out from port 2 to port 3
b. YES. Because air from the rod side of the chamber will go out from port 4 to port 3
c. NO. Because there is no more air in the piston side chamber.
d. NO. Because there is no more air in the rod side chamber.
d. NO. Because there is no more air in the rod side chamber
What is the proper way of testing pneumatic pressure gauge?
A. Connecting: Push tubing into fitting / Releasing: Pull tubing from fitting
B. Connecting: Push tubing into fitting / Releasing: Press down fitting "release ring" then pull tubing out from fitting
C. Connecting: Press down fitting "release ring" then push tubing into fitting / Releasing: Pull tubing out from fitting
D. Connecting: Press down fitting "release ring" then push tubing into fitting / Releasing: Press down fitting "release ring" then pull tubing out from fitting
B. Connecting: Push tubing into fitting / Releasing: Press down fitting "release ring" then pull tubing out from fitting
What is the proper way of testing pneumatic pressure gauge?
A. Check if reading is similar to remote reading from pressure transmitter
B. Compare the pressure gauge with other pressure gauges in the system
C. Check if reading is similar to previous pressure readings.
D. Use pressure calibrator and apply the 5-point check
D. Use pressure calibrator and apply the 5-point check
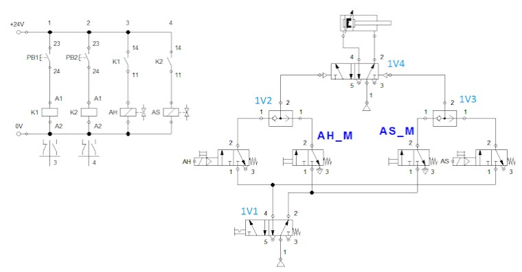
Which condition will cause the cylinder to extend?

a. At Manual mode, AH_M is activated / At Remote mode, PB1 is activated
b. At Manual mode, AS_M is activated / At Remote mode, PB1 is activated
c. At Manual mode, AH_M is activated / At Remote mode, PB2 is activated
d. At Manual mode, AS_M is activated / At Remote mode, PB2 is activated
a. At Manual mode, AH_M is activated / At Remote mode, PB1 is activated
Which condition will cause the cylinder to retract?

a. At Manual mode, AH_M is activated / At Remote mode, PB1 is activated
b. At Manual mode, AS_M is activated / At Remote mode, PB1 is activated
c. At Manual mode, AH_M is activated / At Remote mode, PB2 is activated
d. At Manual mode, AS_M is activated / At Remote mode, PB2 is activated
d. At Manual mode, AS_M is activated / At Remote mode, PB2 is activated
The cylinder can extend either from remote or manual control. However, the cylinder cannot retract (manual or remote). Choose the most logical cause of the problem.

a. Selector switch is not functioning well
b. AS_M Pushbutton is not actuating
c. AS solenoid valve is not actuating
d. 1V3 is broken
d. 1V3 is broken
The cylinder can retract either from remote or manual control. However, the cylinder cannot extend using remote control. Choose the most logical cause of the problem.

a. Selector switch is not functioning well
b. AH_M Pushbutton is not actuating
c. AH solenoid valve is not actuating
d. 1V2 is broken
c. AH solenoid valve is not actuating
The cylinder can extend and retract using manual control. However, the cylinder cannot extend and retract using remote control. Choose the most logical cause of the problem.

a. AH_M Pushbutton is not actuating
b. AH solenoid valve is not actuating
c. 1V4 is broken
d. 1V1 is broken
d. 1V1 is broken
If “S3” is always close, what will happen to the circuit?

a. Momentary S1 signal will extend cylinder and retract after hitting A1 for 5s
b. Momentary S1 signal will extend cylinder and retract immediately after 5s
c. Momentary S1 signal will extend cylinder but will immediately retract
d. Momentary S1 signal will extend cylinder but remain extended
b. Momentary S1 signal will extend cylinder and retract immediately after 5s
If “S2” is always open, what will happen to the circuit?

a. Momentary S1 signal will initiate a continuous cycle for 5 seconds only
b. Momentary S1 signal will initiate a continuous cycle
c. Momentary S1 signal will initiate a single cycle only
d. Momentary S1 signal will not be able start cycle
d. Momentary S1 signal will not be able start cycle
If “K2 at node 4” is always open , what will happen to the circuit?

a. Momentary S1 signal will extend cylinder and retract after hitting A1 for 5s
b. Momentary S1 signal will extend cylinder and retract immediately after 5s
c. Momentary S1 signal will extend cylinder but will immediately retract
d. Momentary S1 signal will extend cylinder but remain extended
c. Momentary S1 signal will extend cylinder but will immediately retract
Upon pressing S1, sequence will be ____.

a. A+ A- B+ B- reset (Single cycle)
b. A+ A- B+ B- reset (Continuous cycle)
c. A+ B+ A- B- reset (Single cycle)
d. A+ B+ A- B- reset (Continuous cycle)
d. A+ B+ A- B- reset (Continuous cycle)
Problem in the sequence exist, wherein Cylinder A and B retracts almost at the same time. What might be the most logical cause of the problem?

a. Limit switch “A0” is always open
b. Port 31 of contacts K2 and K3 are shorted
c. Open line between port 14 K2 and 24Vdc supply
d. Open line between port 14 K3 and 24Vdc supply
d. Open line between port 14 K3 and 24Vdc supply
If limit switch B1 will not open, what will be the sequence

a. A+ A- then stop
b. A+ B+ then stop
c. A+ A- B+ then stop
d. A+ B+ A- then stop
b. A+ B+ then stop
If connections of Solenoids Y1 and Y2 were accidentally interchanged with each other, what will be the effect in the sequence

a. B+ A+ then stop
b. B+ B- then stop
c. A+ A- continuously
d. B+ B- continuously
d. B+ B- continuously
If connections of Solenoids Y1 and Y2 were shorted with each other, what will be the effect in the sequence

a. A+/B+ simultaneously then stop
b. A+/B+ simultaneously then A-/B- simultaneously
c. A+/B+ simultaneously then A- , then B- reset
d. A+/B+ simultaneously then B- , then A- reset
a. A+/B+ simultaneously then stop
Water can damage seals of valves and actuators. It is considered a contaminant in the pneumatic system. All procedures helps eliminate water EXCEPT this method

a. Regular draining of condensate from the pneumatic tank/air bottle
b. Installation of Air drier in the system
c. Installation of proper heating system
d. Installation of proper cooling system
c. Installation of proper heating system
Pressure builds up when there is______.
a. Flow to the tank.
b. Resistance to flow.
c. Flow from the pump
d. No resistance on the pump.
b. Resistance to flow.
The direction of flow of fluid is always from __________.
a. Low pressure to high pressure
b. High pressure to low pressure
c. Cannot be determined
d. Either directions
b. High pressure to low pressure
Can we prevent turbulent flow in hydraulics?
a. Yes, by proper sizing of valves and actuators we can prevent it from
happening
b. No, because by closing and opening valves we create sudden drop in cross
sectional area which results in turbulent flow
c. No, because of the effect of the ambient temperature in the system
d. It all depends on the viscosity of the hydraulic oil.
b. No, because by closing and opening valves we create sudden drop in cross
sectional area which results in turbulent flow
Which of the following is not a function of the hydraulic fluid?
a. perform lubrication of moving parts
b. protection of the metal surfaces actually wetted by hydraulic fluid
c. transfer of hydraulic power to the pump from the hydraulic cylinder
d. carries contamination and dirt, abrasion, water, air, etc back to be filtered
c. transfer of hydraulic power to the pump from the hydraulic cylinder
What will be the effect of using oil with a lower viscosity grade?
a. It will be very difficult to actuate the valves and actuators
b. Reduction in lubrication and possible oil leak (internal or external)
c. More air will be trapped in the hydraulic oil and can cause cavitation
d. It has no effect in the system as long as you are using the same brand.
b. Reduction in lubrication and possible oil leak (internal or external)
One of the machineries onboard sets a high temperature alarm for the hydraulic oil at 50OC. What will be the effect if temperature goes higher than 50OC and no alarm was set?
a. The water in the oil will evaporate.
b. The air content of oil will start forming bubbles
c. The viscosity of oil will become so high; hard to pump oil
d. The viscosity of oil will become low; lubrication property of oil decreases
d. The viscosity of oil will become low; lubrication property of oil decreases
A hydraulic system is always composed of
a. Supply section and control section only
b. Supply section and drive section only
c. Control section and drive section only
d. Supply section, control section and drive section
d. Supply section, control section and drive section
Select the symbol for a pressure relief valve

A.
Select the symbol for a 3-way pressure regulating valve

C.
Select the symbol of a hydraulic pump

A.
Why is there a need for a check valve in the output side of the pump especially when using an accumulator
a. To avoid oil leak
b. To prevent oil from flowing back to the pump
c. To make sure that pressure will be retain on the output side
d. Helps the accumulator from supplying a stable pressure in the system
b. To prevent oil from flowing back to the pump
Select the symbol for un-lockable or de-lockable non return valve.

C.
Select the symbol for a shuttle valve.

B.
Select the symbol for a semi rotary actuator.

C.
This symbol is a ____

a. Air reservoir
b. Gas loaded accumulator
c. Spring loaded accumulator
d. Weight loaded accumulator
b. Gas loaded accumulator
If the port X of the unlockable check valve is blocked and unpressurized, what will be the effect?
a. Valve will always be closed on both directions
b. Valve will always be open on both directions
c. Valve will be like an ordinary check valve
d. Valve will still retain its normal function
c. Valve will be like an ordinary check valve
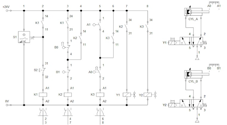
In the circuit, what will be the sequence when START button is pressed?

a. Cyl A extends then retracts, Cyl B extends then retracts, Cyl C extends then
retracts.
b. Cyl A extend, Cyl B extend, Cyl B retracts, Cyl A retracts, Cyl C extend then
retracts
c. Cyl C extends then retracts, Cyl B extends then retracts, Cyl A extends then
retracts.
d. Cyl C extend, Cyl A extend, Cyl A retracts, Cyl C retracts, Cyl B extend then
retracts
d. Cyl C extend, Cyl A extend, Cyl A retracts, Cyl C retracts, Cyl B extend then retracts
In circuit, what will be the effect in the sequence if limit switch A1 is not activating (contact is always open)? START button is pressed.

a. Sequence will be A+ then STOP
b. Sequence will be B+ then STOP
c. Sequence will be C+, A+ then STOP
d. Sequence will be C+ , C- , B+ , B- A+ then STOP
c. Sequence will be C+, A+ then STOP
In circuit, what will be the effect in the sequence if limit switch B1 is not activating (contact is always open)? START button is pressed.

a. Sequence will be C+, A+ A- C- B+ then STOP
b. Sequence will be C+, C- ,B+ then STOP
c. Sequence will be A+ B+ then STOP
d. Sequence will be B+ then STOP
a. Sequence will be C+, A+ A- C- B+ then STOP
In circuit, what will be the effect in the sequence if limit switch C1 is not activating (contact is always open)? START button is pressed.

a. Sequence will be A+ then STOP
b. Sequence will be B+ then STOP
c. Sequence will be C+ then STOP
d. Sequence will be C+ , C- then STOP
c. Sequence will be C+ then STOP
In circuit, what is the most probable fault in the system when the sequence is doing repetitive cycle of A+ then A-. Cylinder A extends right away as soon as it leaves A1.

a. Limit switch A1 is defective
b. Limit switch A0 is defective
c. Latching circuit for contact K3 at node 6 is faulty
d. Latching circuit for contact K4 at node 8 is faulty
c. Latching circuit for contact K3 at node 6 is faulty
In circuit, what is the most probable fault in the system, when the sequence does not start upon pressing the START button.
Result of testing conducted by the ETO:
Voltage across Coil K1 is 24Vdc
Voltage across solenoid Y3 is 24Vdc
Cylinder C extends with the help of manual override in the 4/2 way valve

a. Contacts of K1 is defective
b. Limit switch B0 is already open
c. Contact K4 at node 14 is already open
d. Link between Solenoid Y3 and 4/2way valve is defective
d. Link between Solenoid Y3 and 4/2way valve is defective