1/19
Looks like no tags are added yet.
Name | Mastery | Learn | Test | Matching | Spaced | Call with Kai |
|---|
No analytics yet
Send a link to your students to track their progress
1.1. Mit csinál egy négyszögjellel egy tranzisztoros inverter?
- A tranzisztoros inverter a bemeneti négyszögjel magas szintjét (logikai 1) alacsony szintre (logikai 0) alakítja, és fordítva.
- Ha a bemeneti jel 0V (alacsony), az inverter kimenete 5V (magas) és fordítva.
1.2. (Négyszögjel -> tranzisztoros inverter)
Mutassa be négyszögjelet a bemeneti és a kimeneti jelalakot két csatornán, időtartományon, ügyelve a tengelyek megfelelő
feliratozására.
Tengelyek:
· Az X tengely az időt (t) mutatja, általában másodpercekben (s) vagy milliszekundumban (ms) stb.
· Az Y tengely a jel amplitudóját (V) mutatja, álltalában volttal (V) mérve.
Jelalakok:
- Bemeneti jel (pl.: kék): Egy négyszögjel, ami 0V-ról 5V-ra változik.
- Kimeneti jel (pl.: piros): Az inverter kimenete a bemeneti jel ellentéte, tehát ha a bemenet 0V =>kimenet 5V, bemenet 5V => kimenet 0V.

2.0. Milyen paraméterekkel tudna jellemezni egy (nem ideális) négyszögjelet?
1. Amplitúdó (A)
2. Frekvencia (f)
3. Ciklushossz (T)
4. Kitöltési tényező (D)
5. Élváltási idő
Nem ideális négyszögjel esetén:
6. Túllövés
7. Becsapódás
8. Elhúzódás
9. Fázistolás
2.1. Négyszögjel jellemzése: mi az amplitúdó?
Amplitúdó (A): A négyszögjel legmagasabb és legalacsonyabb pontja közötti különbség.
2.2. Négyszögjel jellemzése: mi a frekvencia?
Frekvencia (f): Milyen gyakran ismétlődik a négyszögjel egy adott időtartam alatt.
2.3. Négyszögjel jellemzése: mi a ciklushossz?
Ciklushossz (T): Egy teljes négyszögjel periódusának hossza, amely a frekvencia inverzével egyenlő, tehát T=1fl=f1.
2.4. Négyszögjel jellemzése: mi a kitöltési tényező?
Kitöltési tényező (D): A „fel” állapotban töltött idő hossza az összes ciklusidőhöz képest, százalékban kifejezve. Ha a négyszögjel fele idejét „fel” állapotban és fele idejét „le ” állapotban tölti, akkor a kitöltési tényező 50%.
2.5. Négyszögjel jellemzése: mi az élváltási idő?
Élváltási idő: Az a minimális idő, ami alatt a jel átvált a legmagasabb pontjáról a legalacsonyabbra vagy fordítva.
2.6. Nem ideális négyszögjel jellemzése: mi a túllövés?
Túllövés (Overshoot): Amikor a jel átmegy a kívánt amplitúdón, mielőtt stabilizálódik.
2.7. Nem ideális négyszögjel jellemzése: mi a becsapódás?
Becsapódás (Ringing): Amikor a jel „rezonál” vagy oszcillál a kívánt érték körül, mielőtt stabilizálódik.
2.8. Nem ideális négyszögjel jellemzése: mi az elhúzódás?
Elhúzódás: (Rise/Fall time): Az az idő, amely alatt a jel eléri a kívánt amplitúdót a legmagasabb vagy legalacsonyabb értékéről. Egy ideális négyszögjel azonnal vált, de a valóságban mindig van némi késleltetés.
2.9. Nem ideális négyszögjel jellemzése: mi a fázistolás?
Fázistolás: Amikor a jel eltolódik időben egy referenciajelhez képest.
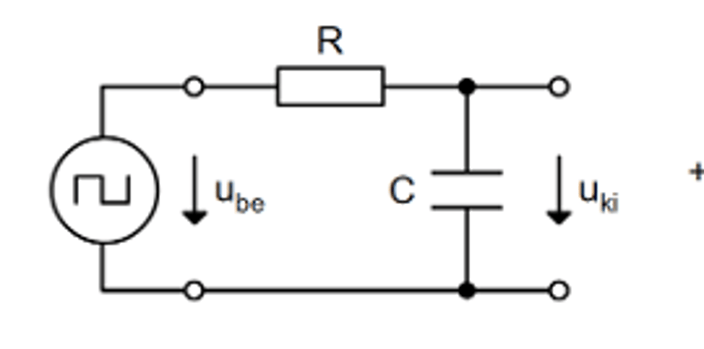
3.1. Mit jelent az időállandó egy soros RC kapcsolásnál?
Egy RC áramkör időállandója azt mutatja, hogy milyen gyorsan reagál a rendszer a bemeneti feszültség változásaira. Az időállandó segítségével kiszámolhatjuk, hogy mennyi idő alatt áll be a kondenzátor feszültsége a töltési folyamat esetén: a kondenzátor feszültsége a végleges érték 63%-ára, kisütési folyamat esetén: a kondenzátor feszültsége a kiindulási értékének 37%-ára.

3.2. Hogyan számoljuk ki az időállandót egy soros RC kapcsolásnál?
τ = R⋅C
τ (tau) = időűállandó (s)
R = állenállás értéke (Ω)
C = A kondenzátor kapacitása (F = farad)
3.3. Időállandó ábrázolása egy soros RC kapcsolásnál.

4. INVERTER (NOT kapu) igazságtágla

5. AND kapu igazságtáblája

6. NAND kapu igazságtálája

7. XOR kapu igazságtáblája

8. Mire jó az optocsatoló?
Az optocsatoló egy olyan eszköz, amely két áramkör között fény útján biztosítja a jelátvitelt elektromos kapcsolat nélkül.
Egy fényemittáló dióda és egy fototranzisztor által biztosít galvanikus leválasztást, így védi az áramköröket a potenciális túlfeszültségtől és zavaroktól.