1/19
Looks like no tags are added yet.
Name | Mastery | Learn | Test | Matching | Spaced | Call with Kai |
|---|
No analytics yet
Send a link to your students to track their progress

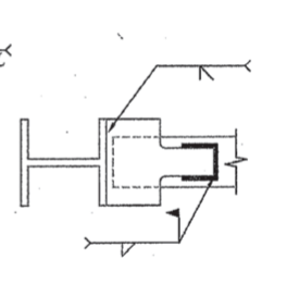
What Does (A) Mean?
1/4” Fillet Weld, Shop Welded on near side

What does (B) Mean
1/4” Fillet Weld, Field Welded on Both Sides

What does (C) Mean?
1/4” Fillet Weld, Field Weld all around, use E80 Electrodes

What does (D) Represent?
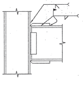
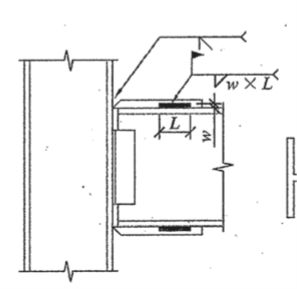
1/4” Fillet Weld, Shop Welded on far side, 3” Long welds at 8” OC

What does (E) Represent?
Single Bevel Weld, Field Welded with backing bar
What is the hardest to weld on site?
Overhead

List Braced Frames in Order (A-C)
A X Brace
B Chevron Brace
C Knee Brace

List in Order (A-F)
A Butt
B Plug
C Spot
D Compound
E Edge
F Fillet
Most Common Structural Inefficiency in the Load Path
connections between elements fail (joints/welds/bolts), not the beams or columns themselves.
Fully Restrained (FR) vs Partially Restrained (PR) connection difference
FR acts more as a roller connection as its welded onto a column (locked in place)
PR acts more as a pinned connection as it connected by a hingle (restrained movement)

What type of connection is this ?
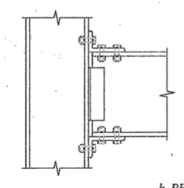
(FR) Bolted Flange Connection

What type of connection is this?
(FR) Fully Welded Connection

What type of connection is this?
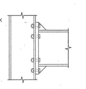
(FR) End Plate Connection

What type of connection is this?
(PR) Shear Tab Connection

What type of connection is this?
(PR) Seated Connection

What type of connection is this?
(PR) Flexible Framed Connection

Label all of these
A Overhead Weld
B Vertical Weld
C Horizontal Weld
D Flat Weld
What is a structural fuse
a structural failsafe added to buildings
Where do curtain walls hang from
Outside
What does Curtain Wall (Shower Curtain) do (2 things)
Keep Rain and Wind out of building