1/53
Looks like no tags are added yet.
Name | Mastery | Learn | Test | Matching | Spaced | Call with Kai |
|---|
No analytics yet
Send a link to your students to track their progress
werkblad
1

poten
2

kasten of laden
3

bankschroef
4

aftekengereedschappen
5

bewerkingsgereedschappen
6

vaste bek
1

beweegbare bek
2

schroef
3

hefboom
4

moer
5

lippen
6

vaste bek
1

staart
2

steun
3

beweegbare bek
4

bout
5

hefboom
6

schroef
7

moer
8

lippen
9

platte veer
10

voet
1

boortafel
2

kolom
3

rompstuk
4

kleminrichting rompstuk
5

motor
6

hoogteregeling
7

boorbus met boorspil
8

boorhouder
9

hefboom
10

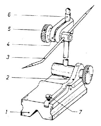
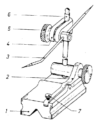
voetstuk
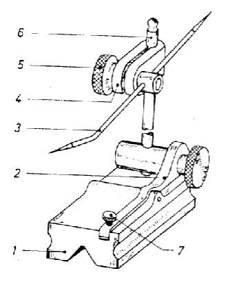
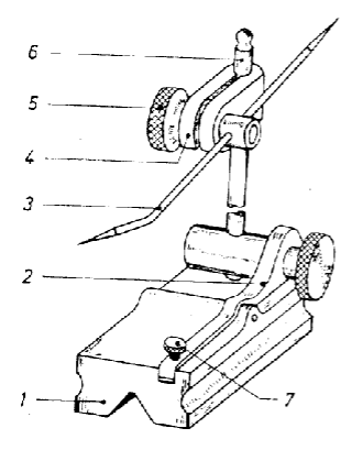
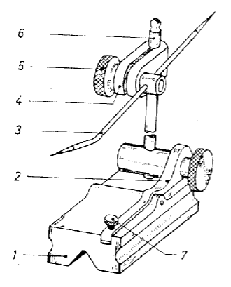
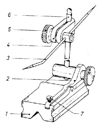
1

tuimelaar
2

krasnaald
3

schuifblok
4

klemschroef
5

spil
6

regelschroef
7

voetstuk
1

krasmes
2

beugel
3

regelschroef
4

meetlat
5

klemschroef
6

schuif met nonius
7

oog
1

baan
2

pen
3

hamersteel
4

hamerspie
5

bled
1

kling
2

handvat
3
