1/10
Looks like no tags are added yet.
Name | Mastery | Learn | Test | Matching | Spaced |
|---|
No study sessions yet.

Buck Converter

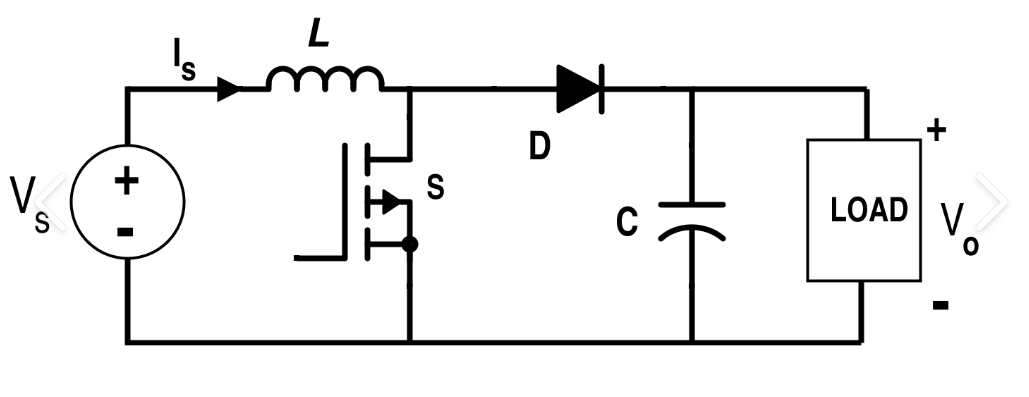
Boost Converter
DC to DC
Chopper
DC to AC
Inverter
AC to DC
Rectifier
AC to AC
controller
Flyback/Snubber
Protect semiconductor switches from inductor discharge
SCR control
Current controlled
BJT control
current controlled
MOSFET control
voltage controlled
IGBT control
voltage controlled