1/31
Looks like no tags are added yet.
Name | Mastery | Learn | Test | Matching | Spaced | Call with Kai |
|---|
No analytics yet
Send a link to your students to track their progress
What are logic gates?
Are fundamental electronic circuits in digital systems, which perform logical operations/ boolean functions on one or more logical inputs and produce a single output.
What a logical inputs?
They are binary inputs - 0s (logic LOW) and 1s (logic HIGH)
Which represent TRUE/ FALSE or ON/ OFF
What are ideal logic gates?
Gates that perform logical operations/ boolean functions with,
Zero rise time
Unlimited fan loading
infinite speed, zero power, zero delay and unlimited output driving ability
What categories can logic gates be divided into?
Basic Gates
Universal Gates
Advanced Gates
What are the Basic Gates?
AND, OR, NOT
What is the AND function?
It performs a logical multiplication.
Output is HIGH, when both Inputs are HIGH
Output is LOW, when any one of the Inputs is LOW


Find the answer for X

Applications of the AND gate
used to trigger actions if all the conditions are met
Building adders/ multipliers in CPUs (ALUs)
Controlling traffic lights
Security systems (multiple triggered)
Creating multiplexers/ decorders

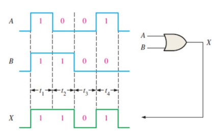
What is the OR function?
Performs a logical addition.
Output is HIGH, when any one of the Input is HIGH
Output is LOW, when both Inputs are LOW


Find X

Applications of the OR gate
used to trigger actions if any of the conditions are met.
Alarm systems (Fire, car doors)
Control systems (detecting high temp, pressure)
Designing multiplexers
ALUs
Data routing

NOT gate function
Also known as the Inverter.
Output is HIGH, when Input is LOW
Output is LOW, when Input is HIGH

What is a Universal gate?
A gate that can implement any BOOLEAN function without the need to use any other gate type.
Main two types of UNIVERSAL GATES?
NAND and NOR
Why is the practice of using Universal gates considered advantageous?
NAND and NOR gates are,
Economical
Easier to fabricate
Are basic gates used in ICs
How are AND and OR gates typically implemented?
AND gate = NAND gate followed by an inverter
OR gate = NOR gate followed by an inverter
What is a NAND gate?
It is a contraction AND-NOT.

NAND gate function
Output is HIGH, when both inputs are LOW/ any one of the input is LOW
Output is LOW, when both inputs are HIGH


?

What does the bubble next to a logic gate indicate?
Active LOW state
What are ‘ACTIVE LOW’ and ‘ACTIVE HIGH’?
ACTIVE LOW - Output is HIGH, when Input is LOW (inversely proportional)
ACTIVE HIGH - Output is HIGH, when Input is HIGH (directly proportional)
What is a NOR gate?
It is a contraction of OR-NOT.

NOR gate function?
Output is HIGH, when both inputs are LOW
Output is LOW, when one or both inputs are HIGH


?

Applications of NAND and NOR gates
Memory (latches, flip flops)
Used as Universal gates
Alarm systems, timers, encorders, decorders
Creating CPUs
Calculators

Find X?


Find X?

What is an X-OR gate? (Exclusive-OR) function?
It is digital logic gate where,
Output is HIGH, when Inputs are different
Output is LOW, when Inputs are the same



What is an Exclusive-NOR gate? (X-NOR) function?
It is a digital logic gate where,
Output is HIGH, when Inputs are the same
Output is LOW, when inputs are different

What is an integrated circuit (IC)?
also known as a chip or microchip, is a compact assembly of electronic circuits formed by various components such as transistors, resistors and capacitors, all fabricated on a single piece of semiconductor material, typically silicon.