1/7
Looks like no tags are added yet.
Name | Mastery | Learn | Test | Matching | Spaced | Call with Kai |
|---|
No analytics yet
Send a link to your students to track their progress

Produkcja acetofenonu, z bezwodnika kwasu octowego, benzenu (i AlCl3 katalizatorem kwasem lewisa)

Produkcja fenacetyny - z para-fenetydyny, benzenu i bezwodnika kwasu octowego

Produkcja kwasu acetylosalicylowego - z kwasu salicylowego, bezwodnika kwasu octowego i benzenu

Produkcja octanu butylu - z kwasu octowego, butanolu i z użyciem kationitów

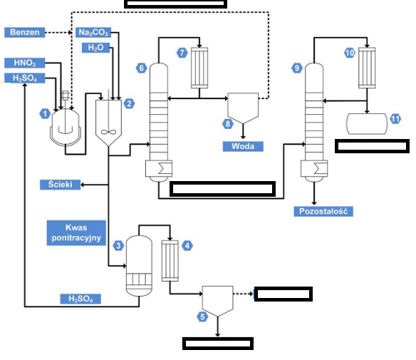
Nitrowanie benzenu - nitrobenzen - z benzenu, kwasu azotowego i siarkowego (mieszanina nitrująca)


produkcja nitrogliceryny
z gliceryny i kwasu azotowego + siarkowego (mieszanina nitrująca)


Sulfonowanie benzenu
z benzenu i kwasu siarkowego, prowadzące do powstania benzenosulfonianu.


Produkcja sulfanilamidu
z acetanilidu i kwasu chlorosulfonowego (HSO2Cl)
