EGAD Midterm Review

0.0(0)
studied byStudied by 0 people
0.0(0)
full-widthCall with Kai
GameKnowt Play
New
learnLearn
examPractice Test
spaced repetitionSpaced Repetition
heart puzzleMatch
flashcardsFlashcards
Card Sorting

1/103

encourage image

There's no tags or description

Looks like no tags are added yet.

Study Analytics
Name
Mastery
Learn
Test
Matching
Spaced

No study sessions yet.

104 Terms

1
New cards

Engineering Design Process

knowt flashcard image
2
New cards

Why is freehand drawing beneficial?

Quick technical drawings, or modifications
• Developing ideas, before & during CAD work
• Presenting conceptual sketches, and debating alternatives
• To aid communication during a technical discussion

3
New cards

Size of engineering lettering

1/8'‘or 3mm

4
New cards

Oblique

One true face

Other faces projected at an angle

<p>One true face</p><p>Other faces projected at an angle</p>
5
New cards

Axonometric

Means “to measure along axes”

Three-dimensional pictorial image of an object

Can be difficult to draw depending on angle of view

<p>Means “to measure along axes”</p><p>Three-dimensional pictorial image of an object</p><p>Can be difficult to draw depending on angle of view</p>
6
New cards

Isometric

Specific axonometric view

Equal proportions for all views

True measurements along three primary axes

Preferred view in technical drawing

<p>Specific axonometric view</p><p>Equal proportions for all views</p><p>True measurements along three primary axes</p><p>Preferred view in technical drawing</p>
7
New cards

Isometric projection

knowt flashcard image
8
New cards

Functions of engineering drawings

Analysis

Production

Maintenance

Assembly

Operation

9
New cards

Types of engineering drawing

Concept Drawings

Detail Drawings

Assembly Drawing

10
New cards

Concept drawing

knowt flashcard image
11
New cards

Detail drawing

knowt flashcard image
12
New cards

Assembly drawing

knowt flashcard image
13
New cards

Border (eng drawings)

Approximately ¼ inch (6 mm) from the outer

perimeter of the drawing sheet; shows a drawing is

complete

14
New cards

Zoning (eng drawings)

A grid system of letters and numbers; allows

reference to various drawing regions (we won’t be focusing on this in EGAD)

15
New cards

Title blocks (eng drawings)

Located in the lower right-hand corner of a drawing and

typically include:

• Company Name

• Main Title and Subtitle

• Scale

• Drawing Date

• Name (possibly also “Checked by” and “Approved by”)

• Drawing Number, Revision Number, Revision Date

Most companies have a pre-formatted title block

Some drawings require an engineer’s stamp

16
New cards

Our title blocks (eng drawings)

knowt flashcard image
17
New cards

Bill of Materials (BOM) (eng drawings)

a parts list containing the following:

• Name

• Component part numbers

• Material

• Basic dimensions

• Required

18
New cards

Revision column (eng drawings)

• Records changes and approvals

• Numbered, date, brief description of the change, signatures

19
New cards

Notes (eng drawing)

information necessary for the drawing that don’t fit anywhere else

20
New cards

Legend (eng drawings)

explains uncommon drawing symbols

21
New cards

Object line weight

0.6 mm

22
New cards

Hidden line line weight

0.3

23
New cards

Centreline line weight

0.05

24
New cards

Dimension/extension line weight

0.05

25
New cards

Baseline dimensioning

• In baseline dimensioning, all dimensions in your drawing are measured relative to a specified reference point

• This reference point is called a Datum

*datums can also be object lines

<p>• In baseline dimensioning, all dimensions in your drawing are measured relative to a specified reference point</p><p>• This reference point is called a Datum</p><p>*datums can also be&nbsp;object lines</p>
26
New cards

Vertically dimensioning a circle

Always weasure to the centre

<p>Always weasure to the centre</p>
27
New cards

VERTICAL 3-AXIS MILLING MACHINE

• Also known as a:

• Mill

• Milling machine

• Bridgeport mill

• Manual milling machine

• Used for high precision cutting operations

• Cranks are used to move the table in xyz

• Workpiece is fixed to table and moved against rotating tool

Tooling is mounted to the spindle. Measurements can be taken from the crank or digital readout. Machinists establish a datum by zeroing out the digital readout.

<p>• Also known as a:</p><p>• Mill</p><p>• Milling machine</p><p>• Bridgeport mill</p><p>• Manual milling machine</p><p>• Used for high precision cutting operations</p><p>• Cranks are used to move the table in xyz</p><p>• Workpiece is fixed to table and moved against rotating tool</p><p>Tooling is mounted to the spindle. Measurements can be taken from the crank or digital readout. Machinists establish a datum by zeroing out the digital readout.</p>
28
New cards

Orthographic view

An object can be viewed from

6 orthogonal (i.e. 90° apart)

directions, also known as the

principal views:

1. Top

2. Front

3. Right Side

4. Left Side

5. Rear

6. Bottom

When creating your orthographic views, they must be placed in the correct orthographic position/orientation

• Everything is projected off the Front view

• i.e. Top view is always above the Front view, Right-side is always to the right of the Front view, etc.

*only include hard edges (no curvature)

<p>An object can be viewed from</p><p>6 orthogonal (i.e. 90° apart)</p><p>directions, also known as the</p><p>principal views:</p><p>1. Top</p><p>2. Front</p><p>3. Right Side</p><p>4. Left Side</p><p>5. Rear</p><p>6. Bottom</p><p>When creating your orthographic views, they must be placed in the correct orthographic position/orientation</p><p>• Everything is projected off the Front view</p><p>• i.e. Top view is always above the Front view, Right-side is always to the right of the Front view, etc.</p><p>*only include hard edges (no curvature)</p>
29
New cards

Third angle projection

Views oriented from the perspective of an outside

observer

• The plane of projection

(drawing surface) is between

the object and the observer

• North America typically uses

third angle projection

• Europe and Asia typically use

first angle projection

<p>Views oriented from the perspective of an outside</p><p>observer</p><p>• The plane of projection</p><p>(drawing surface) is between</p><p>the object and the observer</p><p>• North America typically uses</p><p>third angle projection</p><p>• Europe and Asia typically use</p><p>first angle projection</p>
30
New cards

Picking orthographic views

Maximize clarity by:

• Matching intuitive orientation (T/F/RS)

• Reducing hidden lines

• Showing the most relevant features

31
New cards

Orthographic views of common shapes

knowt flashcard image
32
New cards

Auxiliary views

Used when the standard views will

not provide a desired detail

• It is an orthogonal projection – at an

angle to the primary views

• You are not expected to be an expert

on auxiliary views, but a general

understanding is required

<p>Used when the standard views will</p><p>not provide a desired detail</p><p>• It is an orthogonal projection – at an</p><p>angle to the primary views</p><p>• You are not expected to be an expert</p><p>on auxiliary views, but a general</p><p>understanding is required</p>
33
New cards

Tap and Die

TAPS

• Used for cutting internal threads into a hole

• Note the tapered tip

• Cannot tap to the bottom of a “blind” hole (i.e. a hole that doesn’t go all the way through)

DIES

• Used for cutting external threads (i.e. threaded rods and bolts)

<p>TAPS</p><p>• Used for cutting internal threads into a hole</p><p>• Note the tapered tip</p><p>• Cannot tap to the bottom of a “blind” hole (i.e. a hole that doesn’t go all the way through)</p><p>DIES</p><p>• Used for cutting external threads (i.e. threaded rods and bolts)</p><p></p>
34
New cards

Chamfer

A bevelled edge, consistent angle

• Chamfers are relatively small (<1”)

• Usually on outer edges

• Typically produced by “knocking off” a corner

• Not a mating surface

Functions:

• Appearance

• Safety: removes sharp edges

• Part interactions/fit: easier lead-in

<p>A bevelled edge, consistent angle</p><p>• Chamfers are relatively small (&lt;1”)</p><p>• Usually on outer edges</p><p>• Typically produced by “knocking off” a corner</p><p>• Not a mating surface</p><p>Functions:</p><p>• Appearance</p><p>• Safety: removes sharp edges</p><p>• Part interactions/fit: easier lead-in</p>
35
New cards

Fillets

A curved edge, consistent radius

• Fillets typically have a small radius (<1”)

• Always tangent to both faces

• Rounds off existing corners

• Allows material to be left after a machining process

<p>A curved edge, consistent radius</p><p>• Fillets typically have a small radius (&lt;1”)</p><p>• Always tangent to both faces</p><p>• Rounds off existing corners</p><p>• Allows material to be left after a machining process</p>
36
New cards

Function of fillets

• Appearance

• Safety: removes sharp edges

• Cost reduction: ease of machining = less time spent

• Strength: reduces stress concentrations

<p>• Appearance</p><p>• Safety: removes sharp edges</p><p>• Cost reduction: ease of machining = less time spent</p><p>• Strength: reduces stress concentrations</p>
37
New cards

Dimensioning chamfers and fillets

knowt flashcard image
38
New cards
term image
knowt flashcard image
39
New cards

Tape Measure

End wiggles around so you can hook it onto things/push it up against things.

Slot on the end for hooking onto screws.

Max tape measure resolution: 1/16”

*Woodworking has tolerances between 1/64” and 1/8”

<p>End wiggles around so you can hook it onto things/push it up against things.</p><p>Slot on the end for hooking onto screws.</p><p>Max tape measure resolution: 1/16”</p><p>*Woodworking has tolerances between 1/64” and 1/8”</p>
40
New cards

Curves and design considerations

knowt flashcard image
41
New cards

Cutting plane line weight

0.8mm

42
New cards

Hatching line weight

0.15mm

43
New cards

Section views

Why?

1. To reveal internal geometric properties

2. To communicate graphical details clearly

3. To avoid a mess of hidden lines

4. To show material composition

• Whenever possible, section views are aligned in proper orthographic position with the view that contains the section line (and can go in place of an existing view)

• Note: Do not include hidden lines in section views

Uses:

1. Round objects such as wheels and pulleys

2. Parts with webs and fillets

3. Parts that have complex holes in them

4. Enclosed spaces where material has been removed

5. Equipment layouts

6. Assembly views

<p>Why?</p><p>1. To reveal internal geometric properties</p><p>2. To communicate graphical details clearly</p><p>3. To avoid a mess of hidden lines</p><p>4. To show material composition</p><p>• Whenever possible, section views are aligned in proper orthographic position with the view that contains the section line (and can go in place of an existing view)</p><p>• Note: Do not include hidden lines in section views</p><p>Uses:</p><p>1. Round objects such as wheels and pulleys</p><p>2. Parts with webs and fillets</p><p>3. Parts that have complex holes in them</p><p>4. Enclosed spaces where material has been removed</p><p>5. Equipment layouts</p><p>6. Assembly views</p>
44
New cards

Offset cutting planes

• Two important notes about offset cutting planes:

• Any jogs in your cutting plane must be perpendicular to your view

• Any hard edges created by the cutting place do not appear in the sectional

view, as those hard edges don’t actually exist in the part

<p>• Two important notes about offset cutting planes:</p><p>• Any jogs in your cutting plane must be perpendicular to your view</p><p>• Any hard edges created by the cutting place do not appear in the sectional</p><p>view, as those hard edges don’t actually exist in the part</p>
45
New cards

Aligned cutting plane

*If cutting through thin material (i.e. < 1 cm thick), you do not hatch that section even if you’re cutting through it

<p>*If cutting through thin material (i.e. &lt; 1 cm thick), you do not hatch that section even if you’re cutting through it</p>
46
New cards

Combined aligned and offset section

knowt flashcard image
47
New cards

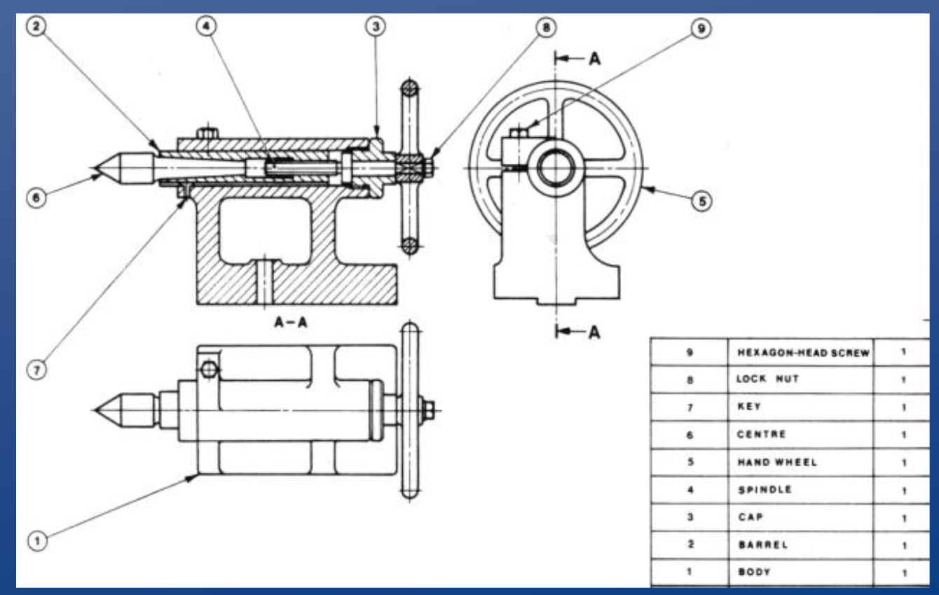
Revolved section

knowt flashcard image
48
New cards

Assembly section view

knowt flashcard image
49
New cards

Hatching adjacent components

knowt flashcard image
50
New cards

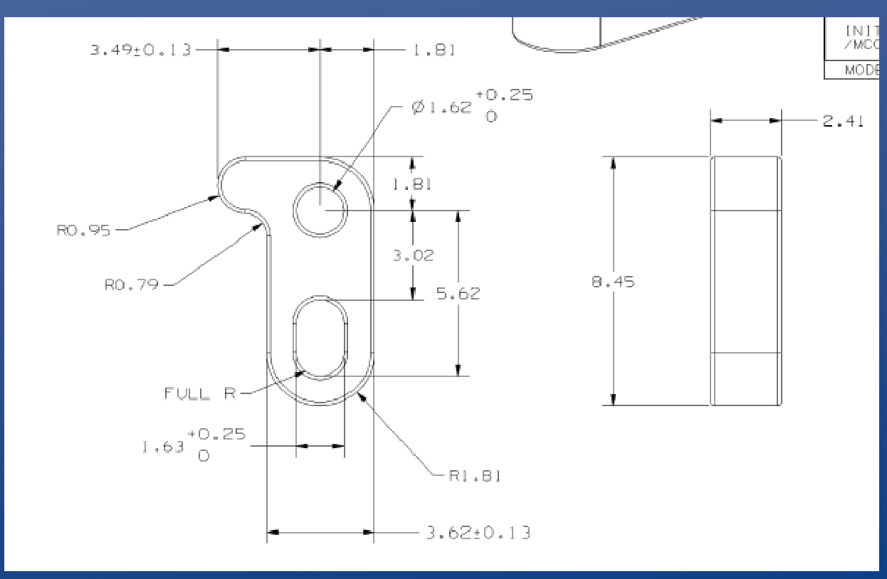
Dimensioning terminology

knowt flashcard image
51
New cards
  1. Every dimension should…

a. Be clear so that it can be interpreted in only one way

b. Be kept off the part wherever possible

c. Denoted features in one view only (if possible); e.g. diameter and depth of drilled hole

52
New cards

2. A dimension line should never…

be joined end to end with any line of the drawing

53
New cards

3. Dimension lines should be spaced uniformly;

they should be ~10mm (3/8”) from the object outline and 6mm (1/4”) apart

54
New cards

4. Longer dimensions should be placed

outside all smaller dimensions, so that dimension lines do not cross extension lines

*It is okay to cross extension lines, but dimension lines should never be crossed

55
New cards
56
New cards
57
New cards
58
New cards
59
New cards
60
New cards
61
New cards
62
New cards
63
New cards
64
New cards
65
New cards
66
New cards
67
New cards
68
New cards
69
New cards
70
New cards
71
New cards
72
New cards
73
New cards
74
New cards
75
New cards
76
New cards
77
New cards
78
New cards
79
New cards
80
New cards
81
New cards
82
New cards
83
New cards
84
New cards
85
New cards
86
New cards
87
New cards
88
New cards
89
New cards
90
New cards
91
New cards
92
New cards
93
New cards
94
New cards
95
New cards
96
New cards
97
New cards
98
New cards
99
New cards
100
New cards