1/32
Looks like no tags are added yet.
Name | Mastery | Learn | Test | Matching | Spaced | Call with Kai |
|---|
No analytics yet
Send a link to your students to track their progress

identify
mention one site
simple squamous epithelium
aorta

identify
mention one site
simple cuboidal epithelium
thyroid follicles

identify
mention one site
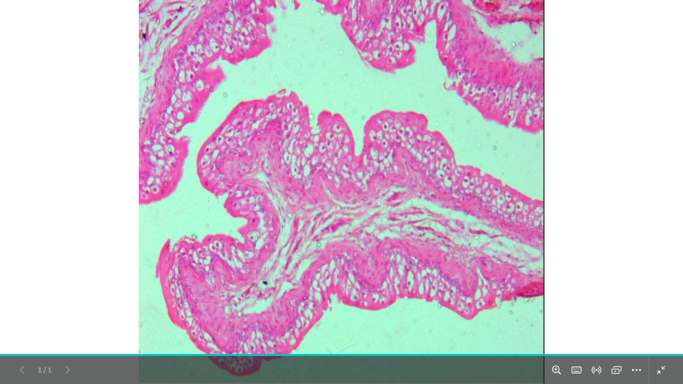
simple columanr secratory epithelium
stomach

identify
mention one site
pseudo stratified columnar ciliated epithelium
trachea

identify
mention one site
keratinized stratified squamous epithelium
epidermis of the skin

identify
mention one site
non keratinized stratified squamous epithelium
esophagus

identify
mention one site
non keratinized stratified squamous epithelium
esophagus

identify
mention one site
neuroepithelium
taste buds

identify
mention one site
transitional epithelium
يفرق عن ال non keratinized squamous
انه فلات من تحت ومن فوق umbrella
التاني كان فلات من فوق ومن تحت wavy كدا

identify
mention one site
transitional epithelium
urinary bladder

identify
mention one site
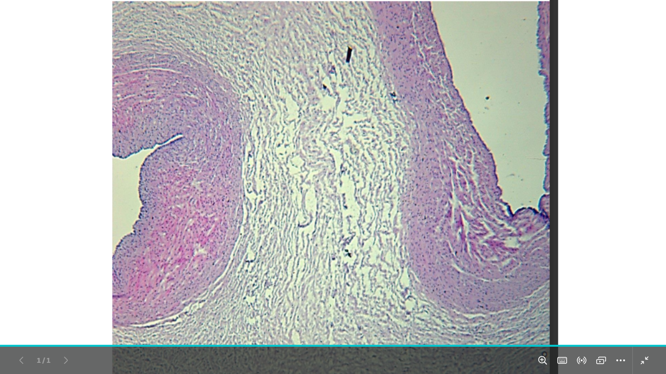
dense regular collagenous c.t
tendon

identify
mention one site
dense regular collagenous c.t
tendon

identify
mention one site
mention the stain
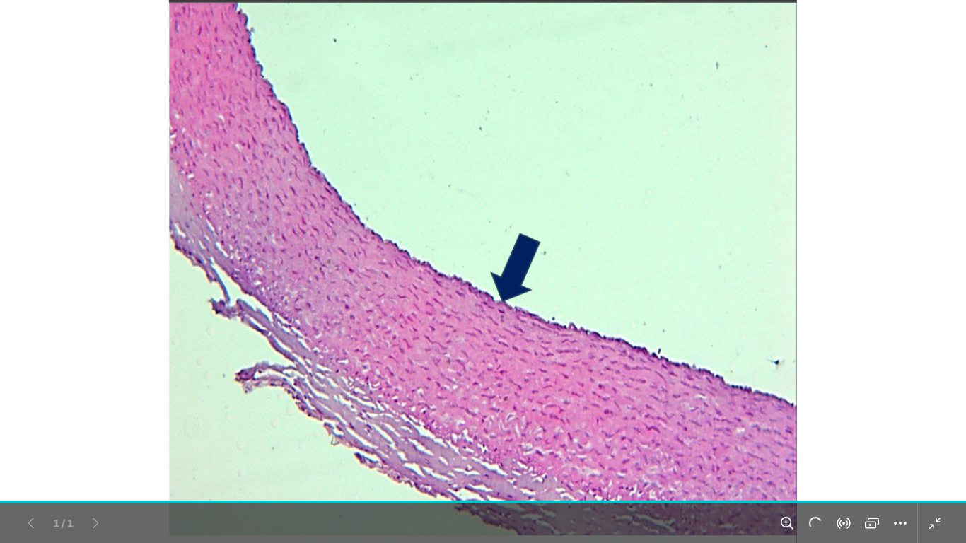
dense regular elastic c.t
aorta
ver hoef’s stain

identify
mention one site
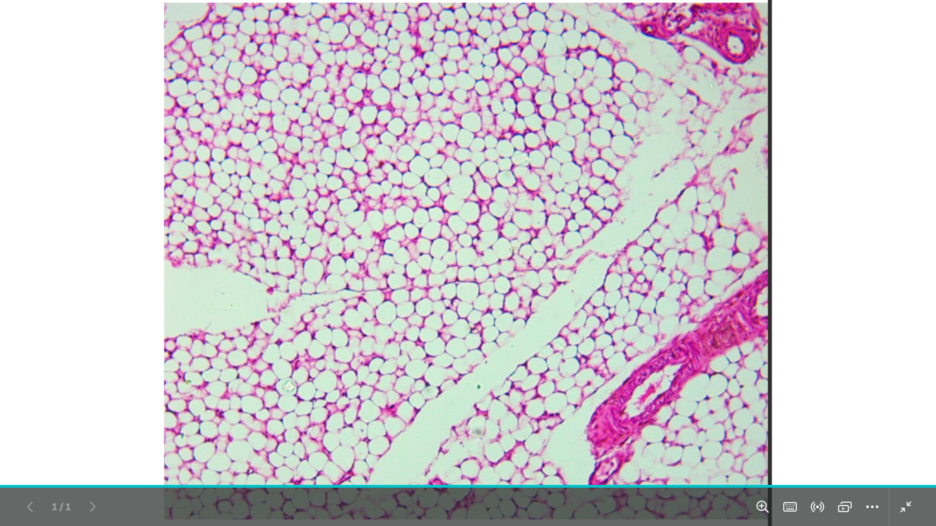
unilocular adipose c.t
adult subcutaneous tissue

identify
mention one site
unilocular adipose c.t
adult subcutaneous tissue

identify
mention one site
mucoid c.t
umblical cord

identify 1 2 3
1 phospholipid molecules
2 transmembranous protein
3 cell coat (glycolipid)

identify
mention the thickness
appears by TEM as ?
structure of cell membrane
7.5-10nm in diameter
لازم تكتب Nm
trilaminar

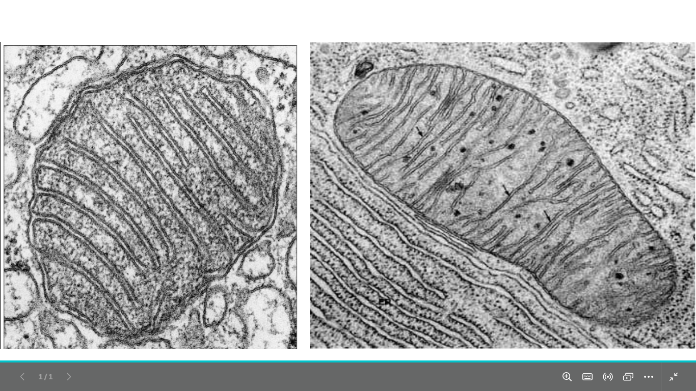
identify
mention the function
mitochondria
energy production (atp)

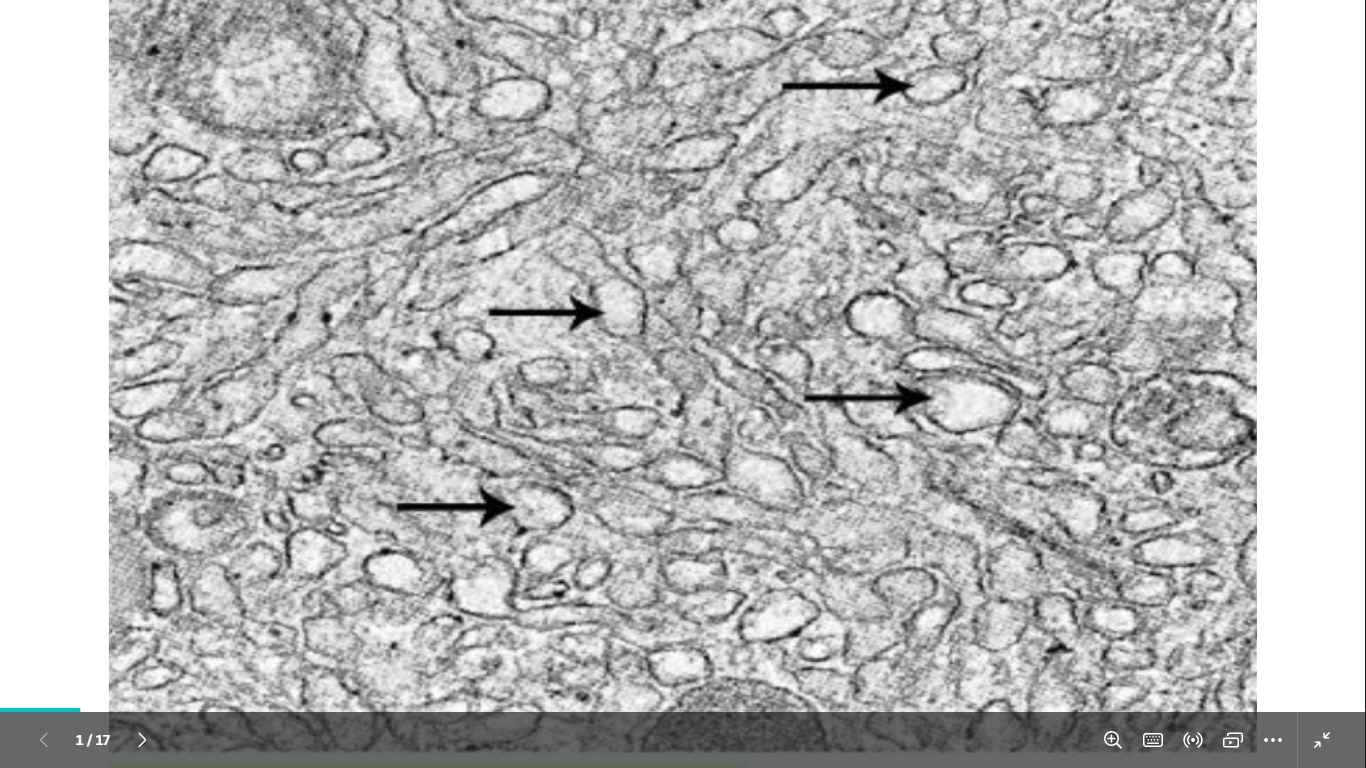
identify
mention the function
free ribosomes (polysomes)
synthesis of protein for the use of the cell

identify
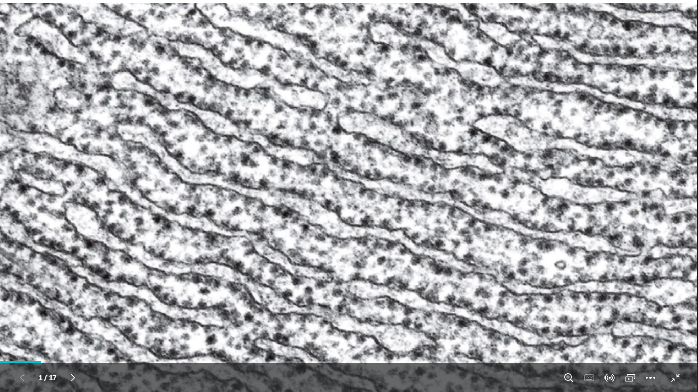
mention its function
rough endoplasmic reticulum
synthesis of protein mostly to be secreted

identify
mention 2 functions
mention the organs rich in this organelle
smooth endoplasmic reteculum
glycogen metabolism-drug detoxification
liver-adrenal gland-skeletal muscles

identify
mention its function
golgi apparatus
protein secretion

identify a and b
a- heterolysosome
b- multivesicular body
فيه سلايد قبلها بس مكانش فيها سؤال
مجرد صوره ل primary lysosome+secondary lysosome بس اعتقد الفرق بينهم واضح يعني

identify a and b and what is under b name it c
a actin filaments
b myosin filaments
c mitochondria

identify
mention the internal structure
the 2 centrioles
27 microtubules arranged in 9 triplets

identify a and b
mention the internal structure of a and b
a cilia shaft
b cilia basal body
a 20 microtubules arranged in 9 peripheral doublets and 2 central singlets

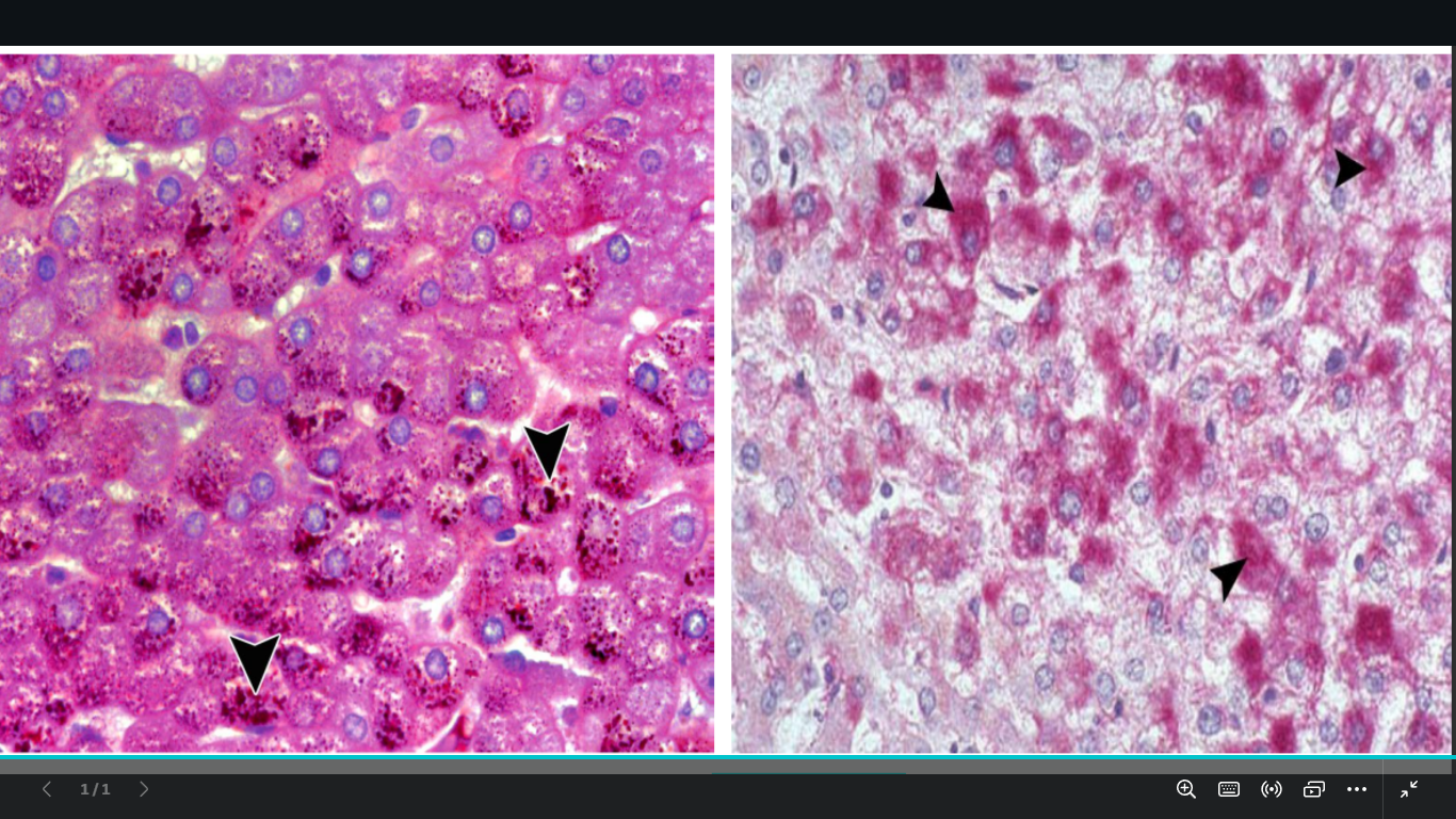
identify
mention the stain
name the organ
glycogen granules
best’s carmine
liver

idntify
mention the type
name the organ
glycogen granules
alpha
liver
مذكرش البيتا اللي هي في ال muscles
بس عامتا هي بتبقي نقط

identify
mention the type
name the organ
glycogen granules
alpha
liver
مذكرش البيتا اللي هي في ال muscles
بس عامتا هي بتبقي نقط

identify
mention the stain
lipid inclusion
osmic acid

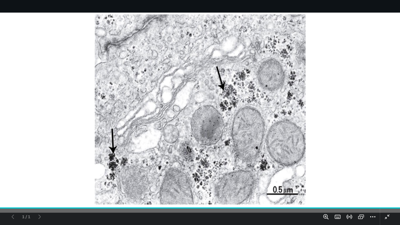
identify the shape
of the nuclei 1 2 3 and the arroooooooooooow
1 spherical nucleus
2 multilobed nucleus
3 kidney shaped nucleus
the arrow nucleolus

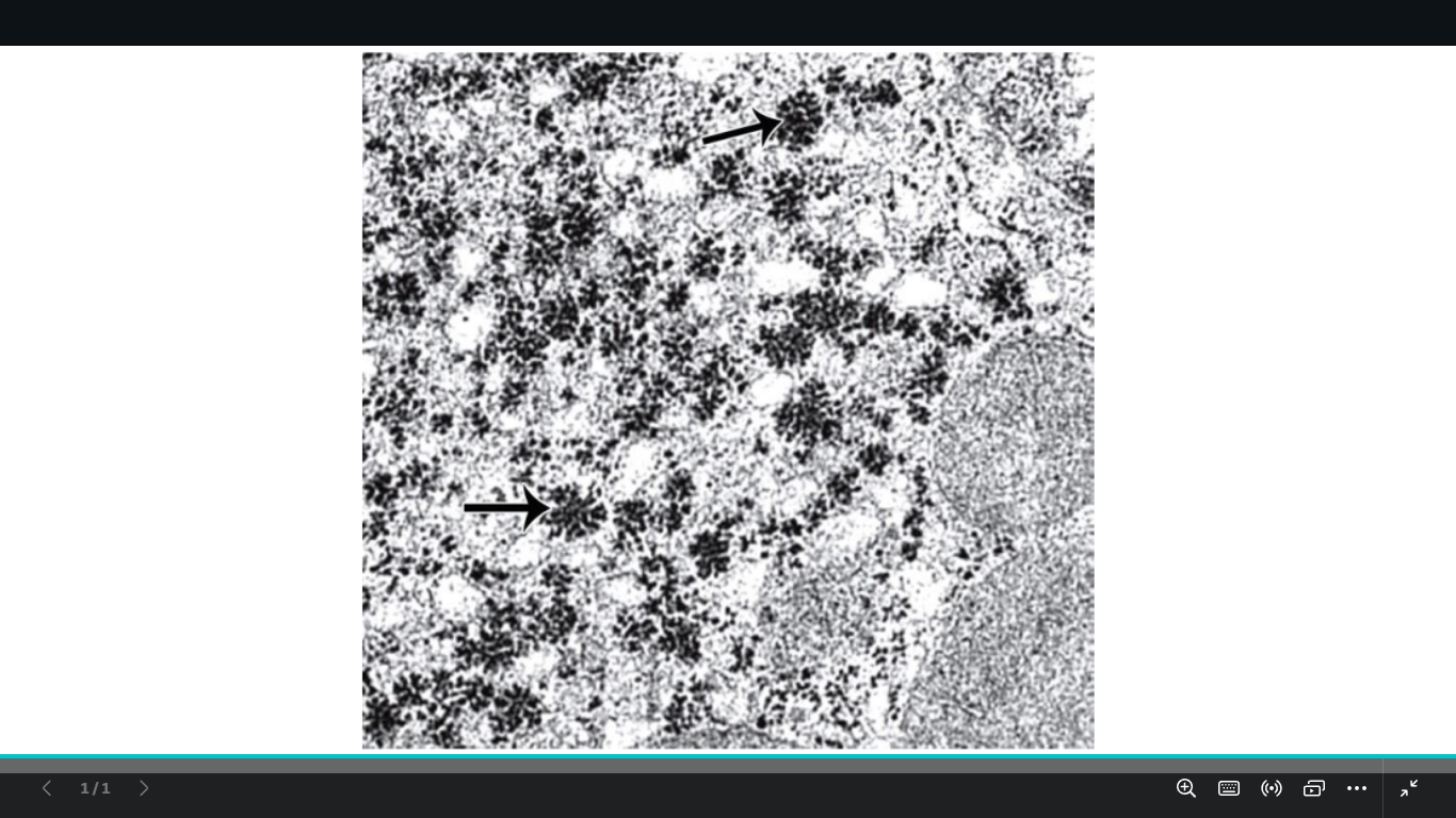
identify what is this and
1 2 3 and the arrow
the nucleus
1-nucleolus
2-peripheral chromatin
3-nuclear sap
the arrow nuclear membrane