1/5
Looks like no tags are added yet.
Name | Mastery | Learn | Test | Matching | Spaced |
|---|
No study sessions yet.
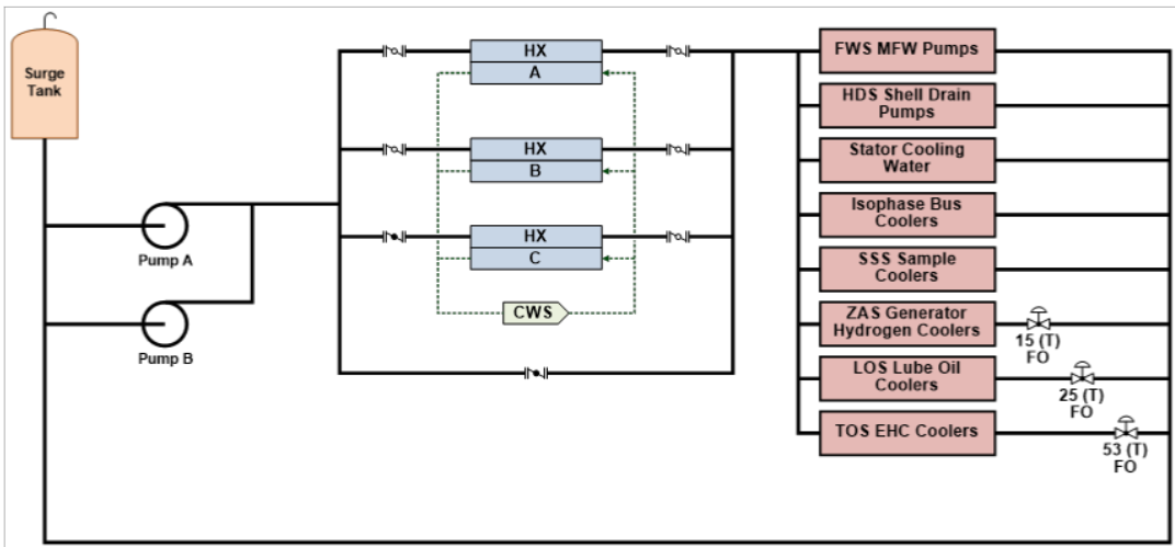
Simplified Diagram
Loads
Loads that FAIL OPEN:
ZAS Hydrogen Coolers
LOS Lube Oil Coolers
TOS EHC Coolers (DEH)

TCS
Surge Tank
LCV-V095
75gpm MU capacity
Fails Closed (Don’t make a mess)
MANUAL LOCAL BYPASS for alternate fill in case AOV fails
Turbine Building
Control Band: 72.5 - 126”
TCS Pumps
Power Supply?
Auto-Start?
Normal Conditions?
ES-5(6)
Start: 67psig Low Discharge Pressure *Suct/Disch interlock
Normal: 11,000gpm
Stator Cooling Water
Tank
Tank is Manual MU Only
Constant sparged with CAS
Stator Cooling Water
Pumps
Auto-Start?
Auto-Stop?
Power Supply?
Start: 106psig low discharge pressure
Stop: Generator Trip
EK-31(41)

Stator Cooling Water
Heat Exchangers and TCV-009
Two full capacity HXs, but standby HX maintains flow to prevent stagnation
Controls to nominal 122F, Fails to cool position
Turbine Trips:
17.4psig 70secTD
195°F 55secTD
