TCP

0.0(0)
studied byStudied by 7 people
full-widthCall with Kai
GameKnowt Play
learnLearn
examPractice Test
spaced repetitionSpaced Repetition
heart puzzleMatch
flashcardsFlashcards
Card Sorting

1/79

encourage image

There's no tags or description

Looks like no tags are added yet.

Study Analytics
Name
Mastery
Learn
Test
Matching
Spaced

No study sessions yet.

80 Terms

1
New cards
<p>vad finns inom telekommunikation</p>

vad finns inom telekommunikation

entrésignaler, kallelsesignaler (RWC-larm, sjukvård), UVS (frånvaromarkering), porttelefon, ljud- och bildsystem samt tidgivning

<p> entrésignaler, kallelsesignaler (RWC-larm, sjukvård), UVS (frånvaromarkering), porttelefon, ljud- och bildsystem samt tidgivning</p>
2
New cards
<p>vad finns inom Datasystem</p>

vad finns inom Datasystem

spridningsnät och stamnät, medan TV-system inkluderar centralantenn, kabel-TV och CCTV 

<p>spridningsnät och stamnät, medan TV-system inkluderar centralantenn, kabel-TV och CCTV&nbsp;</p>
3
New cards
<p>vad innehåller inom en Säkerhetssystem</p>

vad innehåller inom en Säkerhetssystem

passersystem, inbrottslarm, brandlarm, talat utrymningslarm och hjälptelefonsystem samt mobilförstärkare

<p>passersystem, inbrottslarm, brandlarm, talat utrymningslarm och hjälptelefonsystem samt mobilförstärkare</p>
4
New cards
<p>Signalöverföring i en nutshell</p>

Signalöverföring i en nutshell

  • Sändare (tryckknappen)

  • Mottagare (summern)

  • Kanal eller medium (ledningen)

<ul><li><p>Sändare (tryckknappen)</p></li><li><p>Mottagare (summern)</p></li><li><p>Kanal eller medium (ledningen)</p></li></ul><p></p>
5
New cards

Vilka elektriska ledningar är för signalöverföring? 

  • Telefonledningar

  • Dataledningar

  • Antennkablar

  • Audio- och videokablar

<ul><li><p>Telefonledningar</p></li><li><p>Dataledningar</p></li><li><p>Antennkablar</p></li><li><p>Audio- och videokablar</p></li></ul><p></p>
6
New cards

Trådlösa radiosignaler

  • Radio

  • Tv

  • Trådlösa nätverk

  • Radiostyrning

7
New cards
<p><em>Optiska signaler</em> genom luften från</p>

Optiska signaler genom luften från

  • Fyr, Kontrollampa, Fiber

8
New cards
<p>Analoga signaler </p>

Analoga signaler

En jämn kurva där alla punkter finns med

9
New cards

Exempel på analoga signaler

Ljud - ljudvågar

Radio och Tv - ljud och bild överförs som vågformar

Telefon - röstkommunikation

10
New cards
<p>Vad är en digital signal&nbsp;</p>

Vad är en digital signal 

En signal som representerar data i form av 0 och 1.

11
New cards

Ge exempel på en digital signal

Unicode och ASCII

Mpeg och JPEG

WAV, mp3

12
New cards

För- och nackdela med digitala signaler

Tar större signalutrymme men är svårare att störa

13
New cards

Nackdel med digital signaler

Kräver högre bandbredd för samma information som analoga signaler. och kan utråka för problem på vägen

14
New cards

Fördel och nackdel med analog signal

Enklare att störa men informationen går ofta att komma fram

15
New cards

Hur kan en signal påverkas

Dämpning genom att ju längre signalen sträcker sig desto försämrad blir den.

Brus och störninga ifrån elektromagnetiska fält

Distorsion sker av sändare, mottagare och signalomvandlare

Instabil frekvens

16
New cards

Vad krävs i en entrésignalanläggning?

2st ledningar (1×4×0,5 ledare EQQXB)

0,5mm2 räcker eftersom klenspänningen är på 8V

Vit och Blå ska vara den primära färgen, turkos (grön) och lila som reserv

Ledningarna ska följa väggvinklar, takvinklar och foder

17
New cards

Vilka faktorer påverkar dämpning

Längden på ledningen

18
New cards
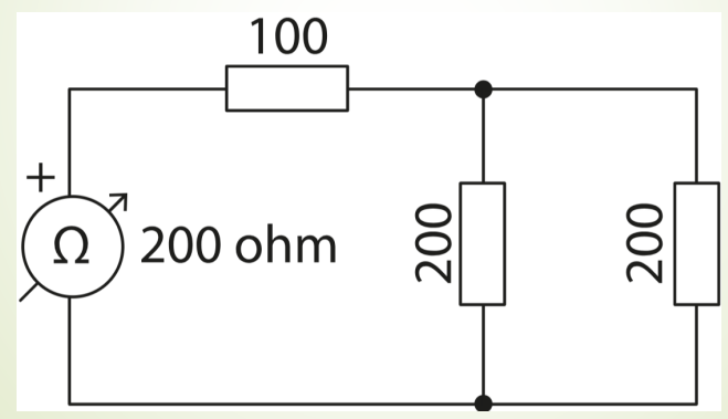
<p>Lös ut problemen</p>

Lös ut problemen

Rtot = 1/R1 + 1/R2

= 1/200 + 1/200

= 2/200

2/2 = 1 

200/2 = 100

1/100

19
New cards
<p>Lös ut problemen</p>

Lös ut problemen

Rtot = 1/R1 + 1/R2

= 1/200 + 1/200

= 2/200

2/2 = 1 

200/2 = 100

1/100

100 + 100 = 200

20
New cards

Vad är lösningen för att minska elektriska magnetfält?

Avnänd Sköldad TP kaplar eller någon typ av skydd utanför som skyddar fältet

<p>Avnänd Sköldad TP kaplar eller någon typ av skydd utanför som skyddar fältet</p>
21
New cards

exempel på akustiska signaler

Ringklocka/dörrklocka

Varningssiren

22
New cards

Vilka av följande är exempel på apparater/ställen där det sker en signalomvandling?

Ringklocka

Högtalare

23
New cards

Vilken signaltyp störs lättats av elektromagnetiska störkällor?

Analoga signaler

24
New cards

Analoga signaler tar mindre signalutrymme än okomprimerade digitala signaler.

Stämmer

25
New cards

Påverkas en lednings impedans av dess längd?

Nej

26
New cards

Vad är syftet med en signal?

överföra ett meddelande via något

27
New cards

exempel på signalomvandlingar

Morse alfabetet, telefon, data

28
New cards

exempel på några olika typer av signaler.

Givarsignaler, varningssignaler, kommunikationssignaler

29
New cards
<p>Hur uppstår elektriska fält?</p>

Hur uppstår elektriska fält?

Skild jordpotential

30
New cards
<p>Kring en permanentmagnet finns ständigt ett magnetiskt fält, men hur bildas magnetfältet kring en elektromagnet?</p>

Kring en permanentmagnet finns ständigt ett magnetiskt fält, men hur bildas magnetfältet kring en elektromagnet?

magnetfältet bildas elektromagnet genom ett spole som har en hjärnkärna blir strömsatt

<p>magnetfältet bildas elektromagnet genom ett spole som har en hjärnkärna blir strömsatt</p>
31
New cards

vad är frekvensgång

frekvensgången visar hur väl ett system hanterar olika frekvenser.

<p><strong>frekvensgången visar hur väl ett system hanterar olika frekvenser.</strong></p>
32
New cards

I vilka enheter mäts informationsbandbredd och signalbandbredd?

Informationsbandbredd mäts i bitar /sek.

Signalbandbredd mäts i Hz

33
New cards

Hur mycket informationsbandbredd krävs för att

Overföra film

Morsekod

Överföra tal

Svara ja eller nej pà

en fräga

2 - 5 Mbit/s

20 bit/s

64 kb/s

1 bit

34
New cards

Omvandla

1 kb

1 Gbit

1 Mbit

1 Tbit

1000 bit

1 000 000 000

1 000 000

1 000 000 000 000

35
New cards

Vad betyder bandbredd

Beskriva hur mycket info som kan överföras och frekvensbredd som används

36
New cards
<p>Signalbandbredd är det spann mellan lägsta och högsta frekvens som används i ett kommunikationssystem.</p>

Signalbandbredd är det spann mellan lägsta och högsta frekvens som används i ett kommunikationssystem.

Rätt

37
New cards
<p>Frekvensmodulering är en teknik som används för radiosändningar.</p>

Frekvensmodulering är en teknik som används för radiosändningar.

Stämmer

<p>Stämmer</p>
38
New cards
<p>Vad är syftet med modulation?</p>

Vad är syftet med modulation?

förbättra ljudkvalitet och minska störningar vid radiosändningar

39
New cards
<p>Bredbands-</p><p>kommunikation</p>

Bredbands-

kommunikation

överföra flera signaler åt olika frekvensers snabbt

40
New cards

Basbands-

kommunikation

skickar en signal åt taget

41
New cards
<p>Multiplexing</p>

Multiplexing

En teknik där

signaler

läggs samman och

sedan separeras

42
New cards

När tv sändes analogt använde man en frekvens för bild och en annan för ljud.

Rätt

43
New cards

Vilka frekvensband används i Sverige för marksänd digital tv?

UHF

VHF

44
New cards

Förklara skillnaden mellan signalbandbredd och informationsbandbredd.

Signalbandbred är mått på hur mycket data skickas på en gång

informationsbandbredd är mått på hur många bitar det krävs för att överföra

<p>Signalbandbred är mått på hur mycket data skickas på en gång</p><p></p><p>informationsbandbredd är mått på hur många bitar det krävs för att överföra </p>
45
New cards

Inom informationsteorin används prefix som kilo och mega. Men här mosvarar inte kb exakt 1 000 bit. Varför är det så?

eftersom en bit består av 8 bitar

46
New cards

Vad står förkortningarna MUX respektive DMUX för?

MUX står för multiplexer.

DMUX står för demultiplexer.

47
New cards

Förklara principen för multiplexering.

Överför två eller fler signaler över en gemensam kommunikations kanal

48
New cards

Välj/markera den nättopologi som är vanligast idag.

stjärnnät nättopologier, där alla datorer och enhenter är anslutna till en central enhet (hubb, switch eller server) 

<p>stjärnnät nättopologier, där alla datorer och enhenter är anslutna till en central enhet (hubb, switch eller server)&nbsp;</p>
49
New cards
<p>vad betyder näts topologi? </p>

vad betyder näts topologi?

Hur ens nätverk är uppbyggt och vilken form den få när datorn, switchar och router kopplas ihop

<p>Hur ens nätverk är uppbyggt och vilken form den få när datorn, switchar och router kopplas ihop</p>
50
New cards
<p>I ett bussnät är alla stationer sammankopplade med en ledning.</p>

I ett bussnät är alla stationer sammankopplade med en ledning.

Sant

51
New cards
<p>I ett ringnät är stationer sammankopplade med flera ledningar.</p>

I ett ringnät är stationer sammankopplade med flera ledningar.

Stämmer inte

52
New cards

Vilka påståenden om decibel är korrekta?

Absolut decibel

Här jämför man ljudet med ett fast, bestämt ljud som alltid är samma.

Relativ decibel

När decibel används som en relativ enhet är båda värdena uppmätta 

53
New cards
<p>Decibel har en logaritmisk skala.</p>

Decibel har en logaritmisk skala.

Sant

54
New cards

Decibel kan användas för att beskriva både dämpning och förstärkning.

Sant

55
New cards

Är enheten decibel kopplad till en storhet? Om inte föklara varför.

Nej, den är en jämförelse mellan två värden av valfri storhet.

56
New cards
<p>Förklara uppbyggnaden av ett kaskadnät.</p>

Förklara uppbyggnaden av ett kaskadnät.

Flera nivår av topologi nätet

57
New cards

Vad är decibel ett mått på?

Ett relativt mått som jömförs hur en signal styrka förändras. Antigen förstärks eller dämpas

58
New cards

Varför är det praktiskt att använda decibel som enhet?

det beskriver hur starkt/lågt en signal är

59
New cards

Vad krävs om man ska använda decibel som absolut enhet?

En referensnivå att jämföra mot.

60
New cards

Hur många adresser finns i IPv4?

Ca 4,3 miljarder

61
New cards

TCP står för ...

Transmission Control Protocol

62
New cards

TCP/IP används exempelvis i ethernet, seriell kommunikation och mobil kommunikation.

Sant

63
New cards
<p>Att alla datorer i ett privat nätverk delar på samma IP-adress kallas ...</p><p></p>

Att alla datorer i ett privat nätverk delar på samma IP-adress kallas ...

adressöversättning

64
New cards

Funktionen som delar upp en IP-adress i en datordel och en nätverksdel kallas ...

nätmask

65
New cards

”Vilket protokoll kan användas istället för TCP när man vill ha snabbare dataöverföring och inte behöver att alla paket kontrolleras noggrant?”

UDP

66
New cards

Vad är ethernet?

En fysisk standard för dataöverföring

67
New cards
<p>Vilka av följande påståenden stämmer om bilden?</p>

Vilka av följande påståenden stämmer om bilden?

Denna kabel och kontakt används för ethernet

Detta är en TP-kontakt

Om man inte har tillgång till WiFi kan denna typ av kabel eventuellt användas

68
New cards

De första kabelbaserade ethernet-nätverken byggdes med koaxialkabel.

Sant

69
New cards
<p>POE står för ...</p>

POE står för ...

Power Over Ethernet

<p>Power Over Ethernet</p>
70
New cards

Hur fungerar TCP IP när data ska skickas?

Skickas i delar som kallas för Stack som då krypterar, delar upp, paketerar och etiketterar data innan den skickas i väg

71
New cards

Vad är en IP-adress?

En adress som ger indentitet till datorer och annan uppkopplad enhet på internet

72
New cards

Hur många möjliga IPv4-adresser finns och vilken teknik används för att  få dessa adresser att räcka till? 

Ca 4 miljarder adresser. För att få adresserna att räcka till används bl.a. adressöversättning.

73
New cards

Beskriv skillnaden mellan lokala och globala IP-adresser.

Globala IP adress är adresser som syns över hela interneten, som delas ut av internetleverantören

Lokala IP adress är adresser som bara exisitera inom på de privata närtverk

74
New cards

Vad är en MAC-adress?

MAC-adressenn är en unikt serienummer för nätverkskort som tillverkan har programmerat in

75
New cards

Räkna upp några komponenter/utrustningar som används i ethernet och beskriv kort vad de har för uppgift.

Hub -  Den förstärker och skickar ut signaler till övriga enheter.

Switch - En switch är som en HUB fast mer intelligent.

Router - En router används för att koppla ihop två enskilda nätverk och används även för att koppla upp ett nätverk till internet.

76
New cards

Beskriv vad en brandcell är.

Ett utrymme i en byggnad som ska tåla en brand under en viss tid.

77
New cards

Ge några exempel på vilka brandsäkerhetskrav som ställs på kablar som installeras i byggnader.

  • Kabeln får ej avge brännbara eller giftiga gaser vid uppvärmning

  • Kabeln får ej smälta så att brännbart material sprids eller öppningar uppstår

  • Kabeln får ej leda värme så att isolationsförmågan av brandcellen nedsätts

78
New cards

Vad heter den stegetypen som hjälper med brus och störnigar

takstege och väggstege

79
New cards

Vad krävs för att du ska göra en telekom installation? 

  • Kabel (Cat 6/Cat 6A)

  • Kabelkanal/rör

  • 3 nätverksuttag med keystone

  • Patchpanel

  • Patchkablar

  • Switch (PoE om accesspunkten behöver ström)

  • Dosor/kapslingar

  • Märkning

80
New cards
<p>Anmärknings inom telekom&nbsp;</p>

Anmärknings inom telekom 

3E = Katagori och undergrepp

0 = Region

01 = Löpnummer