1/36
Looks like no tags are added yet.
Name | Mastery | Learn | Test | Matching | Spaced | Call with Kai |
|---|
No analytics yet
Send a link to your students to track their progress
3 types of magnets
natural, permanent, electromagnets
Natural magnets
magnets that naturally occur in nature
permanent magnets
artificially produced magnets
electromagnets
wire wrapped around an iron core, current in wire creates magnetic field
SI unit of magnetic field strength
Tesla
Traditional unit of magnetic field strength
Gauss
Ampere’s law
a changing electric field induces a magnetic field
For an element to be magnetic it MUST have
an unpaired electron (spin)
Nonmagnetic materials
materials unaffected by magnetic fields (ex: wood/glass)
2 sources of a magnetic field in bar magnet
orbital motion and spin
Ferromagnetic materials
strongly attracted by a magnet and often permanently magnetized (Iron, Nickel, Cobalt)
Every magnet will always have a:
north and south pole
solenoid
coil of wire without a magnetic core
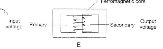
transformers function only with:
alternating current
Domain
a region of ferromagnetic materials where all the dipoles are aligned
sources of inefficiency in a transformer:
copper wire resistance/Joule heating, hysteresis, eddy currents
air core transformer

open core transformer design

autotransformer

closed core transformer

shell type transformer

most effective type of transformer
shell transformer
Farday’s law
a changing magnetic field induces an electrical field
autotransformers use:
self induction
How the strength of a magnetic field is increased
more loops, ferromagnetic core, loops overlapping with other loops
generators convert:
mechanical energy to electrical energy
motors convert:
electrical energy to mechanical energy
Turn ratio greater than 1
Step up transformer
Turns ratio less than 1
step down transformer
transformer law
V2/V1 = N2/N1 = Tr
I1V1=I2V2
I2=I1/Tr
V2/V1 = I1/I2
convection of magnetic field lines
north and south
slip ring
Used in AC generators, produces alternating sinusoidal current
commutator ring
Used in DC motors, produces pulsed direct current
autotransformers use:
1 core, 1 coil, and multiple taps
step up transformer:
increase voltage, decrease current
step down transformer:
decrease voltage, increase current
ferromagnetic materials
iron, nickel, cobalt