1/29
Looks like no tags are added yet.
Name | Mastery | Learn | Test | Matching | Spaced | Call with Kai |
|---|
No analytics yet
Send a link to your students to track their progress
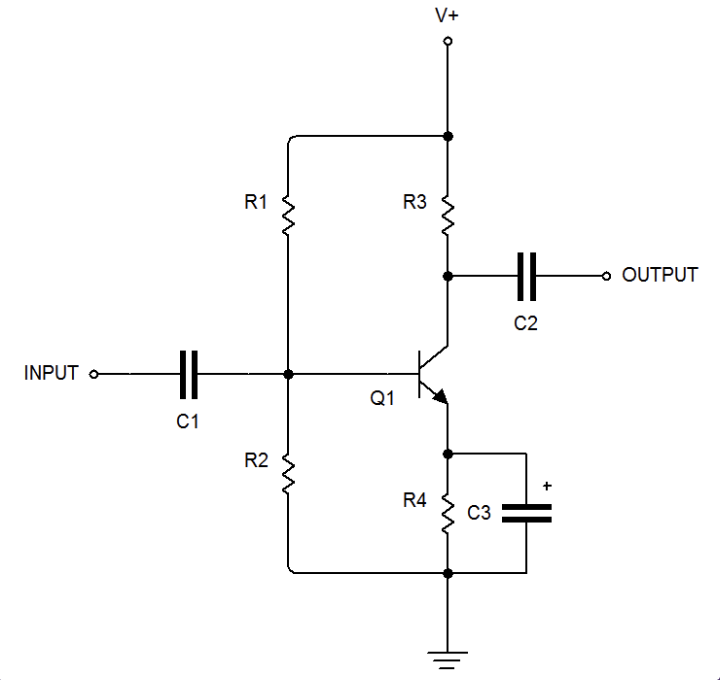
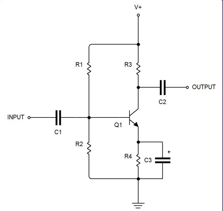
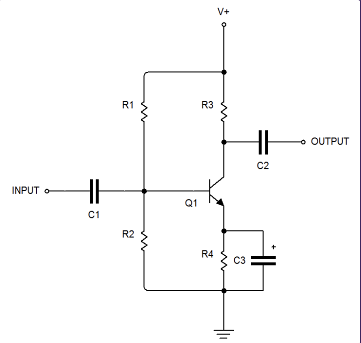
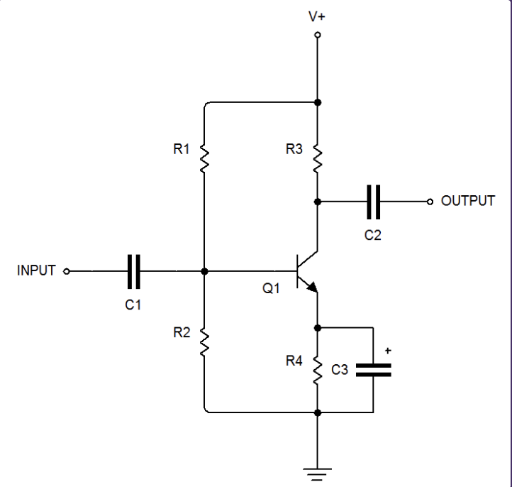
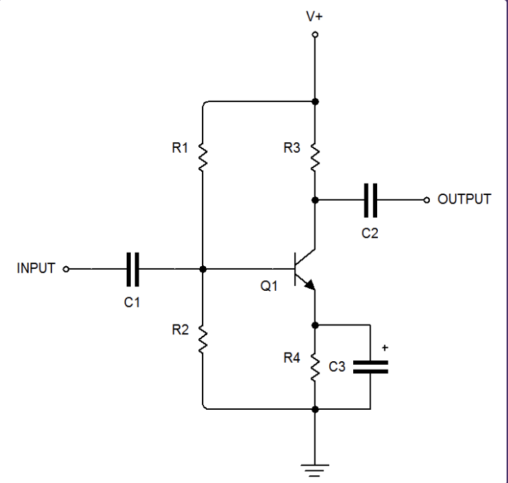
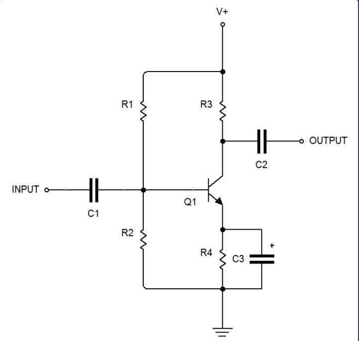
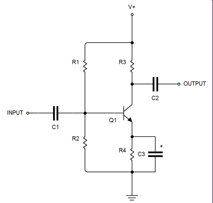
Common Emitter Output polarity
is inverted compared to input

Common Emitter VB made more positive on an NPN
current through the transistor increases, current through R3 increases, Voltage drop of R3 decreases, the collector moves farther away from V+

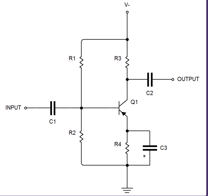
Common Emitter VB made more positive on an PNP
Curren through the transistor decreases, Curren through R3 decreases, Voltage drop of R3 decreases, the collector moves closer to V-
Voltage Gain of Common Emitter
Medium
Current gain of Common Emitter
Medium
Input Impedance of Common Emitter
Medium
Output Impedance of Common Emitter
Medium

Common Emitter R1 and R2 purpose
Act as a voltage divider to set the DC bias of the base. R2 also affects the input impedance of the circuit
Allows amplification of entire waveform
Sets 0V at input halfway between saturation and cutoff so that there is equal room for amplification of the positive and negative halves of the input waveform

Common Emitter R3 Purpose
Converts the changing current through the transistor into a changing voltage for the output

Common Emitter R4 Purpose
Solves thermal Runaway and affects the input impedance.
If current were to increase, then R4 causes voltage at emitter to increase which would decrease current through the transistor

Common Emitter C1 Purpose
Allows AC (input signal) to pass into circuit
Blocks DC from getting into circuit and changing DC bias of base set by R1 and R2
Block DC bias set by R1 and R2 from getting out to what is connected to the input
is part of input impedance

Common Emitter C2 Purpose
Blocks DC that is in AC+DC at collector from going out the output
C2 is part of the output impedanc
when can C1 and/or C2 be left out
if DC coupling is desired or other coupling method is used, such as a transformer

C3
Gives varying current (AC) a separate path from R3
low reactance path creates no voltage drop, which means no change in emitter voltage
Should be a large enough value to provide low reactance path from all audio frequencies
What if C3 was missing?
If it is missing emitter voltage will change with varying current through R4 causing a reduction in amplification
All amplifiers in unit 10 are
Class A amplifiers
What is input impedance
a measurement of the path from the + input to ground through the circuit to which the signal is being sent
what is output impedance
a measurement of the path from the + output of the device from which signal is being sent
Both the input and output must only allow AC to pass, not DC.
Describe how we ensure that this happens. Make sure to describe how it will be done and what components will be used.
A capacitor in series with the input and one in series with the output (C1 and C2). C1 will allow AC to pass into the circuit and block DC from the input. C2 blocks DC that is in the AC+DC at the collector from going out the output.
What is the purpose of the resistor going from collector to -V in a a common emitter circuit utilizing a PNP transistor?
The purpose of the resistor is to convert the changing current through the transistor into a changing voltage for the output
When a component with a positive thermal coefficient heats up current flows.
more
thermal runaway
An increase of temperature on the transistor causes an increase in current flow which causes more heat which then causes more current flow and the cycle repeats itself.
what are all the components that are apart of input impedance of a common emitter amplifier
forward biased base-emitter junction, R2, R4, C1, C3
C3 should be a value capacitor.
large
In a common emitter circuit utilizing a transistor, the collector is connected to .
V+/-, Output
In a common emitter circuit utilizing a transistor, the base is connected to
V+/-, ground, input
If a common emitter circuit has C3 connected with the + side to ground, a transistor is being used.
PNP
the input connects to
the base
the output connects to
the collector
ground connects to
the emitter