1/33
Looks like no tags are added yet.
Name | Mastery | Learn | Test | Matching | Spaced | Call with Kai |
|---|
No analytics yet
Send a link to your students to track their progress
animal cell structure

plant cell structure


nucleus
function: contains DNA to synthesise proteins
structure: surrounded by a double membrane called the envelope containing pores to allow the entry and exit of RNA and proteins. also contains chromatin and a nucleolus which is the site of ribosome production.

mitochondria
function: site of most aerobic respiration, which produces ATP which provides energy for cells reactions.
structure: oval shaped, bound by a double membrane called the envelope, between the membranes is filled with fluid. Inner membrane is folded to form cristae (where most of ATP is produced). Inside this is the matrix which contains chemical compounds such as protein, lipids and traces of DNA.

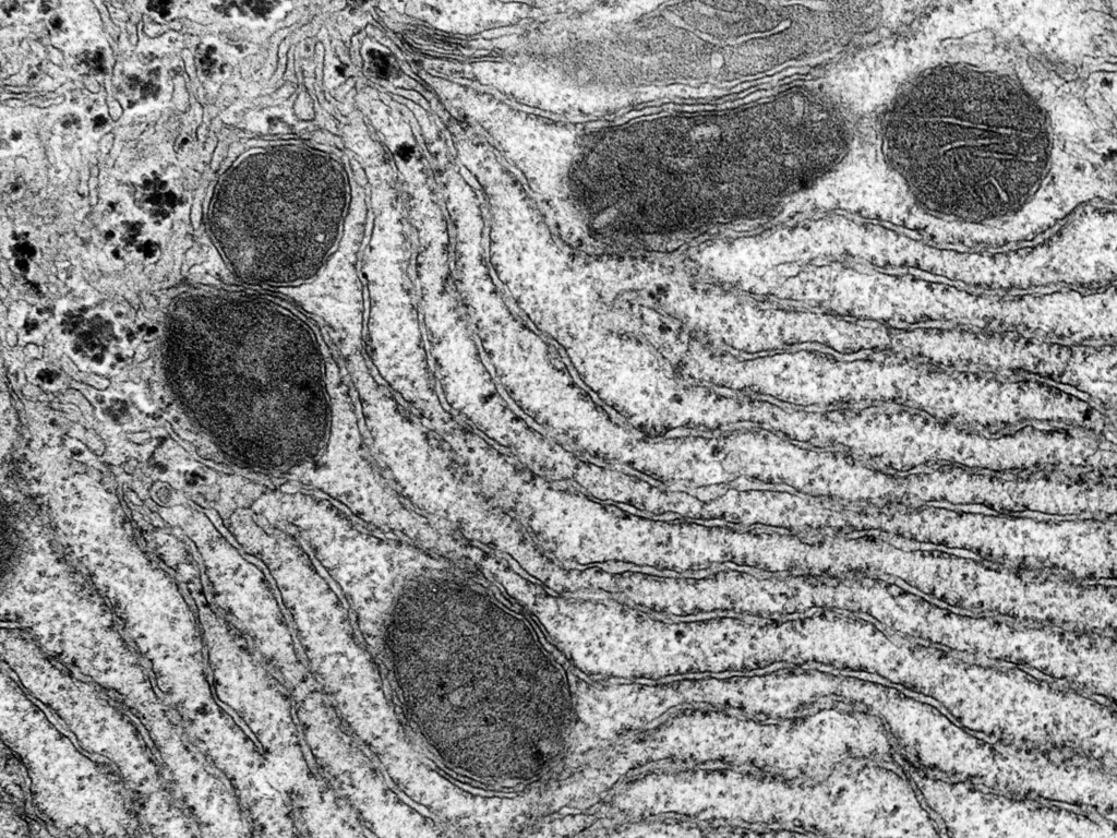
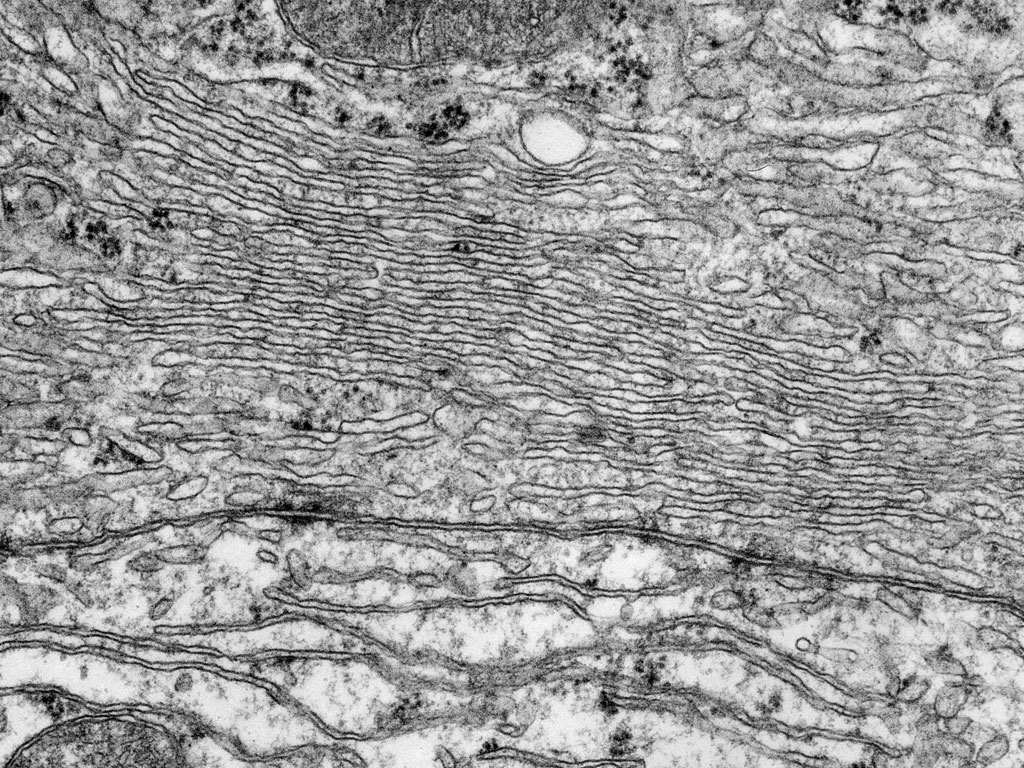
rough endoplasmic reticulum
function: site of protein synthesis and processing/transport
structure: studded with ribosomes, flattened cisternae, continuous with nuclear membrane

smooth endoplasmic reticulum
function: site of phospholipids and the packaging of proteins into vesicles
structure: long network of long, tube-like structure, lacking ribosomes

golgi body
functions: transportation and modification of proteins, secreting enzymes and carbohydrates, transportation and storage of lipids, forming lysosomes
structure: formed by rough ER pinching off at the end to form vesicles which fuse together. made up of cisternae held together by matrix proteins
prokaryote
single celled organism lacking membrane bound organelles including a nucleus, DNA is free in the cytoplasm (bacteria and archaea)
what are eukaryotes?
organisms containing cells that have membrane bound organelles, DNA is contained in chromosones (fungi, plants and animals)
what is a virus’ role and structure?
An acellular invader that takes over a cell’s metabolism and multiplies. It consists of a nucleic acid (DNA or RNA) surrounded by a protein coat (capsid). Can be crystallised but also reproduces so uncertainty whether it is alive or not.

generalised bacteria cell
no nuclus, mesosome site of aeribic respiration, has plasmids, 70S ribosomes, cell wall, flagellum, cytoplasm and occasionly slime coat

role of lysosomes
bud off the Golgi body, contains digestive enzymes that are activated when it fuses with a vesicle containing an unwanted substance
secretory vesicle
buds off the Golgi body, contains modified proteins, fuses with cell membrane to exit the cell by exocytosis
centrioles
found in animal cells, located just outside of the nucleus in the centrosome, two hollow tubes at right angles to each other, divide and move to opposite sides during cell division where they synthesise the microtubules of the spindles which separate chromosomes
permanent vacuole
found in plant cells, large permanent fluid-filled sacs, single membrane called tonoplast, stores chemicals, takes in water through osmosis to help cell rigidity
cell wall
plant cells only, made of cellulose, provides strength, fully permeable, contains pores
cell differentiation
process of cells becoming specialised for different functions
tissue
an aggregation of similar cells carrying out the same function
epithelial tissue
continuous layer, covering or lining the internal and external surfaces of the body, don’t have blood vessels, sit on basement membrane - made of collagen and protein, often have a protective or secretory function
cuboidal epithelium
simplest, cube-shaped cells, 1 cell thick, can be found in the proximal convoluted tubule of the kidney nephron and ducks of salivary gland

columnar epithelial
elongated cells, cilia where substances move, found in trachea and oviduct (fallopian tube)

squamous epithelial
flattened cells, line the Bowman’s capsule of the kidney nephron

endosymbiotic theory
proposes that eukaryotic cells originated through a symbiotic relationship between different species of prokaryotes; suggests that certain organelles, such as mitochondria and chloroplasts, were once free-living bacteria that were engulfed by a host cell.
connective tissue
connects, supports or separates tissues and organs, contains elastic and collagen fibres, between are fat-storing cells (adipocytes) and immune system cells, e.g. blood, bone and cartilage
skeletal muscle tissue
attached to bones, generates locomotion (movement) in mammals, long cells/fibres with powerful contraction, controls voluntary movements, striped/striated cells under microscope
smooth muscle tissue
individual, spindle-shaped cells that contact rhythmically, occurs in skin, walls of blood vessel and digestive + respiratory tracts, controls involuntary movements, unstriped/unstriated under microscope
cardiac muscle tissue
only found in heart, structure is in between smooth and skeletal - has stripes but no long fibres, controls involuntary movements, contracts rhythmically with no stimulation from nerves / hormones
organ
a group of tissues in a structural unit working together and performing a specific function
organ system
a group of organs working together as a single unit to carry out a specific function for the whole organism
nuclear pores
allows exit of mRNA and ribosomes
role of the nuclear envelope
separates contents of nucleus with cytoplasm
what does the nucleolus produce?
mRNA, tRNA and ribosomes
chromatin role
condenses before cell division to form chromosomes
plasmodesmata
connects cells with canals filled with cytoplasm, allows transport via the symplastic pathway