1/97
Looks like no tags are added yet.
Name | Mastery | Learn | Test | Matching | Spaced | Call with Kai |
|---|
No analytics yet
Send a link to your students to track their progress
What was the biggest truck load?
200 wheels in Alberta in 2009
What is important when analyzing road loads
Commercial vehicles ( busses and semis)
What are the types of axles for traffic loading
single axles, single tire to tridem axels and double tires
(Mostly) What does tire pressure equal
Contact pressure
What does traffic mean
number of repetitions, can be included in design using computers, for flexible pavements the design is empirical. Empirical factors are used to conver load groups as in ESAL of 80 KN
What are other factors to consider for road analysis
Vehicle speed- determines the duration of loading
Environmental effects- asphalt, concrete, frost penetration, freezing index, precipitation (water must be drained quickly)
What are the properties of asphalt cement
At room temp- viscous and semi solid. Behaves as a viscous liquids at high temperature and elastic solid at low temperatures. Chemistry is carbon and hyrdocarbons and their derivatives. Primarly used in HMAs since asphalt is liquid at higher tems
What are the engineering characteristics of AC
Consistency, Viscosity, like plastic when heated
How to find the purity of asphalt cemment
Binders are generally bitumus so they are soluable in carbon di sulphide. generally
What do they results of a flash point represent
It shows the safe working temperature of the binder
What are the different tests for AC
Specific gravity, solubility, viscosity, penetration, flash point, ductility, aging
What does heat during the day do to rigid pavement
expansion at the top curling downward, compressive stress develops on the top
What does the cooling during the night do to rigid pavement
causes curling upward
What methods are used to analyze stress due to loading in rigid pavements
Formulae (westergaard), influence charts, and FEM programs
What does FEM stand for
Finite Element Method
What assumptions are made when analyzing stress due to loading in rigid pavements
Slabs are large and rest on a liquid foundation, and the foundation deflects with the pavement
What is the aim when analyzing the stress due to loadings in rigid pavements
TO determine the max stress and deflection due to loading
What are the design methods for flexible pavements
Empirical - CBR ( California Bearing Ratio), Limiting shear failure, limiting deflection, Regression method, Mechanistic (empirical)
What is the design principle for the empirical method
Determine penetration resistance
What is the design principle for the limiting shear failure method
Thickness to resist shear
What is the design principle for the limiting deflection method
Limit vertical deflection
What is the design principle for the regression method
pavement performance
What is the design principle for the mechanistic method
based on mechanics of materials
Initially how were flexible pavements analzed?
As A homogeneous half space

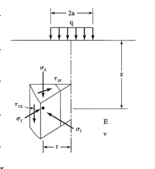
How would you interpret this image
As a homogeneous half space (with modulus E) with circular load with radius “a” and uniform pressure “q”. Possions ration is V. A cycldinrical element has a depth “z” and a radius “r”
What is the Homogeneous Half Space Theory
The pavement had indefinite area and depth, the load is applied on top of the plane
What types of stresses are on an element in half space
Due to the axisymmetric conditions, there 3 normal (z,r,t) and 1 shear stress.
These can be found using the Foster and Ahlvin charts
What is Burmister’s Method for flexible pavement?
Flexible pavements are layered systems and can’t be properly represented by the homogeneous mass theory
What are the 2 types of mix design we looked at
Marshall and SUPERPAVE
What are 2 the analysis of layers looked at?
bous, and burm
What is HMA?
Hot Mix Asphalt- combination of aggregates mixed and hot mix asphalt binder
Why is heat used in HMA
Workability, Uniform mix (coating), removes moisture, compaction and fluidity of AC for proper mixing
What are the main requirements for mix design
-Type and gradation of mineral aggregate -Type and grade of AC -Amount of diner to meet specs
What are Marshall and SUPERPAVE samples called?
Briquettes
What are the classifications of HMA
Dense graded HMA, Open graded HMA, Stone matrix Asphalt (SMA),
What is dense graded HMA
Asphalt concrete that has well graded aggregates that are compacted
What is open graded HMA
large volume of air voids either for skid resistance or for drainage. (also called no-fines mix)
What is stone matrix asphalt
High content of CA (70-80), AC (>6%) and filler content around 10%. HIgh stone on stone contact ( resistant to rutting but not flexible anymore)
What are the goals of mix design?
Resistance to permanent deformnation, fatigue resistance, low temperature cracking, moisture resistance, durability, skid resistance, and workability
What is stripping in terms of moisture resistance
When moisture enters between the asphalt film and the aggregate and affects the bond
What are the components of a HMA anaylsis
Mix density, air-voids, voids in mineral aggregates (VMA), asphalt content,
Resilient Modulus
Paving materials are not elastic but undergo permanent deformation after each loading cycle. Elastic modulus is based on the recoverable strain under repated loads this is used in elastic theory.
Who developed the Marshall Method
Bruce Marshall
Where can the Marshall method be applied?
Dense graded HMA, performance grade (PG) asphalt, max size of aggeragte linch, lab design or quality control
Asphalt Pavement history
Natural asphalts: early asphalts were naturally occurring in the earths surface
Use of vehicles created the demand for better roads, design and testing
Mid 1920’s
SUPERPAVE History
In 1987 the US congress allocated 150 million $ to a research program SHRP.
to relate lab analysis to field for asphalt specifications 50 million $ was spent. Canada spent 15 million$ to their own reasearch ( C-SHRP).
This resulted in a new test and mix design method
What is the acronym SHRP
Strategic Highway Research program
What is acronym SUPERPAVE
Superior Performing Asphalt Pavement
What is the use of SUPERPAVE
its is a system for designing HMA based on mechanistic concepts. The intention is the same as the Marshall Method. It accounts for material characteristcs recognizing the traffic loads (ESALs) and climate.
What is the asphalt binder grading system
Performance grade system (PG)
Different from previous: penetration, viscosity, penetration and viscosity, and aged residue (AG)
What is the penetration grade for Marshall
80-100, its a range at 25 degrees c
What are the pros and cons of the existing penetration system
Tests are empirical and before they can be related to field performance, experience is required. Called it evidence based
What does SUPERPAVE account for
cold and hot temperature regimes, traffic, traffic and aging control
How do you interpret PG 64-28
That it is suitable for pavement temperatures no greater than 64 degrees and not less than 28 degrees
What are the stages in SUPERPAVE grading
binders life, storage, handling and transportation
What are the modes of distress are considered in the SUPERPAVE grading system
Rutting, fatigue, cracking and thermal cracking
What does SGC stand for
SUPERPAVE gyrator compactor
What are the 2 principal features of the Marshall method
Density- void analysis, stability-flow test of compacted samples
What are the Marshall Method Steps
Aggregate selection, asphalt binder selection, preparing test samples
What temp and rate are the Marshall samples tested at
60 degrees celsius at a rate of 2” a min
Why is the Marshall sample heated to 60 deg and how
It is heated using a water bath, it is heated to 60 because that is the internal temperature that the pavement would reach on a hot day
How many strikes does the sample get from the Marshall compaction hammer
50-75, 100 for high traffic
What is rehabilitation in pavement
Structural enhancements that extend the service life of an existing pavement and or improve its load carrying capacity
What is reconstuction in pavement
Replacement of the entire existing pavement structure by the placement of an equivalent or improved structure.
What are the typical pavement distresses
Fatigue cracking, rutting, transverse cracking, longitudinal joint cracking, shoving, pothole, pavement edge cracking, longitudinal meandering cracks
What are the requirements for pavement data collection
project level vs network level, pavement surface condition assessment, industry specifications, identifying failure criteria (structural vs climatic)
What are the branches of Pavement Surface Profilers
Distress data, video log, profile, LiDAR
What are the types of destructive testing
Probe holes, asphalt coring, geotechnical drilling
What are the pavement strength testing methods
Benkelman beam (static deflection), Dynaflect (steady state), Falling weight deflectometer ( impulse load)
What is the air void range in HMA? What is the usual design value?
3-8%, design usually 4%
What are air voids?
Small pockets between coated aggregates
What is the impact durability of air voids?
too little→leads to bleeding too high→ leads to free passage of air + water
What is VMA
Voids in Mineral Aggregate / Voids between compacted aggregates
What is included in VMA
Air voids and spaces filled with asphalt
What does VMA represent?
Space available to accommodate the AC
Why is a minimum VMA required
To allow AC films to form on aggregates, increasing their durability
What is VFA
Voids Filled with Asphalt
Why do finer aggregates need more asphalt binder?
The finer aggregates have more surface area to coat
What is the aggregate absorbtion you should consider
3-6% of the dry weight of the aggregates
How do you get VMA
Air voids+ volume of asphalt
How do you get total asphalt content
Effective asphalt content + absorbtion
What is RAP
Recycled Asphalt Product
What is a disadvantage of RAP
You don’t know the properties of the aggregates and the binder. Also moisture
How is HMA produced?
heating aggregate and binder to the appropriate temperature of 150-165 degrees, then mixing thoroughly and finally transporting to site
What are the 2 types of HMA plants
Batch mix and drum mix
For drum mix, what goes into the parallel flow drum mixer
Wet aggregate + process gas enter
What are the difficulties with transporting HMA
Maintaining its temperature and preventing segregation
What can happen to HMA if not handled correctly
The mix can cool down too much, leading to poor compaction and premature pavement failure
What are some thermal protection measures for HMA
Using insulated truck beds, covering with tarps, minimizing waiting time at plant and site, and avoiding excessive rain exposure
What are the steps in HMA placement
Prep of the base or previous layer, delivery of the HMA to the paver, load the paver ( maintain head of material), distributing and levelling by the screed, initial compaction
How does the transfer from truck to paver go
Truck arrives, backs up slowly, lifts bed to carefully dump mix into the paver’s hopper
What does the paver do?
Receives HMA and lays in a uniform layer→ screed (built in) levels the material and partially compacts it→ sensors maintain correct height and slope
What are the 3 important effects of compaction
Asphalt coated aggregates are pressed together, air voids are reduced, mix density increases
What are the advantages of compation?
Locking the aggregate into place, reduces permeability, increased stability
What are the types of compaction equipment
Static wheel roller (2-14 tons), self propelled pneumatic roller (10.5-30 tons), vibratory roller (2.5-18) tons
What are reasons for pavement failure?
Poor material, poor workmanship, excessive loading, severe environmental conditions, poor drainage, failure of subgrade or underlying layers
What are characteristics of a Batch plant?
Productions mode: batch wise, Flexibility: high (easy to change mix), Efficiency: lower, Initial cost: higherbatch-wise
What sre the characteristics of a Drum plant
Production mode: continuous, Flexibility: low (one mix at a time), Efficiency: higher, Initial cost: lower