1/28
Looks like no tags are added yet.
Name | Mastery | Learn | Test | Matching | Spaced | Call with Kai |
|---|
No analytics yet
Send a link to your students to track their progress
Electric charge
Charge is quantized as a multiple of the electron or proton charge
Unit of charge is the ——
1 C = 6.24×1018 e
1e = 1.602×10-19 C= 1 proton
coulomb
Electric Properties of Materials
Different materials behave differently in the presence of electrostatic forces - 3 basic types
Conductors
Contain charges that are —- to move
Electrons are —- bound to atoms
Charge can —— — through conductors
Metals: copper, silver, iron, gold
Insulators
Contain charges that are —— free to move, they can only change —-
Electrons are —— bound to atoms
Plastic, ceramic, wood
Semiconductors
Are —— between good conductor and good insulator
Computer chips and solar panels (silicon)
free, weakly, readily flow
not, direction strongly
intermediates
Coulomb’s Law
The influence of charges is characterized by the —— between them
The electrostatic force (FE) between two charged objects is ——- to the quantity of charges (q1 and q2), and —— —— to the square of the distance (r ) between the charges
Results in the equation: ———-
Where k is the Coulomb’s constant
Direction of Electrostatic Force
The force is along the line connecting the charges
It is attractive if the charges are ——— and repulsive if they are the ——
forces, proportional, inversely proportional, Fe = kq1q2/r2
opposite, same
Four Fundamental Forces
Strong force
Force that holds nucleus together
Electromagnetic force
the —- and —— of charged particles
Weak force
Neutrino interaction induces beta decay
Gravitational force
gravitational attraction of masses
attraction repulsion
Analogy Between Gravitational and Electrostatic Forces
The equations for Fg and Fe are similar in their setup
Fg = Gm1m2/r2
FE = kq1q2/r2
Differences
Gravitational force depends on the —- while electrostatic force relies on the ——-
Gravity is always ——- because their is no such thing as negative mass, but charges can be negative or positive so electrostatic force can be —- or ——
Gravitational forces are much —— than electrostatic forces
mass, charge
attractive, repulsive attractive
weaker
Electric Field
The existence of a charge in a space creates an electric field
The electric field describes how a charge affects the —— around it, which can exert —— on another charge in that space
The E at a given point is the electric force acting on a charge at that point divided by the charge: E = FE / q (unit is N/C)
Electric field is a ——
Will have the —— direction as the FE on a positive charge placed at that point
Will have the —— direction as the FE on a negative charge
An electric field can store —— because they can do ——
space, force
vector, same opposite
energy, work
Direction of Electric Field Lines
Convention
Positive charge: the vector E moves —— from the charge, so the electric field lines created by a positive charge are directed radially ——
Negative charge: the vector E moves —— the charge, so the electric field lines created by a negative charge are directed ——
Electric field lines point away from —— charges and terminate on —— charges
Electric field lines will NEVER —— each other unless E = ——
away, outward
toward, inward
positive, negative
cross, 0
An Electric Field can do Work
If a charge is in an electrostatic field (q and E)….
A —— exists on the charge (FE = Eq) …
The charge will be moved a ——- due to the force (d →) ….
So —— is done by the electric field (W = Fd → qEd)
force, distance, work

Electric Potential
Electric potential (voltage, U) is related to electrostatic PE, but they are NOT the same
Charges create field/potential and feel force/potential
Unit is Volt
A unit of electric potential is unit of —— per unit of ——-
1 V = 1 J/C = Energy/q = W/q = Fd/q = Ed
V = q / r
Equipotential lines
A line at which the potential/voltage is the ——-
In a constant electric field they are —— spaced (parallel plate)
In a point charge they are —- -spaced and form ——
Show mirror ——- about the center point
They are everywhere that is —- to the electric field lines
energy charge
same
evenly, unevenly circules, symmetry, perpendicular

Electric Dipole
A pair of equal charges of —— signs, separated by a very —— distance
Nature likes to make dipoles
Dipoles create, feel, and align with —— ——
Water is a dipole molecule, that is why it’s wet
opposite short
electric fields
Capacitor
Electric fields store electric energy, and capacitors are a device that —- electric energy
Two metal plates and an insulator between them produce a —— electric field between the plates
A charge placed in the uniform electric field will experience an electrostatic force in the direction of the electric field
stores, uniform
Electrostatics Summary
There are two types of electric charges: positive and negative
They have the same —— of charge
Like charges —- and opposite charges ——
Coulomb’s Law is analogous to the universal gravitational law of Newton
Gravitational forces are only ——-
Electrostatic forces can be —— or ———
Electric charge creates an —— —— that can do —— by exerting a —- over a ——
A potential difference creates ——
magnitude, repel, attract
attractive, repulsive attractive
electric field, work force distance
voltage
Voltage (U)
The change in potential that is meaningful and easily measurable
A difference in potential
1 Volt corresponds to the ——- done by an external force in moving a charge of 1 C by a distance of 1 m so 1 V = 1 J/C
PE vs Potential Difference
The PE of a positive charge increases when we move it ——- the field (moving in opposite direction as it naturally wants to requires work = PE)
The electrical potential/voltage of a positive charge increases as we move ——- to the charge (V = q / r, so decreasing r will increase V)
work
against
closer
Electric Current (I)
The motion of —- ——
In a conducting wire, the moving ——- make the current
The electric current is the time rate at which electric charges pass through a specified point in an electric conductor
The amount of charge that flows through the cross-sectional area of a conducting wire in a time interval
I = q /t
Unit is Ampere: 1 A = C/s
Direction
Although electrons are responsible for the flow of electric current in conductors, it is the convention to take the direction of the current as if it were the positive charges which are moving
So we set the electric current’s direction as flowing from —— to ——- terminal
electric charges, electrons
positive negative
Electric Resistance (R)
A property of a circuit element that —— the flow of a current
The resistance of a metal wire is
proportional to resistivity (property of material of wire)
proportional to length of wire
inversely proportional to the area of the wire
dependent on temperature of material
R = p(L/A)
If the resistance is constant over a wide range of voltage the material is said to be an —— material
The resistance can be calculated as the ratio of —- to ——
This is Ohm’s Law: V = IR
R = U/I
opposes
ohmic
voltage current
Resistor
A component of an electric circuit that is characterized by a resistance
Limits or regulates the flow of electric —— in a circuit and causes voltage —— (it’s called voltage drop because voltage will always drop across a resistor)
current, drops
Electric Power
The electric power is related to the energy that is converted from the electric energy of the moving charges to some ——- form of energy (heat, mechanical, stored)
For a resistor in DC circuit, the power (P) is given by the product of applied voltage and electric current
P = UI = I2R = U2/R
Unit is Watt: 1 W = 1VA
other
Electric, Mechanic, and Thermal Energy
In electric circuits, the electric energy is supplied by a battery which draws its energy from the —— —— stored in the chemicals of the battery
The battery —— PE of electric charges as it moves positive charges towards the positive terminal and more negative charges towards the negative terminal (charging the battery = building up PE)
When we provide an external conducting path from the positive to the negative terminal, charge flows from points of —— to —— PE (connected to the circuit)
As PE is lost, KE is gained by the —— flowing through the circuit
A portion of this KE is converted to heat by collisions with other electrons and atoms
potential energy
increases
higher lower
electrons
Electric Circuits Part1 Summary
A battery is a source of constant —— —— (—-)
Electric current is the rate of flow of —— —— over time moving from a —— to a —— terminal (in the direction that —- charge would flow)
Resistance can be measured/calculated as the ratio of —— to —— (Ohm’s Law)
Resistance is determined by geometry and material properties (R = pL/A)
Electric power is the conversion of electric energy from a moving point to some —- form of energy, and is the product of —- and ——
potential difference voltage
electric charge positive negative, positive
voltage current
other, voltage current
DC and AC Current
DC = Direct current
Is —- changing in time
The current flows in a —— direction from the positive to negative terminal
A battery provides steady voltage that is a source for a steady electric current
AC = alternating current
Is —- in time
Continually —— its direction
An electrical socket provides changing in time voltage that is a source for an alternating current
AC electromotive force/voltage is produced in power plants and sent to homes
not, single
changing, reverses
Series Circuits
In a series circuit there are no branch points into secondary loops
All elements line up in a —— loop
The —— current passes through all elements/resistors
Voltage ——/—— as is passes through resistors based on Ohm’s Law
The total voltage decrease/drop across the combination is the sum of these individual changes
The electromotive force is mathematically equivalent to the voltage
e = Vbattery = V1 + V2
Important Summary
Current is —— through each resistor because there are no alternative paths
ITotal = I1 = I2 = I3 …
Voltage is ——- across components, where the total voltage of the battery is equal to the sum of voltage drops across the resistors in the circuit (larger resistance = larger voltage drop)
Vbattery = V1 + V2 + V3 …
Req = R1 + R2 + R3 …
The equivalent resistance is always —— than the largest in the serial combination
single, same, decreases drops
constant
divided
larger
Parallel Circuits
There are points at which the current can split into different paths
The current flow —- and then later rejoins (Kirchoff Junction Rule)
A —- of the total current flows through each branch, the currents can be different since they divide, but will always add to give the total current of the circuit
The splitting into branches —— the electric resistance for the current to flow
The voltage drop across each resistance is the ——-, since they are all connected between the same two points
Important Summary
Voltage is —— across every branch, each get the full voltage amount from the battery
Vbattery = V1 = V2 = V3 ….
Current —— between branches
ITotal = I1 + I2 + I3 ….
Lower resistance = more current passes through
Req = 1/R1+ 1/R2 + 1/R3 …
Or if there are only two resistors, then it’s R1R2/R1+R2
The equivalent resistance is always —— than the smallest in the parallel combination
divides, portion, decreases, same
constant
splits
smaller
Kirchoff’s Laws
Junction Law
The sum of the electric currents entering the circuit equal the sum of the electric currents leaving the junction
IIn = IOut
Loop/Voltage Law
The net voltage drop around any closed loop must be ——-
Vbattery = Vdrop
Vbattery = IR1 + IR2 + IR3 ….
zero

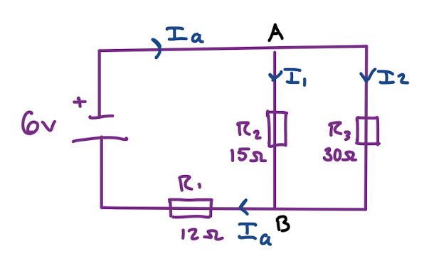
Example Problem
Calculate total equivalent resistance
First find Req, parallel
1/15 + 1/30 = 1/10 = 10
The two parallel resistors are in series with the third so to find the total use the series Req equation
10 + 12 = 22
What is the total current?
Use the total Req and battery voltage to solve
V = IR → 6 = I(22) → I = 0.27A
Calculate the voltage drop across R1
R1 is in series so its voltage drop is divided and current is constant, so use total current to calculate
V1 = ITotalR1 → V = (12)(0.27) = 3.24
Calculate the voltage drop from point A to B (across parallel branch)
From point A to B is a parallel branch, so voltage will be equal between the two branches. Since we know that for a series circuit Vbattery = ∑Vdrop we can say:
Vbattery = V1 + Vparallel → 6 = 3.24 + Vparallel → 6-3.24 = 2.76
This is the voltage across both parallel branches, they are equal
What is the current flowing through R2
R2 is in parallel so the current is divided, but the voltage is constant. We know the voltage drop from the previous question
V = IR → 2.76 = I(15) = 0.184A
What is the current flowing through R3
Same process as above
V = IR → 2.76 = I(30) = 0.092A
Calculate the power dissipated across R2
P = VI = I2R = V2/R
2.762/30 = 0.25 W
What is the total power
VTotal x ITotal = PTotal
6 × 0.27 = 1.62 W
ok
Household circuits
Are wired in —— so that different appliances can be added or removed from the circuit without affecting the voltage available
As you add more appliances, the total current drawn increases because the total effective resistance of the circuit decreases when resistances are added in parallel
Equal voltage drops to each resistor in parallel circuits
Current that is too large causes the wires to overheat and cause a fire, so a fuse/circuit breaker in series will disrupt the circuit if the current gets too large
Fuse/circuit breaker prevents fires
parallel
Battery Packs
Arranged in parallel provides the —- voltage but a —— current
Arranged in series provides a —— voltage but the —— current
same, larger
higher same
Voltmeter
Measures the voltage difference between two points in a circuit
Is inserted in —— with the element whose voltage difference is being measured
Should have a —- resistance so that is does not divert much current from the component whose voltage is being measured… we need some current flowing through the voltmeter for it to work
Ammeter
Measures the electric current flowing through a point in a circuit
In inserted in —— to the circuit being measured so that all the current flows through it
Should have a —- resistance so that its effect on the current is small and the voltage drop across the ammeter is minimal
If placed in parallel it can burn out the ammeter
parallel, large
series small
Capacitors
Ability to store charge per unit voltage
C = q/V
Unit is Farad: 1 F = 1 C/V
Has ability to —— and —— energy
Geometry of a parallel plate capacitor affects its ability to store charge
C = eA/d
DC does —- flow through, but AC —— flow through
Capacitors have insulators between the two plates, so DC currents will have a break in circuit = current stops flowing
AC currents “flow through” capacitors, but not through the insulators, but since the direction of flow is constantly reversing the pole charge of the capacitor is changing making it seem like it’s flowing through it
Constant change of + and - poles of capacitor make it appear to flow
Capacitance
Series: 1/CTotal = 1/C1 + 1/C2 + 1/C3
Parallel: CTotal = C1 + C2 + C3
store release
not, does
DC Circuits Summary
A combination of a circuit elements (batteries, resistors, capacitors, solenoids) can be reduced to their series and/or parallel combinations
In a series combination:
The electric current flowing through each resistor is the ——
The equivalent resistance is always —— than the greatest out of all individual resistances
In a parallel combination:
The voltage across each resistor is the ——
The equivalent resistance is always —— than the smallest out of all individual resistances
The total electromotive force of batteries connected in series is the —- of all electromotive forces of the connected batteries
Basically saying in series: Vbattery = V1 + V2 + V3
Batteries connected in parallel provide the —— electromotive force as one battery, but the electric current drawn is the sum of all currents drawn from individual batteries
Basically saying in parallel: Vbattery = V1 = V2 = V3
Ammeters have —- internal resistance and must be connected in ——
Voltmeters have —— internal resistance and must be connected in —-
same, greater
same, smaller
sum
same
low, series
high parallel