1/25
Looks like no tags are added yet.
Name | Mastery | Learn | Test | Matching | Spaced | Call with Kai |
|---|
No analytics yet
Send a link to your students to track their progress
internal resistance
The resistance that charge experiences as it moves through any power source

The symbol for a cell with internal resistance
V = E - lost volts
The equation that links the voltage measured when a voltmeter is connected over a cell, the emf of the cell, and the 'lost volts'.
E = IR + Ir
the equation that links emf, current, internal resistance and the resistance of the entire external circuit.

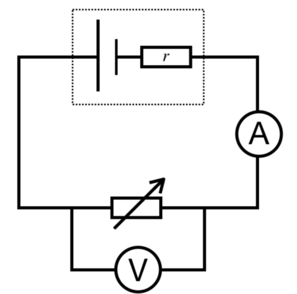
The circuit you use to find the internal resistance of a cell

The graph you draw when doing the experiment to find internal resistance
emf
In the internal resistance experiment graph, the Y-INTERCEPT equals...
-r
In the internal resistance experiment graph, the GRADIENT equals...
decreases
As the current drawn from a cell increases, the pd measured across its terminals...
more volts are lost over the internal resistance
As the current drawn from a cell increases, the pd measured across its terminals decreases because...

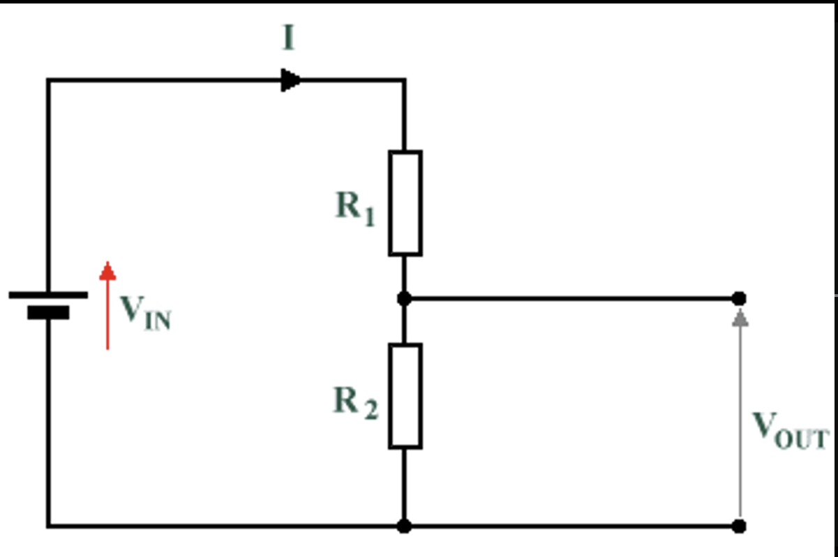
The symbol for a potential divider circuit

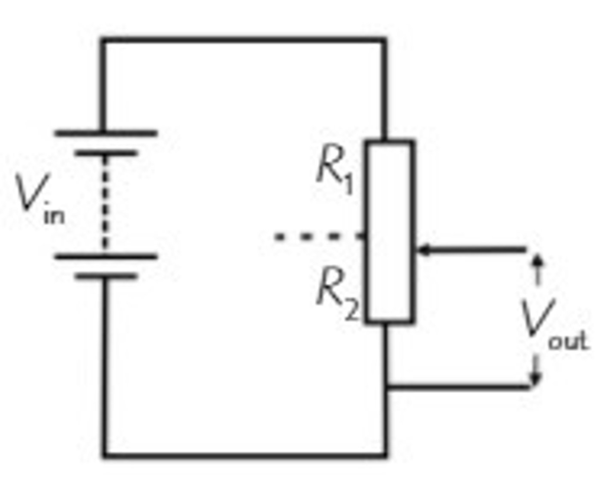
The symbol for a potentiometer circuit
a whole range of voltages can be achieved, from zero to the supply voltage
What is the advantage of using a variable resistor as a potentiometer?
V(out) = V(in) x R2/(R1+R2)
The potential divider equation
decreases
As the temperature increases, the resistance of a thermistor...
decreases
As the light gets brighter, the resistance of an LDR...
galvanometer
The name for a very sensitive ammeter

jockey
The name for a connector with a sharp edge
the galvanometer reads zero
When using a potentiometer circuit to compare emfs, we move the jockey until...
balanced
When using a potentiometer circuit to compare emfs, when the galvanometer reads zero we say the circuit is...
zero
When a potentiometer is balanced, the 'lost volts' in the smaller cell are...
Ex = E0 AY/AB
The equation for the unknown emf in a potentiometer circuit
unknown emf
The meaning of 'Ex' in the equation for the potentiometer circuit
known emf
The meaning of 'E0' in the equation for the potentiometer circuit
total length of the potentiometer wire
The meaning of 'AB' in the equation for the potentiometer circuit
length of potentiometer wire in Ex's circuit
The meaning of 'AY' in the equation for the potentiometer circuit