Feed Manufacturing and Technology (FM 425)
Topic 1: History and overview of the feed industry
learning outcomes
describe how the formula feed industry began in the US
describe the objectives and general structure of the modern feed industry
summarize current industry statistics
history of formula feed manufacturing
the first opportunity for the formula feed industry to be of service arose from the great demand for a good horse and mule feed
in the late 1800’s, livery stables were almost as common as service stations are today
development of animal feeding
Thaer, 1810 developed 1st feed standard
Weende experiment station developed proximate analysis system (moisture, protein, fat, fiber, ash)
Wolff, 1864 published 1st feeding standard based on digestible nutrients
henry Morrison, late 19th century developed feeding standard that was used for 50 years
national research council (NRC), 1944 developed feed standards for different species
as the industries of wheat and corn milling, meat packing, milk processing, and oilseed processing grew, waste materials that were dumped in rivers and streams were stopped by governmental law
the feed industry was spawned by the necessity to dispose of these human food by-products
chemical analysis of these “waste” by-products confirmed basic nutritional value
history of ingredients
commercial feed industry developed from by-products from the milling, meat packing, and oil seed processing
molasses, 1850
from sugar cane or feed production
meat scrapes, 1890
was originally fertilizer
brewers’ by-products, 1900
soybean meal, 1922
animal fats, 1954
amino acids, 1977
ethanol DDGS, 1980
distiller grains
history of equipment
feed manufactuing equipment has changes as feed mills adapt their processes to use various by-products and improve the nutrient value of ingredients
steel rolls to grind grains, 1870’s
grains and meat
hammermills, 1890’s
grains
horizontal batch mixer, 1909
pellet mills, 1930’s
original designe from Europe
vertical pellet coolers, 1950’s
automated feed mill, 1975
post pellet liquid application 1990’s
history of feed regulations
the government has been regulating feed since 1906 when the federal food and drug act was passed
association of feed control officials, 1909
federal food and drug and cosmetic act, 1938
FDA - good manufacturing practices, 1965
FDA - current good manufacturing practices, 1986
FDA - BSE rules, 1997
for mad cow’s disease
FDA- VFD rules, 1999
veterinary feed directive
FDA - bioterrorism act, 2004
FDA - food safety modernization act, 201l
Modern Feed Industry
objective of manufacturing feed
fulfill nutritional and physiological requirements
competitive price ($/lb. or $/kg feed)
profitable cost level ($/lb. or $/kg meat)
fulfill statutory demands
fulfill regulations
control, reduce or eliminate potential hazards associated with feed
business objectives
commercial feed mills
sell feed for profit
customer service
meet state laws
meet the customers need
integrated feed mills
delivery nutrients to animals for optimal performance or meat production
low-cost high volume
on-farm
utilize grain grown on the farm to raise animals
minimize feed input costs
feed types
commercial industry (produces the most feed)
complete feeds (meal and pellet)
supplements (meal)
pre-mixes/base mixes (meal)
toll milling (meal and pellet)
integrated industry
complete feed (meal and pellet)
limited number of ingredients
24/7
typically for one species or a very limited number of species
on-farm feed manufacturers
own use no outside sales (meal)
might combine commercial feed too
feed is a global industry

global feed production

us and china count for 1/3 of the feed production
global feed production by species

U.S. feed production by species

chicken is the largest sector because they don’t require as much space as cattle or pigs
most populations eat poultry
they only really need food and water
estimated US feed production by region

North Carolina by the numbers

broilers

layers

turkeys

hog and pig inventory

beef cow inventory

top states
Texas
Nebraska
Missouri
Oklahoma
South Dakota
Montana
Kansas
Florida
Iowa
dairy cow inventory

top states
California
Wisconsin
New York
Idaho
Pennsylvania
Minnesota
Texas
Michigan
New Mexico
Ohio
feed management responsibilities
requires current knowledge of feed market
understand international factors that affect the feed business
animal production trends
grain production trends
grain and feed ingredient markets
new technological developments in feed manufacturing
government regulations
feed industry resources
feed mill training an education
AFIA - American feed industry association
NGFA - national grain and feed association
Kansas State University
North Carolina State University
future of feed manufacturing
Schoeff (1961) wrote “the challenge facing the formula feed industry today is formulating, manufacturing, and distributing quality feeds to the livestock and poultry farms that will enable them to provide quality products at the lowest possible cost”
career options
facility management
allied industries
quality control
regulatory affairs
Topic 2: Monogastric Feeding Program Introduction
learning objectives
explain the relationship between nutrition and feed manufacturing
describe what is meant by a “feeding program”
recognize key information related to poultry and swine feeding
What is a feeding program?
mechanism to deliver nutrients to the animal based on a specific composition of the feed
critical component of the food chain
program decisions influence the wholesomeness of the food product
strategic plan to supply animal production objectives
feeding program objectives
nutrients (energy, protein, etc.)
health and constant production
production goals based on business model
cost/ROI (return on investment)
consumer demand
consumer retention
responsibilities of a nutritionist
1. determination of nutrient requirements under different environmental and managerial conditions
2. estimation of nutrient content and digestibility of different feed ingredients
3. determination of optimum feed forms or feeding systems
4. complete 1-3 with an understanding of the available feed manufacturing resources
responsibilities of the feed mill
1. ensure incoming ingredient quality
2. manufacturing feeds according to the specifications laid out by the nutritionist
3. control processes to avoid any contamination, nutrient imbalances, or other hazards
4. get feed to the animal
responsibilities of the farm
1. oversee animal health and welfare
2. keep up with feed needs and inventory
3. conduct necessary management activities:
1. animals have feed
2. animals have water
3. lighting
4. ventilation
feed formulation
set ingredient restrictions
which ingredients
minimum
maximum
equal
set nutrient restrictions
which nutrients
minimum
maximum
equal
ingredient restrictions
min/max
anti-nutritional factors, quality, handling, dustiness, etc. will determine max. inclusion
example - wheat (bulky, fine, dusty → may not flow well)
example - fat → max. inclusion typically 7% (flow and handling problems)
tricky ingredients
sat and limestone (calcium). they are cheap and will often appear in the ration at excessive levels
nutrient restrictions
which nutrients
AA
energy
calcium and phosphorus
Na and Cl
vitamins and minerals
Topic 2: Monogastric Feeding Programs: Poultry
objective of feeding poultry
formulate the least-cost feeds that meet nutritional requirements
satisfy maintenance, growth, reproduction health, and welfare of poultry
optimize a feed schedule to meet poultry product market requirements
meat birds: whole bird, cut up, further processing
eggs: whole consumer eggs, breaker eggs
maximize integrated poultry production efficiency
nutrition and feeding programs for broilers and turkeys (meat birds)
nutritional requirements are usually the amounts and proportion of nutrients that produce a market weight bird in the shortest possible time with the least amount of feed
max weight for age (ADG); min feed/gain
max breast meat yield for cut-up and further processed birds
exceptions:
when protein cost is high (high soybean meal prices); lower dietary protein levels may be cost effective even though birds will take longer to reach market weight
when energy cost is high (high fat prices), lower dietary energy levels may be cost effective even though feed: grain ratio (feed conversion ratio, FCR) increases, or feed efficiency reduces
nutrition and feeding programs for laying and breeder birds
nutritional requirements are associated with amounts and proportion of nutrients that produce the fittest birds for reproductive purposes
increased egg production rate, egg size, fertility, number of settable eggs, hatchability
lowest feed cost per dozen of eggs or kg of egg
lowest feed cost per chick or poult hatched
nutritional content of consumer eggs
e.g. higher vitamin content and high omega-3 eggs
feed programs for broilers
broilers (to 5,6,7, or 8 weeks of age)
3-6 feed phases
broiler breeder pullets (and cockerels)
3-4 feed phases to 22 weeks of age
broiler breeders (hens and cockerels)
2-3 feed phases from 22 to 56 weeks of age
starter feed (21-23% CP; 3000-3300 kcal/kg)
pre starter sometimes fed 1 to 10 days
1 to 14 or 21 days of age
grower feed (19-20% CP; 3000-32000 kcal/kg)
14 or 21 to 35 or 42 days
finisher feed (17-18% CP; 3000-3200 kcal/kg)
35 or 42 to 42 or 49 or 56 days of age
withdrawal feed (17-18% CP)
= finisher feed without medications for period required by law
feeding programs for layers/breeders
pullet flocks
0-6 weeks: 18% CP; 2850 kcal/kg
6-12 weeks: 16% CP; 2850 kcal/kg
12-18 weeks: 15% CP; 2900 kcal/kg
18-20 weeks (1st egg): 17% CP; 2900 kcal/kg; 2% Ca
laying flocks (20-70 weeks of age)
feed formulation based on daily intake
80 g/day, 19% CP; 100g/day, 15% CP; 120 g/day, 12.5% CP
molted flocks:72-108 weeks of age
important nutritional relationships that apply to poultry production
environmental temperature affects feed consumption
nutrient: energy ratios
amino acid balance
calcium: phosphorus ratio (Ca:P)
cation-anion balance (CAB) also called “acid-base balance”
nutrient concentrations decline with age
nutritional strategies and feed additives that influence enteric health
antibiotic enteric conditioners
coccidiostats (ionophores or chemical)
microbial enzyme supplementation
acidifiers and organic acids
herb, spices, and essential oils
oligosaccharides: FOS and MOS
Topic 2: Monogastric Feeding Programs: Swine
energy and nutrient concepts
requirements of pigs are calculated per day (g/d)
using feed intake, requirements are expressed as % of ration
energy concentration will affect feed intake i.e. more energy results in lower intake nutrients (%) are adjusted based on ME content
nutrient of concern
Na and Cl
salt is used to provide Na and Cl
typical inclusion
pre starter/ nursery - 0.1% (a lot of salt comes from whey products)
sows - 0.5%
grower-finisher - 0.35 to 0.5%
vitamins and microminerals
added as premixes
available for all phases of pig production
added vitamins and minerals vs total
objective of a nursery feeding program
provide a smooth transition from liquid to dry based diet
match diet composition to nutrient requirements of the weanling pig
maximize feed intake to take advantage of efficient gain
dietary needs of an early weaned pig
high nutrient density
high quality ingredients
high digestible
very palatable
diets are usually pelleted
ingredients are temperature sensitive → pellet at low temp
protein sources
sprayed dried porcine plasma
fish meal
soy protein isolated
milk proteins
blood meal
soybean meal
synthetics (Lys, Met, Thr, Trp)
milk products (lactose sources)
sprayed dried whey
whey permeates
lactose (pure)
fat sources
choice white grease
other quality fat sources (soy oil)
feed additives
flavors - based on sow milk
direct-fed microbials (lactobacillus, yeast)
acidifiers (citric acid, etc.)
sow diets
gestation
usually corn-soy with whet midds or soy hulls offered
typically, very little synthetic AA offered
gestation length about 114 days
(3 mo. 3 wks. 3 days)
feeding recommendations:
weaning to breed - ad lib.
breeding to d 30 - 4 lbs./d
d 30 to d 110 - to body condition
d 110 to farrowing - 4 to 5 lbs.
lactation
limit use of byproduct
high energy and AA diets
lactation length typically 14 to 21 days
feed ad lib. (approximately 12 lbs./d average intake)
may include laxative or antibiotics in diets
total sow feed intake/year = 2000 lbs./year
grower-finisher
typically corn + soy based
medications and other additives may be included
byproducts offered, in increasing amounts at heavier weights
synthetic AA offered. mostly lysine and methionine will likely be included
pigs are fed to meet maintenance and tissue growth requirements
growth = lean + fat + bone
lean = protein + water + fat
as body weight increases, AA requirements decrease
as feed intake increases less AA are needed in the diet
feed to match requirements:
fee barrows (castrated males) and gilts (females separate)
feed in phases
total feed intake for grower-finisher = 600 lbs./pig
it takes approximately 110 to 120 days to get a pig from 50 to 250 lbs.
summary
nutrition drives manufacturing
important to have defined feeding programs
feed formulation is fluid
specie variation
Topic 3: Feeding Ruminants: Cattle
learning outcomes
describe the objectives of feeding dairy and beef cattle
recognize ingredients typically used in ruminant feeds
identifying the processes involved in manufacturing and distributing ruminant feeds
describe manufacturing concerns related to different ruminant species
US feed production by species

US feed production by region
dairy is about 14 million tons
28% pacific, 16% northeast, 14% lake, 3% Appalachian
beef/sheep is about 15.8 million tons
37% southern plains, 28% northern plains, 13% mountains, 1% Appalachian

dairy cattle
feeding for milk production
amount
quality
must manage maintenance requirements
cycles
dairy formulas
associated with age and production rate
palatability is very important (flavor, color, texture), use of flavoring additives (milk and sugar by-products)
most commercial formulas are concentrates to be used with on-farm feeds (silage, hay, pasture)
products must be mycotoxin free (<200ppb aflatoxin) - consumer safety
antibiotics only for therapeutic (milk is set apart) or for young calves
dairy programs
heifers - birth to weaning (6-8 weeks)
receive 1 gallon of milk (replacer) + starter mix
starter mix
18-22% CP, 80% TDN
grain: coarsely ground, cracked or rolled (palatable, induce rumen development)
expensive - change to grower diet when consuming 4-5 lb.
heifers - weaning to calving
usually fed a total mixed ration (TMR)
monitoring body weight
lactation
grains, forages, concentrates, supplements
AA requirement increases with milk production proteins
true: degradable (RDP), undegradable (RUP)
non protein nitrogen: highly degradable
important: particle size, rumen pH
beef cattle
feeding for meat production
growth
body composition
managing the rumen
environment
beef cattle formulas
grains
rolled or steam flaked
protein
forage
vitamins/minerals
additives and by-products
ionophores
coccidiosis control
efficiencies (feed, rate of grain, milk production)
rumen buffers (highly fermentable ingredients, small particles, abrupt change in diet)
by-products
decrease cost
stretch forage supplies
by-products
source of specific AA
increase dry matter intake
source of organic phosphorus
attention to mycotoxins
Topic 3: Feeding Ruminants: Sheep and Goats
in general
feeding programs are smaller to those for beef
for grazing animals, little supplementation may be needed
fresh water is the least expensive nutrient and yet it is often overlooked
supplemental forage
offered when pasture quality is low or supplies are limited
common sources
baled hay
range cubes
cotton seed hulls
energy
concentrated most commonly offered to:
females in last 4 weeks of gestation
lactating females
developing breeding stock and during breeding
growing, finishing young
excess dietary energy is stored as fat
sources: grain, milling by-products, molasses, fat
protein
most expensive component of dietary supplements
excesses not stored, but excreted mainly in urine
usually offered to achieve 12-16% of DM in diet
sources: oilseed milling by-products, non-ruminant rendered products, grain milling by-products, NPN
macro minerals
usually supplied free choice in loose mix or block form
formulated to be consumed at a specific rate
minerals may also be added to concentrates
salt, Ca, P, magnesium
micro minerals
also supplied by free choice mixes or block, or potentially in a concentrated feed
most likely to be lacking
Se, Cu, and Zn
vitamins
needed in small quantities
all b-vitamin and vK are synthesized by rumen microorganisms and so generally are not a problem
vC synthesized in body tissues
vD synthesized in skin if animals are on pasture and exposed to sunlight
vA most likely to be deficient
sheep peculiarities
sheep are very sensitive to excessive Cu in their feed
wool production may make sulfur AA first limiting
sheep are moderately selective eaters
sheep require vitamin E supplementation
goat peculiarities
goats are highly selective and very good at choosing what they wany to eat
high producing dairy goats may suffer from milk fever if Ca not adequate
protein requirements seem lower for goats than other species
ruminant implications for the feed mill
diet form?
all feeds are not the same
e.g. differences in mineral requirements (toxicities)
by-products can be readily utilized to improve profitability
energy sources
protein sources
fat content should be limited to prevent upsetting the rumen
use of flavorings may reduce sorting
may wish to add ionophores/coccidiostats
may wish to produce a vitamin/mineral supplement separate from energy and protein supplements (for grazers)
Topic 3: Feeding Ruminants: Blocks and TMR
Total mixed ration (TMR)
combination of:
forages
silages
byproducts (wet and dry)
cereals
concentrates
additives
horizontal auger mixers
uses one, two, three, or four augers to churn the feed
specifics
substantial bearing stress
high concentrate diets

vertical mixers
large tub with a single vertical screw
high horsepower requirements
heavy
high roughage mixer
accommodate large round bales
knife section attached to screw flighting and shear plates on tub wall to cut material
process rations with almost 100% hay

ingredient loading sequence
traditionally advised to:
load large particle size ingredients (forage) first
load heavier, smaller particles (concentrate) last
mixing time
consult manufacturer’s recommendations
many recommend 3-6 minutes after ingredients are loaded in mixer
additional mixing past recommended time decreases particle size, usually does not improve the mic, and can case segregation
feeding a TMR
dry matter
as moisture contents change, supply more or less feed to provide the same dry matter
total amount consumed
log the amount fed and the amount left
relates to the economy of feeding
monitor:
particle size
forage size has physiological importance
physical consistency
non-uniformity can be indicative of mixing issues
sorting
evaluate feed not consumed
liquid feeds and blocks
lick tanks
tubs
blocks
chemically hardened
pressed
poured block system

poured block production materials

poured block labeling

poured block process







pressed block system

pressed block mixing


formed blocks

pressed block labeling

pressed block shrink wrap

pressed block stacking and storage

summary
feeding strategies differ amount both production types and species
a wide range of ingredients can be considered
processing includes both on-farm and feed mill
Topic 4: Pets and Specialty Feeds
learning outcomes
identify general requirements for feeding horses, pets, aquaculture and exotic species
describe feed forms associated with the production of feeds for the various species covered
Horses
gastrointestinal tract of the horse

post-gastric fermentation
horses possess a relatively small composite (composed of non-glandular and glandular) stomach
microbes present in the cecum and colon break down structural carbohydrates present in forages
microbial fermentation provides the horse with volatile fatty acids (VFAs) which can then be used for energy
dietary requirements
high quality forages free of dust and toxins
high quality protein to meet the animals AA requirements
synthetic AA
macro and trace minerals
vit a, d, e, thiamin, and riboflavin
fat
water
10-12 gallons/day
15-20 in hot weather
importance of forages
50% of diet composed of forages to promote proper digestion and gut health
the GI tract is just attached to the abdominal wall in one place. the bulk of the forage acts to “fill” the hind gut to prevent torsion or twisted gut. if not corrected immediately this condition will result in death
typical feedstuffs
pasture/forages/roughages
cereal grains
oats, barley, corn, and sorghum
molasses, fat, oil, or other ingredients may be added to diet to increase palatability
water
helps maintain gut fill and prevent impaction and colic

feed programs
maintenance
lower energy requirements than working horses or brood mare, crude protein requirement of 8-10%
good pasture or good quality hay, salt and mineral supplement
use common sense; some animals are easier to keep than others
performance
energy and protein requirements depend upon level of work
increased requirements may be met by increase intake
addition of fat (up to 15%) to the diet will increase the energy density
broodmares
nutrient requirements change throughout pregnancy and lactation
a grain mix should be supplemented in the last trimester to ensure adequate protein (10-11%), energy, minerals
lactating mares may consume up to 3% of their body weight in early lactation, protein requirements will increase 13-14% CP, energy and calcium may need to be supplemented
foals
milk replacers may be used if necessary
at weaning foals are fed for proper bone development and moderate to rapid growth
feeding proper amounts of energy, protein, Ca, and P is crucial to prevent stunted growth or problems with bone development
creep
aid in the transition from nursing to weaning
processed grain mixture mixed with molasses, supplemented with vitamins and minerals
CP 16-18%
at weaning, goof quality forage (min 1% of BW) and grain (14-16% CP) should meet the animal’s needs
geriatric
missing or worn teeth in older animals leads to decreased digestive efficiency
processing grain (cracking, rolling, crimping) or adding water to pelleted feeds can increase digestibility
adding energy supplements to the diet will help make up for decrease digestibility of other feedstuffs
considerations for ration formulation
corn is limited in horse rations due to the animal’s sensitivity to fumonisin
mills making both equine and ruminant feed may avoid using monensin due to the potential for cross-contamination of feedstuffs
manufacturing
pelleted feeds
control of pellet size, color, fines
textured (sweet) feeds
whole grain (oats), processed grain (flaked or rolled corn), molasses, pelleted supplement
bagged and bulk feeds
quality control
Pets
pet food production is a growing industry
over $10 billion industry in the US, generally shows consistent growth
dry-extruded pet foods are a larger market than moist-canned products
consumers perceive them to be healthier an easier to handle and store
low maintenance feeding of pets is popular due to modern, busy lifestyles
the health factor is a crucial driving force behind today’s pet food market
owners are emotionally attached to their pets and will do anything within their means to maintain their health to an old age
fresh pet food is an emerging market
raw diets are popular among some consumers, but face regulatory issues
pet foods require high quality protein meals
nutritional consistency
low ash content
high protein digestibility
absence of salmonella and pesticides
optimum palatability
high dietary rate of rendered by-products
about 25% of all meat by-products produced in the US are utilized in pet foods
inclusion rates of meat by-products in cat and dog foods are as high as 50% and 40%, respectively
a large variety of protein by-product meals produced by the rendering industry are used in the pet food industry
palatability
determined by the product formulation, size, shape, density, and texture
canned and soft-moist products are more palatable that dry pet foods because of their higher water content
higher density kibbles ten to be more palatable
palatability is enhanced by flavoring agents: liquid meat extracts, lipolyzed beef tallow, garlic, onion, sugars, beef or poultry digests, nonfat dried milk products
types of pet foods manufactured
dry expanded products
semi-moist products
soft expanded products
snacks
dry expanded products
these products are primarily made up of rendered animal protein meals, cereal grains, cereal co-products, soy and other plant products, milk products, fats and oils, minerals, and vitamins
dry dog food contains 5% to 12% crude fat to 18% to 30% crude protein
dry cat food contains 8% to 12% crude fat and 30-36% crude protein
typical extrusion moisture will range from 22% to 28% moisture content wet basis (MCWB) to produce a final product of 10% to 12% moisture content
semi-moist products
manufactured by extrusion processing using similar ingredients as in dry expanded products except the blend ratio of dry-to-wet, ranging from 80%:20% to 50%:50%
steam and water may be injected into the extrusion barrel to achieve desired moisture content of the finished product and facilitate extrusion cooking
typical extrusion moistures will range from 30% to 35% MCWB to achieve final moisture content of 25% to 35%
preservatives are included in the ingredient formulation to extend shelf-life
formulation pH is adjusted to 4.0 to 5.5 with organic acids, and antimycotic agents (i.e. potassium sorbate) and antioxidants (i.e. BHT, ethoxyquin) are also included
sweet flavors are added for dogs and acidic flavors are added for cats
soft expanded products
these are semi-moist product but contain a relatively high percentage of meat or meat by-products and are higher in fats and oils
products take on an expanded appearance after extrusion and have a lower bulk density than true semi-moist products
these products contain 25% to 35% moisture
same types of preservatives are used as in semi-moist products
same types of flavorings ae added as in semi-moist petfood
snacks
these products take on the shape of real bones, biscuits, or wafers
formed from a dough, shaped by cutting or stamping, and oven baking
some new extrusion techniques may be used to manufacture snack products with unique physical features
nutritional requirements of cats and dogs
national research council, national academy of sciences press.
nutrient requirements of dogs and cats
pet food companies
ingredients suppliers
aquaculture
general nutritional requirements
fish have a lower energy requirement than warm-blooded animals
protein and AA make up a larger portion of their diet
the skeletal support required for fish in water is lower than land animals
calcium requirements are lower
most fish, except tilapia, historically require dietary inclusion of fish meal (>15%) and/or fish oil to encourage feed consumption and provide omega-3 fatty acids
vitamin c
coated ascorbic acid or ascorbate polyphosphate to assure stability during and after feed processing
organic acid preservatives to prevent mold growth and an antioxidant to prevent oxidative rancidity of fats is typically included in the diet
types of fish feed manufacturing
extruded floating feed
extruded slow sinking feed
pelleted feed (sinking)
channel catfish
nursery ponds
swim-up channel catfish fry
fed 2-3 mm crumbles
fed 25% of body weight per day; fed hourly throughout the day
juvenile catfish (10 g)
fed 3-5 mm pellets or extruded pellets
feeding rates are reduced to 5 to 10% of body weights and fed 2-4 times per day
grow finishing ponds
grow-finishing catfish
fed 5-10 mm pellets; 32% CP and 2800 to 300 kcal DE/kg feed
fed 1-2 times per day, depending on water temperature
catfish need to be fed about 20% more feed when pond temperatures exceed about 80 F
most commercial catfish ponds are fed floating extruded feeds to allow observation of the fish during feeding
a mixture of sink pellets and floating extruded (85:15) can save 10-15% and still allows the management benefit of floating feeds
tilapia
these herbivores do not need fish meal
tilapia respond to more frequent feeding than catfish because of their continuous feeding behavior and smaller stomach capacity
fry should be fed at least 6-8 times per day and
larger fish at least 4 times a day
tilapia prefer pellets that are smaller than channel catfish and salmonids of comparable size
1.25 tilapia (market size) require 3-5 mm pellets
pond-reared tilapia requires diets containing 24% crude protein, but higher protein (28%) is required when water temperatures are above 75 F
hybrid striped bass
these fish are voracious feeders and require several feedings per day
require high dietary protein content (35% to 45% crude protein)
rainbow trout
feeding frequency and daily feeding rates depend on fish size, genetics, water temp, and energy concentrations of the diet
optimum feed particle size:
1-10 g fish: .5-1.5 mm pellets
20-40 g fish: 2-3 mm pellets
50-100 g fish: 3-4 mm pellets
>200 g fish: 5-7 mm pellets
feed pigments, such as astaxanthin (red-pink meat color) and canthaxanthin (orange color), is supplemented to achieve desired flesh color intensity
salmon
extruded or slow sinking feeds are typically fed to farm raised salmon
semi-moist diets are often fed to stimulate feeding
feed pigments, such as astaxanthin and canthaxanthin is supplemented to achieve desired flesh color intensity
crustacean meals or oils, phoffia yeast, and certain algae contain astaxanthin
daily feed allowance and feeding frequency vary with salmon species, size, temp, and moisture content of the diet
exotics
feeding exotic animals
what kind of diets are provided
feeds
supplements
produce
forages
meat
ingredients
typical commodities and protein sources
non-typical
poultry digest
rice flour, potato flour, pea flour
fruit and vegetable powders
pollen
kelp
flavors- banana, cinnamon, orange
manufacturing
pellets
appropriate size
concerns: stability, fines, acceptance
textured
blends of seeds, fruits, etc.
extruded
similar to pet foods
meals and liquids
tablets
diet preparation
soaking
mixing and blending
packaging and marketing
zoos and aquariums
retail
Topic 5: Major Ingredients
learning outcomes
identify major feed ingredients utilized in the US feed industry
describe the uses of major feed ingredients in the formulation of animal feeds
AAFCO
lists approved feed ingredients in the official publication (OP)
typically officially recognized ingredients are FDA approved

ingredient definitions
official definitions recognized b AAFCO or as an international feed name (IFN)
individual
corn
SBM (soybean meal)
DDGS
limestone
L-Lysine
methionine
collective
animal protein products
forage products
grain products
plant protein products
processed grain by-products
roughage products
molasses products
might not have all the listed incredients
Cereals
what are cereal grains?
seeds
80% of protein source, 50% of calorie source for humans and livestock
cultivation and breeding were the foundation of agriculture
grasses that produce edible grain
common cereals are
corn aka maize
rice
sorghum
oats
wheat
barely
certain millets
largest crop category
corn
US corn acreage and yield

most used cereal grain
flat trend of corn harvested
but an increase in yield due to practices and genetics
a bushel is 56 pounds
US corn production

corn usage in the USA

most is feed to animal
30% goes to ethanol but 9% of that goes back to the livestock
corn - history
probably originated from Mexico or Central America
cultivated by native Americans as far north as new England upon the arrival of colonists
corn - structure

endosperm as the largest part
corn co-products
hominy feed (dry milling)
DDGS
Corn germ meal (dry and wet)
corn gluten feed (corn starch or syrup)
corn bran
29 AAFCO defined products
sorghum
aka milo
in the US sorghum production is one species known as sorghum bicolor
3 main types produced
those cultivated for grain production
those grown for forage and silage
those (sweet types) used for sugars and syrups
sorghum - history
originated in Africa and Asia
grown for more than 5,000 years
42,000 selections in the worldwide collection
1900’s: grown in southwest due to its’s drought resistance
1950’s: sorghum hybrids increase production
sorghum coproducts
hominy feed (dry milling)
sorghum gluten feed (corn starch or syrup)
sorghum DDGS (from ethanol or food alcohol)
9 AAFCO products
oats
almost primarily grown for their seed
rolled oats (oatmeal and rolled oats) and animal feed
part of the horse diet
whole or grounded in pelleted feeds
might be in cattle, backyard poultry, and pet feeds
oats - history
Asia minor: origin of wild oat species
aka turkey
bronze and iron ages in central and western Europe
oats were established by 7th century in western Europe
China prior to 1000 A.D.
Northern Europe 1000-1500 A.D.
US - 1602 A.D.
oats - structure

oats have a fibrous hull which makes up about 25% of the weight
harvested with the hull
may be removed for processing
after removal the oat is referred to as an oat groat
oats coproducts
feeding oatmeal (rolled oats)
oat hulls
6 AAFCO products
wheat
most widely grown food crop in the world
the US and Russia lead the production
the US has more per acre
other countries include Canada, China, India, France, Argentina, Australia
primarily grown for milling to produce flour
classified based on
color, hardness, and best use
classes of wheat
hard red winter: bread
hard red spring: bread and rolls
soft red winter: cake and pastries
white wheat: bread, breakfast foods, pastries
Duram: pastas
might be included in animal feed but typically not - expensive
wheat - history
earliest field crop 12,000 - 17,000 years ago
North America in 1520 by Spanish in Mexico
Elizabeth Island, MA 1602
Virginia colony 1611
wheat - structure

endosperm is high in starch - what makes it good for flour
the germ is the highest in oil
and the bran is the outer coat
wheat - coproducts
bran - course outer covering
middling’s - fine bran, short, germ, flour
<9.5% CF
shorts - fine bran, shorts, germ, flout
<7% CF
red dog - “tail of the mill”
<4% CF
8 AAFCO
barley
grown in nearly all cultivated and temperate areas
areas include Europe, north and south America, north Africa, most of Asia and Australia, and the US (ND, Ca, Mo)
used mostly for malt and human food
it is also used for hay and silage
barely - history
origin from wild cultivar 35,000 - 40,000 years ago
near East samples dating back 9,000 - 10,000 years
recorded history 2000 B.C.
North America by Columbus (1492-1493)
Coast of MA 1602
barley - structure

large endosperm
2 row barley has more starch and lower protein
ferments easier due to the lower protein
Irish
6 row barely is higher in protein and more likely to be used in feed
American logger style beer
rice
China, India and Indonesia produce the most rice
in US production is in Arkansas, California, Luisiana, and Texas
95% of the rice crop is used for human food
broken rice is used in animal feed and alcoholic beverages and pet foods
rice - history
origin
China: 10,000 - 12,000 BC
further cultivation
India: 2,000 - 3,000 BC
Europe: Middle Ages
US: late 1600’s
rice - structures

rice with the hull it is called paddy rice
rice without the hull with the bran is brown rice
rice without the bran is white rice
rice - coproducts
rice bran and hulls
high in cellulose
high in silica
broken rice
10 AAFCO defined products
rye
mostly cultivated in Europe and Asia where Russia is the lead close Poland and Germany
in the Americas Canada and Argentina produce
in the US it is concentrated in the Dakotas
rye - history
most recent cereal grain
mentioned by Greeks and Romans
widely cultivated in Europe by the Middle Ages
Americas in the 16th and 17th centuries
rye - coproducts
rye mill rum
rye middling’s
10 AAFCO defined products
Oilseed Co-products
world oilseed production 2019

soybeans

originally processed for its oil
high in protein and don’t have many antinutritional properties
world soybean products 2019

soybean meal use by livestock

methods of oilseed processing
solvent extraction
responsible for the largest amount of production
primary used by large processing mills/units
the beans are crushed the oil is extracted by hexane the solvent is reclaimed, and the flakes are toasted and ground
hydraulic press oil extraction
less common due to time utilization
soybeans are cooked flakes at 218-230 F for about 90 minutes then pressed for an hour
the residual is what can be ground up into the meal
extrusion-expeller oil extraction
popular among large companies, small enough to do the extraction on farm
the beans are tempered and crack and put into an extruder at 250 F< and the oil is expeller through a screw press
Sam soybean

expeller process
dry extruder - cooks the soybeans and ruptures the cell wall to facilitate oil extraction
heating is needed to deactivate the trypsin inhibiting enzyme/protein
expeller - removes the oil by pressing the soybeans
soybean processing products
soybean meal (47-48% CP): dehulled, solvent extracted
fed to all classes of livestock, primarily poultry and pig starter
soybean meal (44% CP): solvent-extracted
hulls fraction is blended with SBM-48
fed to swine and ruminants
soybean meal (42-44% CP): mechanical-extracted
fed to poultry and young pigs
contains 10% higher energy, higher protein digestibility, and lower moisture content than solvent-extracted meal
soy hulls
outer overing of the soybean, higher fiber content
fed primarily to ruminants
often pelleted to transfer and then added to TMR
soybean mill feed
soy hulls and offal from the tail of the mill resulting from the manufacture of soybean grits or flour
fed as a hay replacement for ruminants
soybean mill run
soybean hulls and bean meats that adhere to the hulls in the production of dehulled soybean meal
red to ruminants and in sow diets
canola meal/rapeseed meal
canola is major crop in Canada and the US
cool weather crops
advantages
protein is well digested by monogastrics
good AA balance
might improve pellet quality and manufacturing
common problems
potential problems with glucosinolates in meal
glucosinolates are bitter and reduce feed intake in animals
canola (low) vs. rapeseed meal (high)
peanut meal
advantages
protein is well digested by monogastrics
corn and peanut meal diets need to be supplemented with Met, Lys, and Thr
~40% CP
may or may not be pelleted
will typically be used wherever peanuts are produced
common problems
peanuts that are unsuitable for human consumption may be contaminated with aflatoxin due to wet growing and harvest conditions and poor peanut drying
cottonseed meal
cottonseed meal is the by-product that remains after cotton is ginned and the seeds are removed
advantages
excellent protein source for ruminants
good source of tryptophan
common problems
high crude fiber content
high phytate (indigestible form of phosphorus) content
unbound gossypol binds iron and discolors egg yolks
toxic for monogastrics and calves
sunflower meal
sunflower meal is the by-product after the oil is removed from sunflower seeds that had the hulls removed
advantages
good source of protein and methionine for poultry
no antinutritional factors
common problems
high fiber
bulky ingredient
low in energy and lysine
Topic 6: Minor ingredients
learning outcomes
recognize common minor ingredients used in the manufacture of animal feed
describe the reasons minor ingredients are included in feed ration formulation
minor ingredients
a relative term influenced by:
formulation/species
process flow
typically, might include
specialty proteins
by produces
distillers dried grains (DDGS)
North America Ethanol Plants
primarily located where dairies and hog production so transportation is not a big factor
for poultry it will have to be transported through rail

Corn Ethanol process
the corn is grounded then combined with water
the mixture is sent through a jet cooker and cooled
enzymes are added to break down simple sugars and then yeast is added to convert the sugar to ethanol then is distilled and filtered

ethanol co-products
condensed distillers solubles
distillers’ wet grains
might just be sold wet to dairies for silages
distillers dried grain with solubles
for feed manufacturers
domestic production of DDGS

increase of production
beef and dairy eat the most DDGS
feeding DDGS
cost-effective protein source
AA are variable among sources and have an inferior profile (because corn has an inferior profile)
nothing supplementation can’t fix
variable energy value
depends on source and processing
over dried vs weather the oil was removed before processing
mineral levels can be highly variable among sources
some concern with feed acceptance
especially in young animals
also feed manufactures know that the DDGS will get stuck in the feed equipment

DDG have 3x the amount of fat and minerals as corn
the production produces 1/3 DDG 1/3 ethanol and 1/3 Co2 concentrating the non-starch fraction
animal by-product protein meals

sources of animal protein by-products
slaughtering plant by-products
hide and tanning by-products
keratinous proteins
hatchery by-products
animal, poultry and fish mortality
animal by-product flow

slaughter plant by-products
annual US production
3+ million tons of inedible beef
3.5+ million tons of inedible pork
4+ million tons of inedible poultry
variety of by-products source streams:
offal, blood, feathers
rendered into by-products meals for feed and organic fertilizer
by products meals and fats
slaughter plant by-products delivered daily
offal, blood, feather or hair delivered separately
rendered fats
beef tallow, pork lard, poultry fat, fish oil
graded by the degree of saturation of FA
by product meals characterized by
predominant source
protein content
ash content
protein by-product meal blends
low as, high quality meat meals
highly digestible protein for pet food
single species source
meat and bone meals
typically, 50-55% CP
mammal tissues including bone
single species source
feather, blood, plasma
common animal byproduct meals and other products
by-product meals
poultry meal
poultry by-product meal
meat meal
meat and bone meal
animal by-product meal
blood meal
other animal by-products
poultry hatchery by-product
hydrolyzed poultry feathers
animal plasma (spray dried)
fish meal
not necessarily a by-product
two types
lean fish
oil fish
high quality protein
more expensive
lean fish (cod and haddock)
oil is stored primarily in the liver
fillets contain very little oil
low oil content (2-6%) since the livers are removed before processing
whole fish is not usually used
fillets are used for human consumption
contains a higher ash (minerals)
less meat more bones
white fishmeal constitutes only 10% of the world fishmeal production
oil fish (herring, menhaden, anchovy, pilchard, sardines, and mackerel)
store oil in parts of the flesh
high oil fish
commonly referred to as industrial fish
approximately 90% of the world fishmeal production
sustainability issues
population declines
milk and food by-products
milk byproducts
dried whey and whey permeate (whey with the solids and protein resulting in a product high in lactose aka dairy product solids)
granular
sprayed dry
milk lactose
milk products
chocolate milk blend
dried skin milk
whey protein concentrate
typical nutrient analysis

moisture content below 10%
product selected based on:
price relative to lactose
protein content
food by-products
food processes have products that are sometimes out of compliance due to manufacturing problems or being out of date
the products can be added to animal diets directly from the manufacturer of they may need to be processed
removing packaging or processing to make in homogenous
wheat milling by-products
wheat middlings
fine particles of bran, shorts, germ, and flour
most common milling byproduct
maximum 9.5% crude fiber
some energy value
flow poorly
help pellet quality
wheat bran
outer coating of the wheat kernel
contains 10-12% crude fiber
no energy value but used for ruminants
flow poorly
help pellet quality
bakery byproducts
bakery byproduct is recycled bakery waste
base products include recycled bread, dough, pasta, crackers, cereal, bagels, sweet goods, and snack chips
the mixture will vary based on the season
salt level is a concern
direct to the feed mill
snack companies will sell off-specification products as a feed ingredient
can have a wide variation depending on the product that is being manufactured and what problems occur
delivery may vary
salvage pet food
a product resulting from pet food manufacturing. this product may consist of, but is not limited to, start-up and over run product, unfinished pet food, pet food, pet food fines and other product not suitable for packaging for retail sale (AAFCO)
prohibited protein notification
must not contain harmful foreign materials
must be properly labeled for its intended use
distressed pet food
a product resulting from pet food distribution, but which is no longer available for retail sale. this product may be pet food in, but not limited to, dented cans, torn bags, product past its sell-by date, or returned product that is suitable use in feed (AAFCO)
same regulatory restrictions as salvage pet food
Topic 7: Minerals, AA, Vitamins, Additives & Premixes
learning outcomes
recognize common ingredients used in the manufacture of animal feed
describe the reason common ingredients are included in feed ration formulation
describe the properties and uses of premixes and other specialty mixes
ingredient classes
minor or micro based on inclusion rate
may be add by hand at a small plant
at a larger plant there might be an overhead bin
may include
minerals
vitamins
synthetic AA
additives
different forms to choose from
based on formulation
based on process
minerals
why are minerals added
different soil types and production systems
challenge to formulate using only major and minor ingredients bioavailability
macro minerals
calcium
skeletal development
enzyme activity and transmission of nerve impulses and muscle movement
closely linking with phosphorus and vitamin D
deficiency symptoms include:
rickets
osteomalacia (bone softening)
lameness and stiffness
muscle spasms
milk fever (lactating cows)
calcium sources
limestone (calcium carbonate) (38% Ca)
dicalcium phosphate (22% Ca)
monocalcium phosphate (16% Ca)
oyster shell (33% Ca)
mostly in poultry feed
rendered products
phosphorus
closely associated with calcium
physiologic utilizations
deficiency symptoms:
rickets and osteomalacia
stiffness and muscular weakness
poor growth
death (total P vs available P)
sources
monocalcium phosphate (21% P)
dicalcium phosphate (18.5% P)
defluorinated phosphate (18% P)
abrasive good for pellet manufactuing - expensive
phytase enzyme that breaks down phytate making that phosphorus available
the most substituted enzyme
not produced by the animal
potassium
sodium
chlorine
sulfur
magnesium
salt
sodium
chloride
salt deficiency
poor growth
changes in thirst
cannibalism
trace minerals
believed to play a role in immunity and reproduction
bioavailability concerns
typically premixed
can be added as per concentration
iron
zinc
copper
molybdenum
selenium
iodine
manganese
cobalt
Synthetic AA
introduction
competitive industry
multi-billion-dollar industry
geographically concentrated
Japan, US, South Korea and China
complicated manufacture
multiple uses
intravenous solutions
flavorings
valuable in least-cost formulation
we no longer have to formulate for limiting AA
there would be an access of other AA and excreted into the environment
AA
essential AA: animal cannot synthesize in its body
limiting AA: lowest amount in relation to the animals need
lysine in swine
lysine or methionine for poultry
AA imbalances
energy: AA ratio
protection
ideal protein
in ruminants we feed rumen protected AA so it is not digested by microbes
required AA for monogastrics
essential AA
often added
lysine
methionine
threonine
tryptophan
maybe isoleucine and valine
others
arginine
histidine
isoleucine
lysine
methionine
phenylalanine
threonine
tryptophan
valine
non-essential
alanine
aspartic acid
citrulline
cysteine
glutamic acid
glycine
hydroxyproline
proline
serine
tyrosine
vitamins
adding vitamins
important for growth and physiological functions
stability issues
oxidized with heat and light
protection
wax or gelatines
over-formulation
in premixes
used to be called vita-amines
was thought to be a group of AA
vitamins
A
D
E
K
thiamin
riboflavin
pyridoxine
pantothenic acid
folic acid
biotin
choline
B12
feed additives
nutrient feed additives
macro minerals
micro trace minerals
vitamins
AA
pro-nutrient feed additives (enhance nutrition, affect manufacturing, animal health, deworms (FDA regulated)
medications
antifungal agents
anthelmintics
FDA regulated
antioxidants
enzymes
direct-fed microbials
essential oils
fermentation products
herbs
pellet binders
surfactants
pigments
flavors
stool conditioners
buffers
premixes
premix purpose
convenience of handling and storage
free up the number of ingredient bins
increase batch efficiency and reduce batching errors
optimize micro-ingredient article distribution in the feed
vitamin-mineral custom premix
blend of vitamins, macro- and/or trace minerals
commonly used for on farm mixers, and small feed mills
specifically formulated for a species and number of feeds
special product premixes
vitamin premix
specifically formulated for a species
feed inclusion level up to 2lb/ton
trace mineral premix
specifically formulated for a species
feed inclusion level of up to 4lb/ton
feed additive premix
a dilute feed additive
antibiotics. coccidiostats, mold inhibitor, enzyme, flavor, pigment, antioxidant, etc.
typically are mixed with carries
can also be formulated for a range of species at lower levels
just has to have the listed amounts of each ingredient on it
premix carriers
substances that can absorb liquids (take in through crevices or pores) or absorb liquids (adhere liquids to the surface of solids)
substances than can accept and hold fine powder without segregation or separation
the type of carrier used in a premix is dependent upon functionality, physical characteristics, type of active ingredient, cost, and availability
we need carriers because most of the vitamins and minerals are needed on a gram(s) per ton basis
the carriers bulk up the ingredients, so it is easier to measure and define
typical carriers used in premixes

properties of an ideal carrier
particle size similar to the active ingredient
may granulate for mixing and flowability
low moisture (<5%) and non-hygroscopic (doesn’t want water - no clumping)
low fat (<4%)
low electrostatic properties
no sticking to metal equipment
allow adequate adsorption and absorption
liquid binders for premixes
improve the handling characteristics of a premix
anti-dust agent
antistatic agent
prevent particles from desegregating and attaching to equipment
binders may include molasses, mineral oil, or vegetable oil
mineral oil is the most commonly used binder
vegetable oil is subject to oxidative rancidity and can destroy vitamins sensitive to oxidation
molasses can be negative because it is sticky and can create clumps
specialty mixes
base mixes

protein supplements
base mix + blend of protein sources
may contain vitamins, macro minerals, trace minerals, pharmaceuticals, etc.
commonly used in both ruminant and non-ruminant feeds made on the farm or at small local mills
specially formulated for a species and feed type
if you add a cereal grain, you can make a complete feed
concentrates
blend of protein and concentrated energy source
contains macro minerals, trace minerals, pharmaceuticals and other feed additives
commonly used for ruminants and horses
should be used with forages
specially formulated for a species and feed types
Topic 8: Liquid Ingredients —
learning objectives
understand why liquid ingredients may be used in a feed manufacturing facility
describe some of the different possible types of liquid ingredients
why liquids
only available form
stored separately form dry ingredients
no bins needed and added flexibility
different routes to the mixer because it is liquid
dedicated receiving
can be added post-processing
after texturized feed and sprayed on if its not temperature tolerant
fats
introduction
animal and vegetable fats have been a common feed ingredient since the 1950’s
the impact of dietary caloric density on feed efficiency has long been recognized
supplemental fat is usually the most economical way to increase dietary caloric density
animal fat is a co-product of the rendering process/industry
estimated: 5 billion pounds of fats are used in the U.S. poultry and livestock industries, annually
fat types
cost and type will be based on availability, feeding requirements of the animals and the plant, geographic region
pure source animal fat - 100% single species
blended feed fat - blend of tallow, grease, poultry fat, and restaurant grease
blended animal and vegetable fats - blend of tallow, grease, poultry fat, restaurant grease, soaps, and other by-products
AB blend
vegetable oils - 100% single source
tallow and grease
swine
lard (typical human food)
choice white grease (typical in animal food)
poultry
poultry fat
generic
yellow grease
restaurant grease
typical a combination of fats
common precursors to biodiesel
beef
edible tallow
top white tallow
all beef packer tallow
extra fancy tallow
prime tallow
no. 2 tallow
a tallow
different types driven by the end product use
vegetable oils
cooking oils and salad oils
margarine and shortening - important to control oiliness and spread ability
saturation - hydrogenation
mayo - semisolid, 75-80% soybean oil along with eggs, vinegar, and some starch
vegetable fats rarely price into agricultural animal diets
typically, in blended fats
quality concerns
there is a large amount of variability associated with blend of animal/vegetable fats
quality issues associated with feed fats:
food safety - fat soluble toxins stored in fat tissues
naturally occurring
man-made
i.e. oxidation in poor storage, pesticides
feeding value - energy value and oxidative stability
GE
DE
ME
NE
fat storage
storage temp: dependent on outside temperatures and ingredient characteristics
fat in tanks should be rec-circulated to keep temp constant
stop solids
pipelines need to be heated
filters are needed throughout the system, particularly at unloading
no clogs or problems with pumps and meters
AA
AA
methionine
2-hydroxy-4(methylthio) butanoic acid (HMB)
methionine hydroxy analogue (MHA)
aliment by novus international (88% Met)
lysine
liquid L-Lysine-HCl
AjiLys by Ajinomoto (50% L-Lysine)
background
multi-billion-dollar industry, and very competitive
major producers of AA
Japan
US
South Korea
China
AA are produced through fermentation or via chemical synthesis
all of the AA can be produced, but most of them are too expensive
liquid AA tend to be cheaper because they don’t have to go through an expensive drying process
other nutrients
other nutrients
choline
vitamin-like
important to fat metabolism and energy balance
choline chloride (60-75% choline)
water soluble
some can be synthesized by the body
betaine
naturally occurring, extracted from sugar beet molasses
helps maintain cellular fluid balances
methyl donor
energy sparing, methyl donation
corn steep liquor
concentrated soluble from the steeping process
contains:
free AA and di-peptides
high in vitamins and trace minerals
used in the liquid feeds industry
typically for tubs and lick tanks
glycerol
byproduct of biodiesel production
inexpensive source of energy
could lower the cost of pellets and lower the cost of fats
enzymes
enzymes
liquid or dry
liquid is typically used when the enzyme is added post manufacturing because it is not heat tolerant
added as a spray
improve nutrient digestibility
improve animal performance
reduce feed costs
very low inclusion rate
often 1 lb. per ton
expensive
management is key
commercial exogenous enzymes

product stability
product inhibitors
mold inhibitors
food safety
toxins
customer point of view
antioxidants (ethoxyquin)
vitamin stability
pathogen control
formaldehyde and propionic acid
can be hazardous to employees though
flavors
flavoring agents
anise
cover off-flavors for other ingredients
apple-berry flavors
for horses and deer
molasses
for horse and dairy cows
fishy flavors
for pets and fish
butter
for baby pigs and calves
water
excess moisture for feed spoilage
also, can help with production of pelleted feeds
has to be monitored like other liquid ingredients
make sure the water is free of bacteria and pathogens
summary
liquid ingredients can have significant value to the feed mill
many different types for many different purposes
have to be managed just as with any other ingredient in the facility
Topic 9: Commercial vs. Integrated Operations
learning objectives
describe primary differences between commercial and integrated feed milling operations
understand how these differences may impact production decisions
objective of manufacturing feed
fulfill nutritional and physiological requirements
competitive price ($/lb. or $/kg feed)
more associated with commerical
profitable cost level ($/lb. or $/kg meat)
more associated with integrated
fulfill statutory demands
lows such as labeling, reporting production
safety doesn’t change
fulfill regulations
control, reduce or eliminate potential hazards associated with feed
business objectives
commercial
sell feed for profit
customer service
no customers no money
might be one mill or multi-mill facilities
integrated
delivery nutrients to animals for optimal performance or meat production
low-cost high volume
feed lots of animal’s while being efficient and meeting the animals need with the lowest cost
feed types
commercial
complete feeds (meal and pellet)
supplements (meal)
pre-mixes/base mixes (meal)
tolling milling (meal and pellet)
manufacturing feed for a different brand
integrated
complete feed (meal and pellet)
rare that a producer will do toll milling
happens when they have a little more space
ingredients
commercial
impact of species types
swine and equine don’t eat the same
have to worry about sensitivities
what about certain specialties
will have to have a bunch of different types of ingredients
many additives
medications
premixes
smaller quantities offer flexibility
integrated
simplicity is preferred
fewest number of ingredients but as much of that ingredient as they can get
pricing has a greater impact
all about controlling cost
not a margin like in commercial
facility size and design
commercial
relatively smaller in the sense of capacity
more moving parts
could send things back
more complexity
space
large warehouses because of high amounts of additives
more labor
need the space for moving all of the ingredients
more worried about making the different types of feed
integrated
relatively larger
designed for low maintenance, long life
decrease maintenance
decrease labor
throughput focus
less amount of feed types
more worried about getting the quantity off feed out the door
equipment and automation
commercial
may be smaller
multiple sizes of same equipment
multiple types of equipment within an area
hammer vs. grinder
logistics management in automation
really important
integrated
sized throughput
most efficient
cannot be choke point with production
duplication of equipment
not different types of that equipment
also helps if the manufacturers around you have the same type of equipment, then spare parts are shared
automate for efficiency and reduced interaction
low labor and the labor can do different things like maintenance
staffing
commercial
more hands
manager, assisted manger stuff like that because task have to be delegated in bigger productions
office staff on site
invoicing
integrated
labor based on what is needed
a couple of maintenance, quality ensure, batcher, receiver, loader
shift variances
decreases at night
centralized business operations
not as much office staff
management
human resources
quality assurance
nutritional
safety
OSHA doesn’t tell the difference
regulatory
interactions outside the facility
commercial
customers
independent nutritionists and veterinarians
retail
integrators
growers
other units (nutrition, veterinary, transportation, purchasing, processing, etc.)
retail
summary
operationally more similar than different
small things make the big differences
Topic 10: Feed Mill Feasibility and Design
learning outcomes
list the steps involved in planning for a feed mill
describe the areas that must be considered in the design phase of a new mill project
compare the different options for mill construction
determine feasibility and mill objectives
company long-range plan
mill usage
set up planning group
set time schedule for planning
1,3,5,10 year plan
company long-range plans
define and prioritize objectives
determine obstacles
determine personnel requirements
training
determine facilities requirements and costs
office space
assign responsibilities
develop schedule
establish measurements
determine administrative actions
feed meal types
commercial
manufacture feed for sale to customers outside the company
usually multi-species
blend of bulk and bagged feed
integrated
manufacture feed of own animals on contract or company farms
single species
bulk feed only
on farm
large independent livestock producer
single species
bag or bulk feed
the use of cereal grains already grown on site
don’t have to worry about transportation
define business plan
market area
feed sales and use potential
long range market forecast
marketing program
how to create customer demand
feed market area
grain surplus/deficit area
grain transport?
types of feed grains and other ingredients available
specialty grains
organic
future needs of the company
transportation, market share, volume
concentration and future trends of livestock and poultry production
market survey
feed sales and potential
what is happening in the market area
what is the potential to increase contract growers
feed volume
what about increase in animal numbers
conduct a survey on the following groups:
contract growers
company farms
independent farmer or customer needs
companion animals
backyard animals
product and services
formula feeds
complete
concentrate/supplement
premix
protein sources
medications
form of feeds
pellet vs. mash
bag vs. bulk
liquid
available ingredients
farm supplies
services
providing cracked corn or specific products
selling directly to the public or to another company
forecast feed market
determine area competition or feed manufacturing capacity
determine customer base or future expansion of local livestock industry
project share of feed sales
how the surround community is
the potential for growth
estimated feed consumption
based on the phases of the animal growth, how long each cycles there will be per year, how much the animal will eat
poultry
layers
broilers
heavy broilers
turkeys
swine
hog
sow
dairy
cows
beef
steers

feed product marketing
method of product distribution
franchise dealers
feed stores
direct sales
satellite mills
selling it to another company
typically, a combination
advertising and promotion
pricing and credit program
who are you selling to
backyard specialty = higher premium
growers will look for lower prices
mill design planning
assemble experts
internal committee
design, surveys, construction
if one company, does it all it is known as a turnkey
projects require the feed mill more involvement
consultant
schedule planning
design plan
blueprints, plumbing, electrical
internal review of plans
final design
bidding 2-4 months
freezing the plans - once everyone agrees with the plan, there is no turning back
construction - any changes made after the construction bids are awarded are very expensive
basic design questions
type of feed mill (commercial, integrated)
species (poultry swine, beef, companion)
weekly production (days, shifts, tons, how may days are we operating)
ingredient transportation (rail, barge, truck)
feed form (crumble, pellet, mash)
percentages
delivery method (bulk, bag)
percentages
feed mill design and site survey checklist
land availability
land use
climate
infrastructure
labor availability
preliminary structure design
equipment specifications
preliminary structural and equipment layout
plant site checklist
land availability
future expansion
grain storage
rail yard
neighbors
most feed mills are 24 hrs.
size of property
will it provide the pollutant buffer
land use
zoning
soil type
drainage
infrastructure
railroads - short line, mainline
roads
highways- 2,4 lane
bridges - weight rating
make sure feed trucks can go through the bridge
electric power - sub-station, rates
mills use lots of electricity
city limits
boiler fuel - natural gas, propane, fuel oil
natural gas is the lowest cost then propane
communication - internet, telephone
has to be reliable need a high-quality automation system
goes through the cloud
water and sewer - municipal, private, well, septic
rules with run off
waste disposal
labor availability
supervisors
operators
maintenance
typically, outside so it is hard to get people
skill level
average wages
primary structure design of the mill and grain storage
concrete, metal, combination
typically, a mixture
preliminary design
equipment specifications
need to last a long time
high quality
common suppliers
process equipment
i.e. broiler
material handling
type of spare parts
includes surrounding feed meals
cost
low initial cost
lifetime cost
preliminary structural and equipment layout
grain storage and receiving
grinding operation
mill tower
boiler room and maintenance
warehouses
offices and employee areas
manager’s location
safe working conditions
appearance
galvanized vs. paint
expandability
budget
long term maintenance cost
flexibility in design based on market changes
most important part
traffic flow
concrete mill structure
mill built on pylons or “floats” on soil
pilings
foundation slab
large “dead load” and small “live load”
dead load stationary
can’t really take vibrations
advantages
large volumes
height can be over 100 feet elevation
gravity flow
strong structural integrity
very long lifespan
disadvantages
expensive to build and more construction problems
high initial costs
limited structural shape
difficult to modify and expand
steel mill structure
built on piers or pilings anchored in bedrock
small “dead load” and large “live load”
advantages
any shape of structure
less expensive and fewer construction problems
easy to modify and expand relatively long lifespan if properly maintained
disadvantages
limited bin volume capacity
bin height typically does not exceed 60 ft
higher maintenance cost
rust
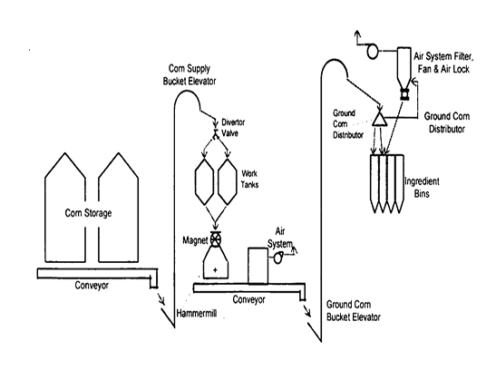
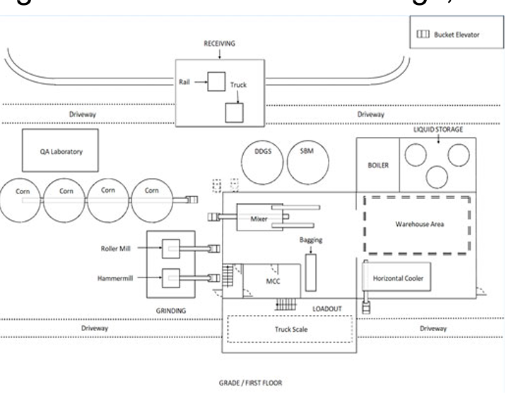
Topic 11: Mill Process Layout
learning outcomes
describe the factors impacting mill process flow
identify the process area within the feed mill
general operations flow chart
provides insight into present, proposed or revised process in a feed milling operation
outlines the operations performed
what events can be combined
can inspections be eliminated
operational capacities
can bottlenecks be eliminated or converted into storage

efficiency of material flow
individual machines: process capacity; design; compatibility
labor: operation and maintenance requirements
skill level
utilities: type and amount of fuel and utility services
peak verses off peak power costs
storage: local grain availability; delivery systems; final product number and amount
long term, short term, temporary storage needs
workspace: maintenance and work safety
cleaning ability
transportation: roads, rail systems, etc.
site traffic flow, truck staging area
material flow factors
arrangement of process
vertical vs. horizontal material flow
conveyer belts, gravity
sequencing and system flexibility
objective is to alleviate “choke points”
equipment capacity
should exceed normal flow by 15%
allows for expansion or less dense materials
future expansion
most plans plan for future expansion
have the space just not equipment
feed manufacturing plant capacity
ingredient storage
amount of product needed; frequency and size of delivery; bulk density of material
most dense less dense materials
conveyance
equipment; elevation; amount and type of material
spouting angles, how tall is the mill, physics
grinding
particle size; type of grinding mill
batch and mixing
mixer type; batching and mixing time, size of mixer
pelleting
pellet quality goals; type of ingredients in feed; conditioning process
finished feed storage and delivery
number of feed products; daily demand; load size
process flows

grains will typically go to the particle size reduction machine
grinder
hammer
roller

batch and then crush then mix with liquids
uniform size
doesn’t have to grind each grain
does require large hammer grinders to grind each batch

all ingredients are grinded together a second time (first time it is typically just the grains)
happens for feed for aquaculture are the need of really fine feed

roller mill for course grinding for pre-break
then hammer mill

less feed goes grinding
but much more complex
flow sheet
shows each machine
how everything flows

ingredient receiving and storage layout
receiving capacity
soft ingredients
30-60 min/truck (25 Ton)
soybean meal
DDGS
wheat middling’s
minerals
60-90 min/truck (25 T)
typically, nematic now
grains
15-30 min/truck (25 T)
10-15 min/rail (100 T)
liquids
30-60 min/truck (25 T)
operations
8-15 hr/day and 5-6 day/wk

particle size reduction layout
capacity
50-85% of design capacity based on:
number of grain types
screen/particle size
only 50-85 because that’s the percentage of feed that needs to be ground
operations
90-100% of manufacturing hrs.

batching and mixing layout
capacity
90-100% design capacity
3-4 min batch cycle
operations
80-90% of operational hours
change over between types take the longest

conditioning and pelleting
capacity
commercial
based on feed types and pellet quality, 50-100% design capacity
depends one the feed
forages vs,
integrated
swine 80-120% rated capacity
poultry 100-150% rated capacity
turkey 80-100% rated capacity
operations
80-90% depending on number of feed types, changeovers

feed storage and delivery
commercial
1 bin per feed order
customer order
smaller bins

integrated
1-3 bins per feed type
starter
grower
finisher
withdrawal
breeder/gestation/lactation
medication types
1-2 days manufacturing
mill layout diagrams
facilities arrangement: arial view if buildings, roads, rail, storage
traffic flow, efficiency, and safety
housekeeping
biosecurity

side elevations
eliminates the need of a basement

floor plans

bin arrangement
need to figure out angles and where to put low flowing materials like DDG

equipment placement plans
cross section

summary
general flow must be understood
aiming for process efficiency and meeting capacities
various process flows depending on feed types
good design is key