Resistance
Resistance is the ratio of the potential difference across it to the current flowing through it.
Resistance of a conductor depends on its length, its cross-sectional area, the material which it is made, and its temperature.
Resistance and Length
The resistance of a uniform conductor is directly proportional to its length.
Resistance and Cross-sectional Area
SI Unit: ohm ()
A conductor has a resistance of 1 ohm if the current through it is one ampere and when the potential difference across it is 1 voltage.
Ohm’s Law
For certain conductors at constant temperature current is directly proportional to the voltage.
If a conductor obeys Ohm’s Law resistance remains the same as the voltage and current vary.
Resistors in Series

Resistors in Parallel

Resistivity
SI Unit: ohm metre ( m)
Resistance changes linearly with temperature.
As the temperature of the metal increases, the metal atoms vibrate at a greater rate.
The electrons, in trying to move through the metal, collide more frequently with the atoms.
The electrons therefore meet increased resistance. i.e. the resistance of a metallic conductor increases as the temperature increases.
Variation of a Thermistor with Temperature
Resistance of the thermistor decreases dramatically as the temperature increases.
As the temperature of the thermistor increases, more electrons break free from their bonds.
There are thus more charge carriers available for conduction.
Thus the resistance decreases.
The Wheatstone Bridge
The Wheatstone Bridge is said to be balanced when the Galavanometer reads zero.

When the Wheatestone Bridge is balanced:
Metre Bridge

When the bridge is balanced:
Potential Divider Circuit
If two resistors are conncected in series across a fixed voltage supply:
The greater voltage is across the greater resistor.
The sum of the voltages is the suply voltage.
The resistors divide the potential difference of the supply in the ratio of their resistances.

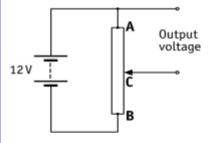
Variable Potential Divider Circuit
Provices any voltage from zero volts to the supply voltage by sliding a movable contact.

As the movable contact is moved from A to B the output voltage increases from zero volts (at A) to 12 volts (at B)